电脑桌面
添加小米粒文库到电脑桌面
安装后可以在桌面快捷访问

路基工程路堑施工技术交底记录VIP免费

路基工程路堑施工技术交底记录_第1页
1/7
路基工程路堑施工技术交底记录_第2页
2/7
路基工程路堑施工技术交底记录_第3页
3/7
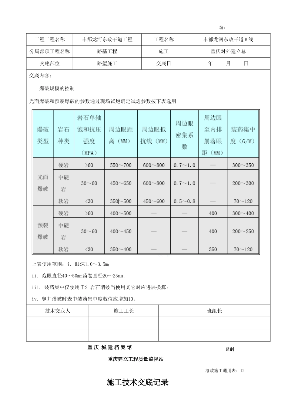
渝政施工通用表:12施工技术交底记录编:工程工程名称丰都龙河东政干道工程工程名称丰都龙河东政干道B线分局部项工程名称路基工程施工重庆对外建立总交底部位路堑施工交底日年月日交底内容:路堑施工1土方的开挖〔1〕土方的开挖采用推土机堆集挖掘机、装载机配合自卸汽车运输为主进展施工。在较高的边坡施工机械无法到位进展土方开挖作业时利用人工进展刷坡。〔2〕土方开挖前做好堑顶截排水保持开挖区排水畅通。〔3〕土方开挖顺序按图纸要求自上而下进展杜绝乱挖或超挖。施工过程中严禁爆破法或掏洞取土。2石方的开挖对于软石和强风化岩石能用机械开挖的均采用机械开挖也可人工开挖。不能使用机械或人工开挖的采用爆破法开挖。石方爆破作业的施工平安是施工组织的关键也是本合同段工程施工的难点和重点。石方爆破作业的石方爆破作业的风险和难度很大施工时采用光面爆破或预裂爆破技术。在炮区覆盖和加设金属防护格栅以控制飞石量确往行人、行车平安。控制爆破施工爆破设计石方爆破作业主要是控制爆破的方向和控制爆破的规模以到达定向、松动爆破、岩体破碎、少飞石的效果。技术交底人施工工长班组长重庆城建档案馆重庆建立工程质量监视站渝政施工通用表:12施工技术交底记录监制编:工程工程名称丰都龙河东政干道工程工程名称丰都龙河东政干道B线分局部项工程名称路基工程施工重庆对外建立总交底部位路堑施工交底日年月日交底内容:爆破规模的控制光面爆破和预裂爆破的参数通过现场试炮确定试炮参数按下表选用上表使用范围:i.眼深1.0~3.5m;ii.炮眼直径40~50mm药卷直径20~25mm;iii.装药集中仅使用于2岩石硝铵当使用其它时应进展换算;iv.竖井爆破时表中装药集中度数值应增加10。技术交底人施工工长班组长重庆城建档案馆重庆建立工程质量监视站渝政施工通用表:12施工技术交底记录监制编:工程工程名称丰都龙河东政干道工程工程名称丰都龙河东政干道B线分局部项工程名称路基工程施工重庆对外建立总交底部位路堑施工交底日年月日交底内容:爆破质量保证为确保质量施工前必须准确测定出设计边坡线和预裂孔的位置;施工中要实在掌握好钻孔的方向、角度和深度等并根据不同爆破的特点作出相应的措施。a.光面爆破爆破采用毫秒方式当分段毫秒差小造成震动波峰迭起时跳段使用。爆破开挖工作面时从上至下分层进展。周边眼采用低度、低、低猛度、高爆力的并采用毫秒或导爆索同时。当用量较多对围岩影响较大时可分段。周边眼采用小药卷连续装药构造或间隔装药构造;眼深小于2m时可采用空气柱反向装药结构;岩石较软时可采用导爆索束装药构造。另外周边眼施工要注意沿轮廓线的眼距误差要小于50mm炮眼外偏斜率不大于50mm/m眼深误差不大于100mm。b.预裂爆破在需减弱爆破震动或要求较高坡面平整度的地段以及需减少开挖数量时采用预裂爆破。预裂炮孔深度以钻孔能到达精度要求为限不大于7m。边坡较高时应从上至下分层进展;分层处可留置30~50cm宽的过坡平台。预裂炮孔直径与所用药卷直径的比值〔不偶合系数〕控制在2~3之间不小于2。预裂爆破的线装药度及孔距等参数在符合上表条件下通过实地试验选定并采用高威力连续或间隔装药。另外在施钻方向与边坡走向垂直横向角度与边坡角一致预裂孔孔地均设在同一底板平面上并要求预裂炮孔必须同时尽量缩短各炮孔的瞬间时差。技术交底人施工工长班组长重庆城建档案馆重庆建立工程质量监视站渝政施工通用表:12施工技术交底记录监制编:工程工程名称丰都龙河东政干道工程工程名称丰都龙河东政干道B线分局部项工程名称路基工程施工重庆对外建立总交底部位路堑施工交底日年月日交底内容:爆破施工工序〔5〕顺序技术交底人施工工长班组长重庆城建档案馆重庆建立工程质量监视站渝政施工通用表:12施工技术交底记录监制编:工程工程名称丰都龙河东政干道工程工程名称丰都龙河东政干道B线分局部项工程名称路基工程施工重庆对外建立总交底部位路堑施工交底日年月日交底内容:土石施工平安防护措施由于施工现场距当地老乡生活驻地较近施工对当地人的生活有很大的影响。除要进展石方爆破作业的科学技术设计严格控爆的防护原那么以外还要按照以下措施进展现场施工组...

1、当您付费下载文档后,您只拥有了使用权限,并不意味着购买了版权,文档只能用于自身使用,不得用于其他商业用途(如 [转卖]进行直接盈利或[编辑后售卖]进行间接盈利)。
2、本站所有内容均由合作方或网友上传,本站不对文档的完整性、权威性及其观点立场正确性做任何保证或承诺!文档内容仅供研究参考,付费前请自行鉴别。
3、如文档内容存在违规,或者侵犯商业秘密、侵犯著作权等,请点击“违规举报”。

碎片内容

路基工程路堑施工技术交底记录

确认删除?
VIP
微信客服
  • 扫码咨询
会员Q群
  • 会员专属群点击这里加入QQ群
客服邮箱
回到顶部