电脑桌面
添加小米粒文库到电脑桌面
安装后可以在桌面快捷访问

安全生产事故应急救援预案VIP免费

安全生产事故应急救援预案_第1页
1/47
安全生产事故应急救援预案_第2页
2/47
安全生产事故应急救援预案_第3页
3/47
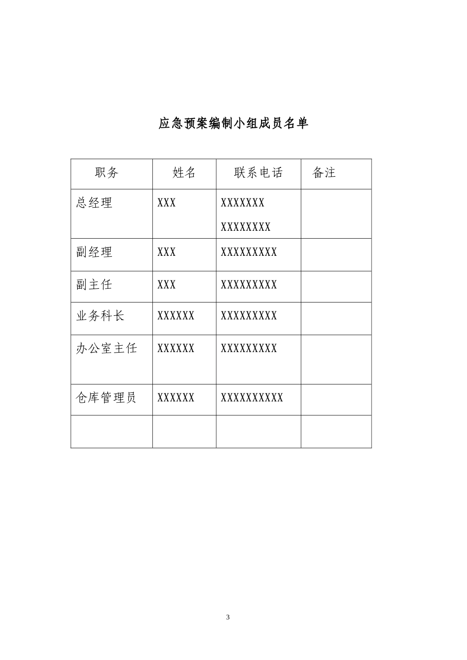
安全生产事故应急救援预案预案编号:XX-XXXXX-01发行版本:第XX版签发时间:XXXX年X月XX日应急救援预案发布令为了贯彻落实“安全第一、预防为主、综合治理”的方针,规范我单位的应急救援工作,提高应对风险和防范事故的能力,保证职工安全健康、企业和社会的财产安全,最大限度的减少财产损失、环境损害和社会影响,根据本单位的实际情况制定本应急预案。本应急预案根据国家有关法律、法规、标准、规范的要求制定,现予以批准发布,自XXXX年X月XX日起实施。自应急救援预案实施之日起,要求全体员工必须认真学习,准确理解其内容,掌握处理烟花爆竹事故的应急处理方法,提高应对意外事故的能力,在应急工作中贯彻“统一领导、分级负责,快速反应、当机立断,自救为主、外援为辅”的原则。总经理:XXXXXX年XX月XX日2应急预案编制小组成员名单职务姓名联系电话备注总经理XXXXXXXXXXXXXXXXXX副经理XXXXXXXXXXXX副主任XXXXXXXXXXXX业务科长XXXXXXXXXXXXXXX办公室主任XXXXXXXXXXXXXXX仓库管理员XXXXXXXXXXXXXXXX3目录1、总则…………………………………………….11.1编制目的………………………………………11.2编制依据……………………………………….11.3适用范围……………………………………….11.4应急预案体系………………………………11.5应急工作原则……………………………….1-22、企业危险性分析……………………………..32.1企业基本情况………………………………..3-42.2危险源与风险分析……………………………42.2.1重大危险源辨识…………………………..42.2.2危险风险分析……………………………..43、组织机构及职责……………………………….53.1应急组织体系………………………………..5-63.2指挥机构及职责……………………………..6-94、预防与预警…………………………………..94.1危险源监控…………………………………..9-124.2预警行动……………………………………..12-154.3信息报告与处置……………………………..15(4.3.1)信息报告与通知……………………………15-16(4.3.2)信息上报……………………………………16-174(4.3.3)信息传递………………………………………17-185、事故分析、确认和处理…………………………..19-206、善后处理、保险理赔……………………………..207、保障措施……………………………………………20-228、培训、演练……………………………………….229、奖励…………………………………………………2310、惩处………………………………………………23-2411、附则………………………………………………..24-2511.1术语和定义……………………………………….2511.2应急预案备案……………………………………….2511.3维护和更新………………………………………….2511.4制定与解释………………………………..2511.5应急预案实施………………………………….2612、附件(1-14)………………………………26-405第6页共47页编号:时间:2021年x月x日书山有路勤为径,学海无涯苦作舟页码:第6页共47页1、总则1.1编制目的为了贯彻落实“安全第一、预防为主、综合治理”的方针规范我单位的应急管理工作,提高应对风险和防范事故的能力,保证职工安全健康、企业和社会的财产安全,最大限度的减少财产损失、环境损害和社会影响,根据本单位的实际情况制定本应急预案。1.2编制依据依据《中华人民共和国安全生产法》、《中华人民共和国消防法》、《中华人民共和国突发事件应对法》、《吉安监管应急〔2012〕184号》、《生产经营单位安全生产事故应急预案编制导则》《危险化学品安全管理条例》、《烟花爆竹管理条例》、《烟花爆竹经营许可实施办法》等制定。1.3适用范围本预案适用于本单位烟花爆竹专用仓库库区在运输、存储过程中发生的各类烟花爆竹事故。1.4应急预案体系1.4.1本预案为综合应急预案和专项应急预案合并编写。本预案为公司整体应急预案1.5应急工作原则第6页共47页第7页共47页编号:时间:2021年x月x日书山有路勤为径,学海无涯苦作舟页码:第7页共47页(1)以人为本,安全第一。把保障人民群众的生命财产安全和身体健康作为...

1、当您付费下载文档后,您只拥有了使用权限,并不意味着购买了版权,文档只能用于自身使用,不得用于其他商业用途(如 [转卖]进行直接盈利或[编辑后售卖]进行间接盈利)。
2、本站所有内容均由合作方或网友上传,本站不对文档的完整性、权威性及其观点立场正确性做任何保证或承诺!文档内容仅供研究参考,付费前请自行鉴别。
3、如文档内容存在违规,或者侵犯商业秘密、侵犯著作权等,请点击“违规举报”。

碎片内容

安全生产事故应急救援预案

您可能关注的文档

确认删除?
VIP
微信客服
  • 扫码咨询
会员Q群
  • 会员专属群点击这里加入QQ群
客服邮箱
回到顶部