电脑桌面
添加小米粒文库到电脑桌面
安装后可以在桌面快捷访问

定额计价的单位工程费用计算程序VIP免费

定额计价的单位工程费用计算程序_第1页
1/3
定额计价的单位工程费用计算程序_第2页
2/3
定额计价的单位工程费用计算程序_第3页
3/3
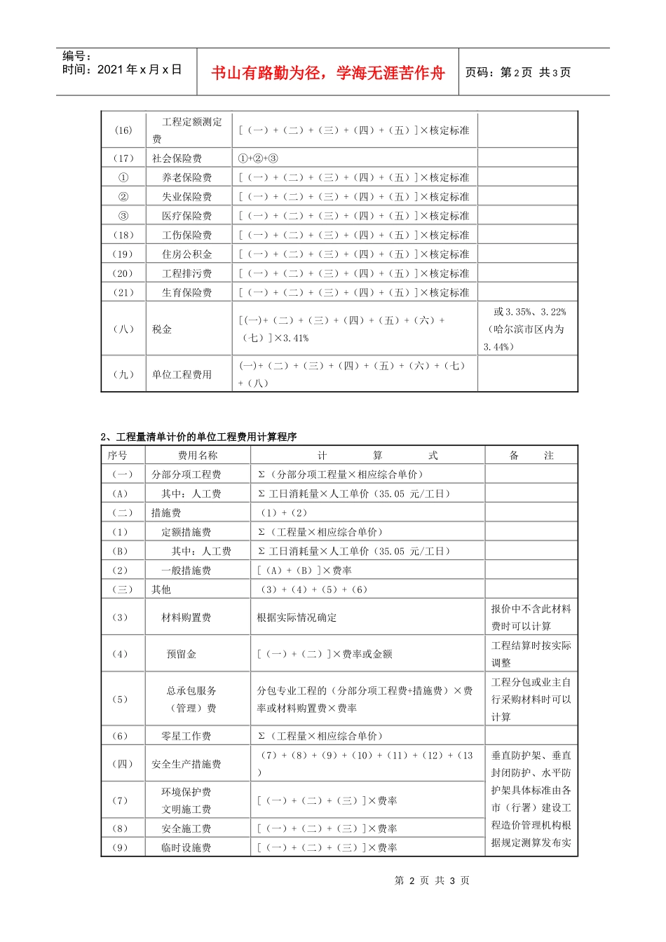
第1页共3页编号:时间:2021年x月x日书山有路勤为径,学海无涯苦作舟页码:第1页共3页1、定额计价的单位工程费用计算程序序号费用名称计算式备注(一)定额项目费按预(概)算定额计算的项目基价之和(A)其中:人工费Σ工日消耗量×人工单价(35.05元/工日)(二)一般措施费(A)×费率(三)企业管理费(A)×费率(四)利润(A)×利润率(五)其他(1)+(2)+(3)+(4)+(5)+(6)+(7)(1)人工费价差人工费调整价格(省发布)与本定额人工费标准35.05元/工日的(±)差价采用固定价格时可以计算工程风险费(定额项目费×费率)(2)材料价差材料实际价格(或信息价格、价差系数)与省定额中材料价格的(±)差价(3)机械费价差机械费调整价格(省发布)与省定额中机械费的(±)差价(4)材料购置费根据实际情况确定预算或报价中不含此材料费时可以计算(5)预留金[(一)+(二)+(三)+(四)]×费率或金额工程结算时按实际调整(6)总承包服务(管理)费分包专业工程的(定额项目费+一般措施费+企业管理费+利润)×费率或材料购置费×费率工程分包或业主自行采购材料时可以计算(7)零星工作费根据实际情况确定(六)安全生产措施费(8)+(9)+(10)+(11)+(12)+(13)+(14)垂直防护架、垂直封闭防护、水平防护架具体标准由各市(行署)建设工程造价管理机构根据规定测算发布实施工程结算时,根据建设行政主管部门安全监督管理机构组织安全检查、动态评价和工程造价管理机构核定的费用费率计算(8)环境保护费文明施工费[(一)+(二)+(三)+(四)+(五)]×费率(9)安全施工费[(一)+(二)+(三)+(四)+(五)]×费率(10)临时设施费[(一)+(二)+(三)+(四)+(五)]×费率(11)防护用品等费用[(一)+(二)+(三)+(四)+(五)]×费率(12)垂直防护架实际搭设面积×规定标准(13)垂直封闭防护实际搭设面积×规定标准(14)水平防护架水平投影面积×规定标准(七)规费(15)+(16)+(17)+(18)+(19)+(20)+(21)(15)危险作业意外伤害保险费[(一)+(二)+(三)+(四)+(五)]×核定标准第2页共3页第1页共3页编号:时间:2021年x月x日书山有路勤为径,学海无涯苦作舟页码:第2页共3页(16)工程定额测定费[(一)+(二)+(三)+(四)+(五)]×核定标准(17)社会保险费①+②+③①养老保险费[(一)+(二)+(三)+(四)+(五)]×核定标准②失业保险费[(一)+(二)+(三)+(四)+(五)]×核定标准③医疗保险费[(一)+(二)+(三)+(四)+(五)]×核定标准(18)工伤保险费[(一)+(二)+(三)+(四)+(五)]×核定标准(19)住房公积金[(一)+(二)+(三)+(四)+(五)]×核定标准(20)工程排污费[(一)+(二)+(三)+(四)+(五)]×核定标准(21)生育保险费[(一)+(二)+(三)+(四)+(五)]×核定标准(八)税金[(一)+(二)+(三)+(四)+(五)+(六)+(七)]×3.41%或3.35%、3.22%(哈尔滨市区内为3.44%)(九)单位工程费用(一)+(二)+(三)+(四)+(五)+(六)+(七)+(八)2、工程量清单计价的单位工程费用计算程序序号费用名称计算式备注(一)分部分项工程费Σ(分部分项工程量×相应综合单价)(A)其中:人工费Σ工日消耗量×人工单价(35.05元/工日)(二)措施费(1)+(2)(1)定额措施费Σ(工程量×相应综合单价)(B)其中:人工费Σ工日消耗量×人工单价(35.05元/工日)(2)一般措施费[(A)+(B)]×费率(三)其他(3)+(4)+(5)+(6)(3)材料购置费根据实际情况确定报价中不含此材料费时可以计算(4)预留金[(一)+(二)]×费率或金额工程结算时按实际调整(5)总承包服务(管理)费分包专业工程的(分部分项工程费+措施费)×费率或材料购置费×费率工程分包或业主自行采购材料时可以计算(6)零星工作费Σ(工程量×相应综合单价)(四)安全生产措施费(7)+(8)+(9)+(10)+(11)+(12)+(13)垂直防护架、垂直封闭防护、水平防护架具体标准由各市(行署)建设工程造价管理机构根据规定测算发布实(7)环境保护费文明施工费[(一)+(二)+(三)]×...

1、当您付费下载文档后,您只拥有了使用权限,并不意味着购买了版权,文档只能用于自身使用,不得用于其他商业用途(如 [转卖]进行直接盈利或[编辑后售卖]进行间接盈利)。
2、本站所有内容均由合作方或网友上传,本站不对文档的完整性、权威性及其观点立场正确性做任何保证或承诺!文档内容仅供研究参考,付费前请自行鉴别。
3、如文档内容存在违规,或者侵犯商业秘密、侵犯著作权等,请点击“违规举报”。

碎片内容

定额计价的单位工程费用计算程序

确认删除?
VIP
微信客服
  • 扫码咨询
会员Q群
  • 会员专属群点击这里加入QQ群
客服邮箱
回到顶部