电脑桌面
添加小米粒文库到电脑桌面
安装后可以在桌面快捷访问

定额时间标准VIP免费

定额时间标准_第1页
1/59
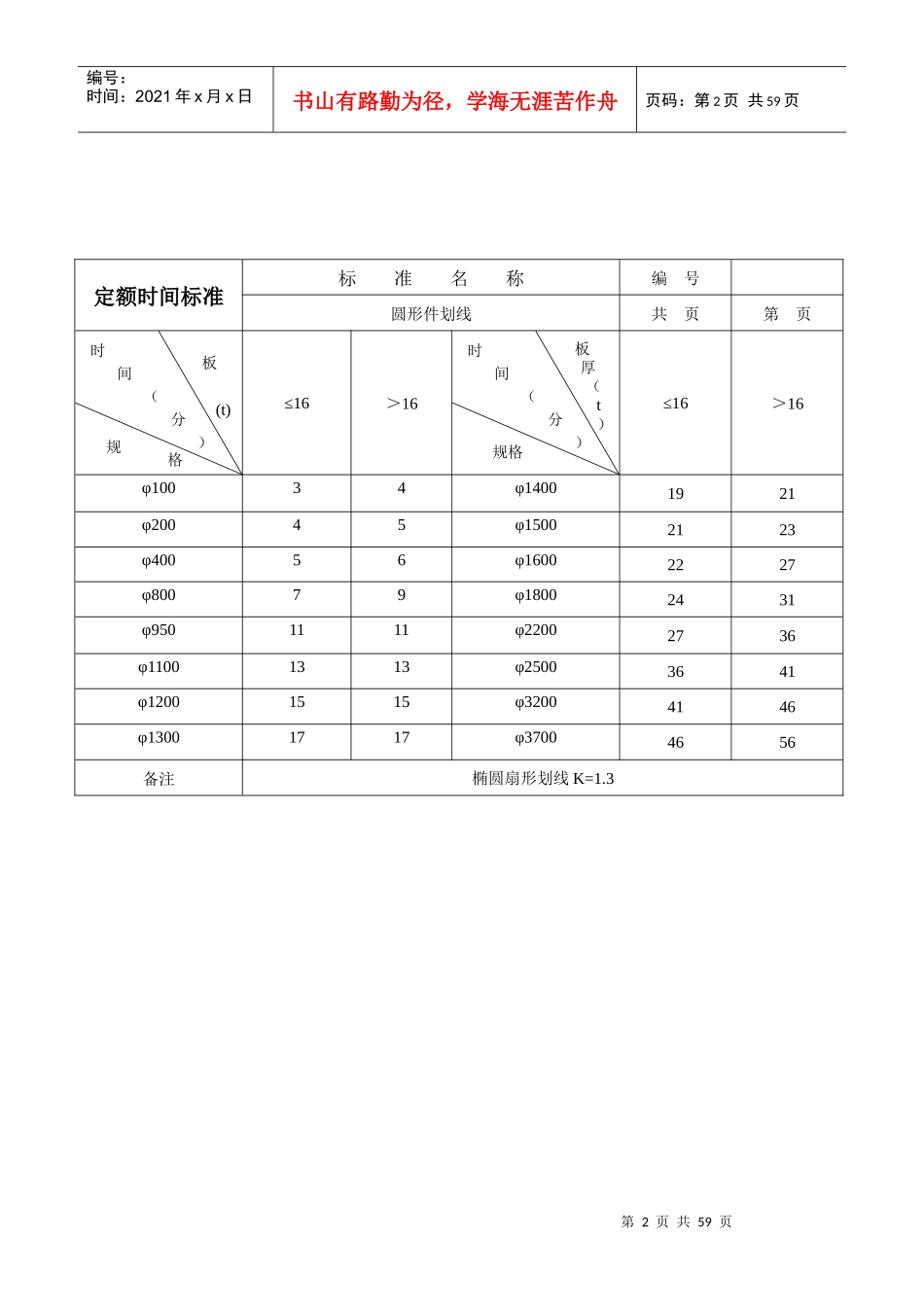
定额时间标准_第2页
2/59
定额时间标准_第3页
3/59
第1页共59页板厚(t)时间(分)L=a+b编号:时间:2021年x月x日书山有路勤为径,学海无涯苦作舟页码:第1页共59页定额时间标准标准名称编号钢板下料划线共页第页≤56~1618~30≥30100111.52200111.52.5400222.53800333.541000444.55.5150055.567200066.57.58250077.58.59300088.51011400010111213500012141618600015161820700016182022800018202224备注1、异形板乘以系数见图(1、2、3)。只下长度乘0.5,批量>50件乘0.8,不锈钢板乘1.2.做样板时间另加2、考虑领料时间10-40min第2页共59页第1页共59页板(t)时间(分)规格板厚(t)时间(分)规格编号:时间:2021年x月x日书山有路勤为径,学海无涯苦作舟页码:第2页共59页定额时间标准标准名称编号圆形件划线共页第页≤16>16≤16>16φ10034φ14001921φ20045φ15002123φ40056φ16002227φ80079φ18002431φ9501111φ22002736φ11001313φ25003641φ12001515φ32004146φ13001717φ37004656备注椭圆扇形划线K=1.3第3页共59页第2页共59页板厚(t)时间(分)L=a+b编号:时间:2021年x月x日书山有路勤为径,学海无涯苦作舟页码:第3页共59页定额时间标准标准名称编号钢板剪板共页第页≤5≤1210011.52001.5240022.58002.5310003.53.515004.54.520005.56250077.5300098.5400010106000121280001414备注批量>50件乘0.8,不锈钢板乘1.2.第4页共59页第3页共59页长度(m时间(分)型号编号:时间:2021年x月x日书山有路勤为径,学海无涯苦作舟页码:第4页共59页定额时间标准标准名称编号扁、方、圆钢下料共页第页类别≤1≤4≤8>8剪切划线气切剪切划线气切剪切划线气切剪切划线气切扁钢≤4010.50.52112.51.513.521.5≤751.50.512.51.5131.51.5422≤1202.511.53.51.51.5421.55.532.5圆钢≤φ810.50.5210.521.50.5321≤φ151.50.512112.51.513.521.5≤φ242112.51131.51422方钢≤1010.50.51.510.521.50.5321≤2520.512.51131.51422备注不锈钢K=1.2第5页共59页第4页共59页规格时间(分)方式长度(m)工序时间(型号长度(m)时间(分)型号编号:时间:2021年x月x日书山有路勤为径,学海无涯苦作舟页码:第5页共59页定额时间标准标准名称编号槽钢直口下料共页第页123划线气切划线气切划线气切6~10141.54.52512~161.54.5252.55.518~22252.55.53624~302.5636.53.56.532~403.5747474686~10252.55.52.55.512~162.55.5363618~22363.56.53.56.5定额时间标准标准名称编号圆钢锯切下料共页第页≤20253035404560758090100110120130弓锯234567912162021242733圆盘锯678910121314备注移植钢印每件1分钟,合金、工具钢K=1.5,不锈钢K=2,L>1m,K=1.2,手工弓锯K=2第6页共59页第5页共59页长度(m)工序时间(型号长度(m)时间(分)型号编号:时间:2021年x月x日书山有路勤为径,学海无涯苦作舟页码:第6页共59页24~303.56.5474732~40474.57.54.57.5备注本标准为每根时间定额时间标准标准名称编号槽钢锁口下料共页第页123划线气切划线气切划线气切6~1022.522.52.5312~16242434.518~222.552.553.55.524~3037374732~403.583.584.594686~102.533535第7页共59页第6页共59页长度(m)工序时间(型号长度(m)工序时间(型号编号:时间:2021年x月x日书山有路勤为径,学海无涯苦作舟页码:第7页共59页12~1634.53.563.5618~223.55.5585824~3047696932~404.59710710备注本标准为每口时间,斜口下料按此标准定额时间标准标准名称编号工字钢直口下料共页第页123468划线气切划线气切划线气切划线气切划线气切划线气切10~141.531.5424242.542.54.516~221.53.51.54.52.54.52.5534.53524~2824.525.52.55.536454630~402.562.57373.575657定额时间标准标准名称编号工字钢锁口下料共页第页123468划线气切划线气切划线气切划线气切划线气切划线气切10~1434344545455616~2245455656566824~2856566767677930~406868797979810第8页共59页第7页共59页工具长度时间型号型号工序时间(长度(编号:时间:2021年x月x日书山有路勤为径,学海无涯苦作舟页码:第8页共59页定额时间标准标准名称编号气割火焰热校型钢共页第页类别气割焊把≤2000≤4000≤...

1、当您付费下载文档后,您只拥有了使用权限,并不意味着购买了版权,文档只能用于自身使用,不得用于其他商业用途(如 [转卖]进行直接盈利或[编辑后售卖]进行间接盈利)。
2、本站所有内容均由合作方或网友上传,本站不对文档的完整性、权威性及其观点立场正确性做任何保证或承诺!文档内容仅供研究参考,付费前请自行鉴别。
3、如文档内容存在违规,或者侵犯商业秘密、侵犯著作权等,请点击“违规举报”。

碎片内容

定额时间标准

您可能关注的文档

确认删除?
VIP
微信客服
  • 扫码咨询
会员Q群
  • 会员专属群点击这里加入QQ群
客服邮箱
回到顶部