电脑桌面
添加小米粒文库到电脑桌面
安装后可以在桌面快捷访问

高考物理总复习 第九章 第二单元 第4课 实验 描绘小电珠的伏安特性曲线VIP免费

高考物理总复习 第九章 第二单元 第4课 实验 描绘小电珠的伏安特性曲线_第1页
1/4
高考物理总复习 第九章 第二单元 第4课 实验 描绘小电珠的伏安特性曲线_第2页
2/4
高考物理总复习 第九章 第二单元 第4课 实验 描绘小电珠的伏安特性曲线_第3页
3/4
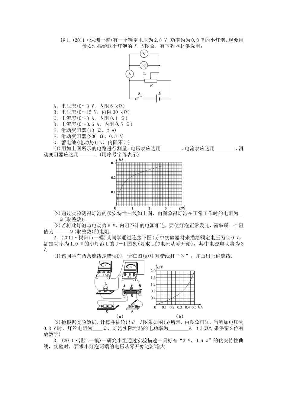
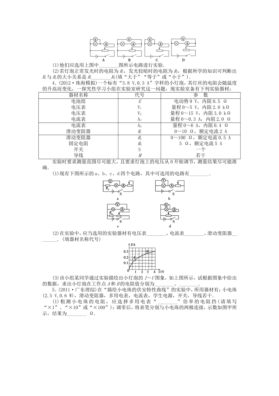
线1.(2011·深圳一模)有一个额定电压为2.8V,功率约为0.8W的小灯泡,现要用伏安法描绘这个灯泡的I-U图象,有下列器材供选用:A.电压表(0~3V,内阻6kΩ)B.电压表(0~15V,内阻30kΩ)C.电流表(0~3A,内阻0.1Ω)D.电流表(0~0.6A,内阻0.5Ω)E.滑动变阻器(10Ω,2A)F.滑动变阻器(200Ω,0.5A)G.蓄电池(电动势6V,内阻不计)(1)用如上图所示的电路进行测量,电压表应选用________,电流表应选用________,滑动变阻器应选用______.(用序号字母表示)(2)通过实验测得灯泡的伏安特性曲线如上图,由图象得灯泡在正常工作时的电阻为________Ω(取整数).(3)若将此灯泡与电动势6V、内阻不计的电源相连,要使灯泡正常发光,需串联一个阻值为______Ω(取整数)的电阻.2.(2011·揭阳市一模)某同学通过连接下图(a)中实验器材来描绘额定电压为2.0V,额定功率为1.0W的小灯泡L的U-I图象(要求L的电流从零开始),其中电源电动势为3V.(1)该同学有两条连线是错误的,请在图(a)中对错线打“×”,并画出正确连线.(2)他根据实验数据,计算并描绘出U-I图象如图(b)所示.由图象可知,当所加电压为0.8V时,灯丝电阻为____Ω,灯泡实际消耗的电功率为________W.(计算结果保留2位有效数字)3.(2011·湛江一模)一研究小组通过实验描述一只标有“3V、0.6W”的伏安特性曲线,实验时,要求小灯泡两端的电压从零开始逐渐增大.(1)他们应选用上图中________图所示电路进行实验.(2)若灯泡正常发光时的电阻为R1,发光较暗时的电阻为R2,根据所学的知识可判断出R1与R2的大小关系是R1________R2(填“大于”“等于”或“小于”).4.(2012·珠海模拟)一个标有“3.8V,0.3A”字样的小灯泡,其灯丝的电阻会随温度的升高而变化,一探究性学习小组在实验室研究这一问题,现实验室备有下列实验器材:器材名称代号参数电池组电压表电压表电流表EV1V2A1电动势9V,内阻0.5Ω量程0~5V,内阻2.0kΩ量程0~15V,内阻3.0kΩ量程0~0.3A,内阻2.0Ω电流表滑动变阻器A2R1量程0~6A,内阻0.4Ω0~10Ω,额定电流2A滑动变阻器固定电阻开关导线R2R0SM0~100Ω,额定电流0.5A5Ω,额定电流5A一个若干实验时要求测量范围尽可能大,且要求灯泡上的电压从0开始调节,测量结果尽可能准确.(1)现有下图所示的a、b、c、d四个电路,其中可选用的电路有________.(2)在实验中,应当选用的实验器材有电压表________,电流表________,滑动变阻器________.(填器材名称代号)(3)该小组某同学通过实验描绘出小灯泡的I-U图象,如上图所示,试根据图象中给出的数据,求出小灯泡在工作点A和B的电阻值分别为________、________.5.(2011·广东理综)在“描绘小电珠的伏安特性曲线”的实验中,所用器材有:小电珠(2.5V,0.6W),滑动变阻器,多用电表,电流表,学生电源,开关,导线若干.(1)粗测小电珠的电阻,应选择多用电表“________”倍率的电阻挡(请填写“×1”、“×10”或“×100”);调零后,将表笔分别与小电珠的两极连接,示数如图甲所示,结果为________Ω.(2)实验中使用多用电表测量电压,请根据实验原理图乙完成实物图丙中的连线.(3)开关闭合前,应将滑动变阻器的滑片P置于________端,为使小电珠亮度增加,P应由中点向________端滑动.(4)下表为电压等间隔变化测得的数据,为了获得更准确的实验图象,必须在相邻数据点________间多测几组数据(请填写“ab”、“bc”、“cd”、“de”或“ef”).数据点abcdefU/V0.000.501.001.502.002.50I/A0.0000.1220.1560.1850.2160.244参考答案1.解析:(1)由于电流和电压均从0开始调起,故电流表、电压表要选择低量程的;而滑阻器要选择低量程的,因低阻值滑动变阻器耐流大,易调节.(2)灯泡正常工作时的电压为U=2.8V,结合图象可取得额定电流为I=0.28A,故灯泡电阻R灯==10Ω.(3)根据E=I(R灯+R),得:R=-R灯≈11Ω.答案:(1)ADE(2)10(3)112.解析:(1)由于小灯泡额定电压为2.0V,额定功率为1.0W,则额定电流为0.5A.因此选择电压表的量程为3V,电流表的量程为0.6A.正确的修改图如下:(2)结合图象,当电压取0.8V时,电流为I=0.35A,所以灯泡灯丝电阻R灯=≈2.3Ω,实际消耗的电功率为P...

1、当您付费下载文档后,您只拥有了使用权限,并不意味着购买了版权,文档只能用于自身使用,不得用于其他商业用途(如 [转卖]进行直接盈利或[编辑后售卖]进行间接盈利)。
2、本站所有内容均由合作方或网友上传,本站不对文档的完整性、权威性及其观点立场正确性做任何保证或承诺!文档内容仅供研究参考,付费前请自行鉴别。
3、如文档内容存在违规,或者侵犯商业秘密、侵犯著作权等,请点击“违规举报”。

碎片内容

高考物理总复习 第九章 第二单元 第4课 实验 描绘小电珠的伏安特性曲线

您可能关注的文档

确认删除?
VIP
微信客服
  • 扫码咨询
会员Q群
  • 会员专属群点击这里加入QQ群
客服邮箱
回到顶部