电脑桌面
添加小米粒文库到电脑桌面
安装后可以在桌面快捷访问

CPC系列变频恒压供水控制器说明书VIP免费

CPC系列变频恒压供水控制器说明书_第1页
1/28
CPC系列变频恒压供水控制器说明书_第2页
2/28
CPC系列变频恒压供水控制器说明书_第3页
3/28
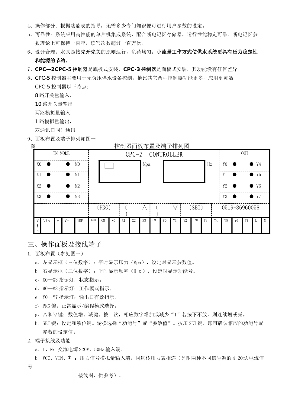
CPC-2&3可编程序控制器CPC系列变频恒压供水控制器使用说明书常州市雄华自动化设备有限公司一、概述以往,恒压供水系统的控制中心通常由可编程序控制器和压力差传感器组成。这种组合模式可变功能少(修改参数需要专业编程人员),控制算法简单,难以适应各种供水方式和运行工况。而且,由两个独立单元构成,体积大,成本高,调试复杂。CPC系列控制器是一种新型的可编程序控制器。开发人员希望本产品象变频供水电控柜中的一个"交流接触器"一样应用简单,接线方便。使调试人员和用户更快地理解变频供水的原理。它包含了恒压供水的许多功能:■双压力设定,两种压力相互切换;■外部水池无水报警,水泵抽真空无水报警;■小流量工作方式多种选择;■增泵延时,减泵延时;■内置PID调节。■CPC-5控制器具有双压力控制(进、出口压力)还带有Modbus通讯协议(双端口),与触摸屏连接后,可实现在触摸屏上进行监控和参数修改;同时另一个通讯口可以和电脑实现远程监控。CPC系列控制器的所有参数可以直接从面板输入数字量,不需要特殊仪器或专业编程人员。外围所配的远传压力表,与常规的压力传感器相比要更加节省成本。二、主要技术性能和特点1、输入部分:四路开关量输入(无源);一路模拟量输入,一般是远传压力表电阻信号(也可以是4--20mA电流信号或者是0-5V电压信号。电流、电压信号输入,需要在购货时予以选择)。2、输出部分:一路模拟量输出(由变频器供电,控制器电源与变频器电源完全隔离);八路开关量输出。3、数据设定部分:向用户开放多个可编程功能,详见功能表。这些功能包含了恒压供水系统各种工况所需的参数。根据实际工况对相应功能编程,可达到最佳运行条件。4、操作部分:根据功能表的指导,无需多少专门知识便可进行用户参数的设定。5、可靠性:系统应用高性能的单片机集成系统,配合断电记忆存储器,运行性能稳定可靠。断电记忆参数理论上可保持一百年,读写次数超过一百万次。6、设计合理:水泵是按先开先关的原则运行,负荷均匀。小流量工作方式使供水系统更具有压力稳定性和能源的节约。7、CPC—2CPC-5控制器是底板式安装,CPC-3控制器是面板式安装,其功能没有任何差异。8、CPC-5控制器主要用于无负压供水设备控制,他比其它两种控制器功能更多,应用更灵活CPC-5控制器以下特点:8路开关量输入,10路开关量输出两路模拟量输入1路模拟量输出,双通讯口同时通讯9、面板布置及端子排列如图一图一控制器面板布置及端子排列图INMODECPC-2CONTROLLEROUTX0●●M0MpaHzY0●●Y4X1●●M1Y1●●Y5X2●●M2Y2●●Y6X3●●M3Y3●●Y7〔PRG〕〔∧〕〔∨〕〔SET〕0519-86960058VicVin*V+VRFGNDCMX0X1X2X3CM0Y0Y1Y2CM1Y3Y4Y5Y6Y7LN三、操作面板及接线端子1:面板布置(参见图一)a、左显示框(三位数字):平时显示压力(Mpa),设定时显示参数值。b、右显示框(二位数字):平时显示频率(Hz),设定时显示功能号。c、X0—X3指示灯:状态指示。d、M0—M3指示灯:工作模式指示。e、Y0—Y7指示灯:输出口有效指示。f、PRG键:正常显示/编程模式选择。g、∧和∨键:数值增、减键。按一次,相应数字增加或减少“1”若按下不放,则连续增或减。h、SET键:设定和移位键。轮换选择“功能号”或“参数值”。按压SET键,即可确认相应的功能号或参数的设定值。2:端子接线及功能a、L、N:交流电源220V,50Hz输入端。b、VCC、VIN、*:压力信号模拟量输入端,同远传压力表相连(另附两种不同信号源的4-20mA电流信号接线图,供参考)。c、CM、XO、X1、X2、X3:开关量输入端。d、V+、VRF、GND:模拟量(控制信号)输出端,与变频器的频率设定端子相连。e、CMO、Y0、Y1、Y2及CM1、Y3、Y4、Y5、Y6、Y7:开关量输出端。四、(CPC-2CPC-3)面板状态指示灯X0-X3定义及出错显示1、X0—增泵指示:增泵延时时间未到时闪烁,时间到后长亮。2、X1—减泵指示:减泵延时时间未到时闪烁,时间到后长亮。3、X2—小流量指示:进入小流量后闪烁,小流量停机后长亮。4、X3—出错指示:出错时闪烁。同时右显示框交替显示出错代码和变频器频率(由于已停机,实际频率显示为00HZ)。5、M0—民用压力工作状态。6、M1—消...

1、当您付费下载文档后,您只拥有了使用权限,并不意味着购买了版权,文档只能用于自身使用,不得用于其他商业用途(如 [转卖]进行直接盈利或[编辑后售卖]进行间接盈利)。
2、本站所有内容均由合作方或网友上传,本站不对文档的完整性、权威性及其观点立场正确性做任何保证或承诺!文档内容仅供研究参考,付费前请自行鉴别。
3、如文档内容存在违规,或者侵犯商业秘密、侵犯著作权等,请点击“违规举报”。

碎片内容

CPC系列变频恒压供水控制器说明书

您可能关注的文档

状元书阁+ 关注
实名认证
内容提供者

爱好英语教学和互联网行业,热爱教育事业,兢兢业业

确认删除?
VIP
微信客服
  • 扫码咨询
会员Q群
  • 会员专属群点击这里加入QQ群
客服邮箱
回到顶部