电脑桌面
添加小米粒文库到电脑桌面
安装后可以在桌面快捷访问

实施工业产品生产许可证的危险化学品VIP免费

实施工业产品生产许可证的危险化学品_第1页
1/35
实施工业产品生产许可证的危险化学品_第2页
2/35
实施工业产品生产许可证的危险化学品_第3页
3/35
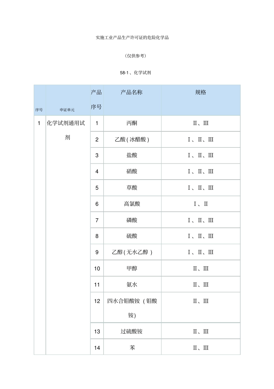
实施工业产品生产许可证的危险化学品(仅供参考)58-1、化学试剂序号申证单元产品序号产品名称规格1化学试剂通用试剂1丙酮Ⅱ、Ⅲ2乙酸(冰醋酸)Ⅰ、Ⅱ、Ⅲ3盐酸Ⅰ、Ⅱ、Ⅲ4硝酸Ⅰ、Ⅱ、Ⅲ5草酸Ⅰ、Ⅱ、Ⅲ6高氯酸Ⅰ、Ⅱ7磷酸Ⅰ、Ⅱ、Ⅲ8硫酸Ⅰ、Ⅱ、Ⅲ9乙醇(无水乙醇)Ⅰ、Ⅱ、Ⅲ10甲醇Ⅱ、Ⅲ11氨水Ⅱ、Ⅲ12四水合钼酸铵(钼酸铵)Ⅱ、Ⅲ13过硫酸铵Ⅱ、Ⅲ14苯Ⅱ、Ⅲ15四氯化碳Ⅱ、Ⅲ16三氯甲烷Ⅱ、Ⅲ17乙醚Ⅱ、Ⅲ18乙二胺四乙酸二钠Ⅰ、Ⅱ、Ⅲ19甲醛溶液Ⅱ、Ⅲ20丙三醇Ⅱ、Ⅲ2130%过氧化氢Ⅰ、Ⅱ、Ⅲ22碘Ⅱ、Ⅲ23*氯化汞Ⅱ、Ⅲ24溴化钾Ⅱ、Ⅲ25*重铬酸钾Ⅰ、Ⅱ、Ⅲ26氢氧化钾Ⅰ、Ⅱ、Ⅲ27碘化钾Ⅰ、Ⅱ、Ⅲ28高锰酸钾Ⅰ、Ⅱ、Ⅲ29硝酸银Ⅰ、Ⅱ、Ⅲ30氢氧化钠Ⅰ、Ⅱ、Ⅲ3l氯化亚锡Ⅱ、Ⅲ32硼酸Ⅱ、Ⅲ33发烟硝酸Ⅱ34乙醇(95%)Ⅱ、Ⅲ35草酸铵Ⅰ、Ⅱ、Ⅲ36硫酸铵Ⅱ、Ⅲ37三氯化锑Ⅱ、Ⅲ38偶氮胂Ⅲ[2,7—双(2—苯砷酸—1—偶氮)—1,8—二羟基萘—3,6—二磺酸]Ⅱ39十水合四硼酸钠(四硼酸钠)Ⅰ、Ⅱ、Ⅲ40氯化镉Ⅱ、Ⅲ41六水合氯化钴(氯化钴)Ⅱ、Ⅲ42六水合硝酸钴(硝酸钻)Ⅱ、Ⅲ43七水合硫酸钴(硫酸钻)Ⅱ、Ⅲ44二水合氯化铜(氯化铜)Ⅱ、Ⅲ45氯化亚铜Ⅱ、Ⅲ46硝酸铜Ⅱ、Ⅲ47氧化铜(粉状)Ⅱ、Ⅲ48线状氧化铜Ⅱ49硫酸铜Ⅱ、Ⅲ50氯金酸(氯化金)Ⅱ51氯化羟胺(盐酸羟胺)Ⅰ、Ⅱ、Ⅲ52氯化锂Ⅱ、Ⅲ53汞Ⅱ54*黄色氧化汞Ⅱ、Ⅲ55六水合氯化镍(氯化镍)Ⅰ、Ⅱ、Ⅲ56硝酸镍Ⅰ、Ⅱ、Ⅲ57六水合硫酸镍<硫酸镍)Ⅰ、Ⅱ、Ⅲ58过二硫酸钾(过硫酸钾)Ⅱ、Ⅲ59草酸钠Ⅰ、Ⅱ60乙酸酐Ⅱ、Ⅲ61柠檬酸Ⅰ、Ⅱ、Ⅲ62异戊醇(3—甲基—1—丁醇)Ⅱ、Ⅲ63DL—丙氨酸生化试剂64正丁醇Ⅱ、Ⅲ65硫酸铝Ⅱ、Ⅲ66磷酸氢二铵Ⅱ、Ⅲ67磷酸二氢铵Ⅱ、Ⅲ68偏钒酸铵Ⅱ、Ⅲ69乙酸异戊酯Ⅱ、Ⅲ70碳酸钙Ⅱ、Ⅲ71活性炭Ⅱ、Ⅲ72还原铁粉Ⅱ、Ⅲ73三氯化铁Ⅱ、Ⅲ74七水合硫酸亚铁(硫酸亚铁)Ⅱ、Ⅲ75顺丁烯二酸酐Ⅱ、Ⅲ76碳酸钾Ⅰ、Ⅱ、Ⅲ77磷酸氢二钾Ⅱ、Ⅲ78磷酸二氢钾Ⅱ、Ⅲ79焦硫酸钾Ⅱ、Ⅲ80硫酸钾Ⅱ、Ⅲ81二水合柠檬酸三钠(柠檬酸三钠)Ⅱ、Ⅲ82磷酸氢二钠Ⅰ、Ⅱ、Ⅲ83磷酸钠Ⅱ、Ⅲ84四苯硼钠Ⅱ、Ⅲ85磷酸三丁酯Ⅱ、Ⅲ86五氧化二钒Ⅰ、Ⅱ、Ⅲ87*三氧化二砷Ⅰ、Ⅱ、Ⅲ88三氧化铬Ⅱ、Ⅲ89乙二胺四乙酸Ⅱ、Ⅲ90*重铬酸铵Ⅱ、Ⅲ91硫酸铁(Ⅲ)铵Ⅱ、Ⅲ92六水合硫酸铁(Ⅱ)铵(硫酸亚铁铵)Ⅱ、Ⅲ931,4—二氧六环Ⅱ、Ⅲ941,2—二氯乙烷Ⅱ、Ⅲ95乙二胺Ⅱ9650%硝酸锰溶液Ⅱ、Ⅲ97一水合硫酸锰(硫酸锰)Ⅱ、Ⅲ98氯酸钾Ⅱ、Ⅲ99铬酸钾Ⅰ、Ⅱ、Ⅲ100六氰合铁(Ⅲ)酸钾(铁氰化钾)Ⅱ、Ⅲ101六氰合铁(Ⅱ)酸钾(亚铁氰化钾)Ⅱ、Ⅲ102硝酸钾Ⅰ、Ⅱ、Ⅲ103亚硫酸氢钠Ⅱ、Ⅲ104*重铬酸钠Ⅱ、Ⅲ105硫代硫酸钠Ⅰ、Ⅱ、Ⅲ106硫脲Ⅱ、Ⅲ107甲苯Ⅱ、Ⅲ108脲(尿素)Ⅱ、Ⅲ109二甲苯Ⅱ、Ⅲ110酒石酸Ⅱ、Ⅲ111乙酸铵Ⅰ、Ⅱ、Ⅲ112苯胺Ⅱ、Ⅲ113乙酸丁酯Ⅱ、Ⅲ114环己酮Ⅱ、Ⅲ115乙酸乙酯Ⅱ、Ⅲ116葡萄糖Ⅱ、Ⅲ117六次甲基四胺Ⅱ、Ⅲ118硝基苯Ⅱ、Ⅲ119四水合酒石酸钾钠(酒石酸钾钠)Ⅰ、Ⅱ、Ⅲ120三水合乙酸钠(乙酸钠)Ⅰ、Ⅱ、Ⅲ121无水乙酸钠Ⅰ、Ⅱ、Ⅲ122碳酸氢钠Ⅰ、Ⅱ、Ⅲ123无水硫酸钠Ⅱ、Ⅲ124无水亚硫酸钠Ⅱ、Ⅲ125蔗糖Ⅱ、Ⅲ126甲酸Ⅱ、Ⅲ127氢氟酸Ⅰ、Ⅱ、Ⅲ128五氧化二磷Ⅱ、Ⅲ129邻苯二甲酸酐Ⅱ、Ⅲ130氟化氢铵Ⅱ、Ⅲ131氟化铵Ⅰ、Ⅱ、Ⅲ132石油醚Ⅱ133氧化镁Ⅱ、Ⅲ134邻苯二甲酸氢钾Ⅱ135二水合氟化钾(氟化钾)Ⅱ、Ⅲ136吡啶Ⅱ、Ⅲ137无水碳酸钠Ⅰ、Ⅱ、Ⅲ138氟化钠Ⅰ、Ⅱ、Ⅲ139无砷锌Ⅱ140氧化锌Ⅱ、Ⅲ141氢溴酸Ⅱ、Ⅲ142十二水合硫酸铝钾(硫酸铝钾)Ⅱ、Ⅲ143氯化铵Ⅰ、Ⅱ、Ⅲ144硝酸铵Ⅰ、Ⅱ、Ⅲ145硫氰酸铵Ⅱ、Ⅲ146碳酸钡Ⅱ、Ⅲ147氯化钡Ⅰ、Ⅱ、Ⅲ148硫酸钡Ⅱ、Ⅲ149溴Ⅰ、Ⅱ、Ⅲ150硫氰酸钾Ⅰ、Ⅱ、Ⅲ151溴化钠Ⅱ、Ⅲ152硫氰酸钠Ⅰ、Ⅱ、Ⅲ1535—磺基水杨酸Ⅱ、Ⅲ154丁二酮肟(二甲基乙二醛肟)Ⅱ155三水合乙酸铅(乙酸铅)Ⅱ、Ⅲ156氯化镁Ⅰ、Ⅱ、Ⅲ157硫酸镁Ⅰ、Ⅱ、Ⅲ158氯化钾Ⅰ、Ⅱ、Ⅲ159氯化钠Ⅰ、Ⅱ、Ⅲ160硝酸钠Ⅱ、Ⅲ161亚硝酸钠Ⅱ、Ⅲ162结晶四氯化锡Ⅱ、Ⅲ163氯化锌Ⅱ、Ⅲ164七水合硫酸锌(硫酸锌)Ⅱ、Ⅲ165溴酸钾Ⅱ、Ⅲ166碘酸钾Ⅰ、Ⅱ167硝酸钡...

1、当您付费下载文档后,您只拥有了使用权限,并不意味着购买了版权,文档只能用于自身使用,不得用于其他商业用途(如 [转卖]进行直接盈利或[编辑后售卖]进行间接盈利)。
2、本站所有内容均由合作方或网友上传,本站不对文档的完整性、权威性及其观点立场正确性做任何保证或承诺!文档内容仅供研究参考,付费前请自行鉴别。
3、如文档内容存在违规,或者侵犯商业秘密、侵犯著作权等,请点击“违规举报”。

碎片内容

实施工业产品生产许可证的危险化学品

确认删除?
VIP
微信客服
  • 扫码咨询
会员Q群
  • 会员专属群点击这里加入QQ群
客服邮箱
回到顶部