电脑桌面
添加小米粒文库到电脑桌面
安装后可以在桌面快捷访问

《材料力学2》机械设计制造及自动化专用VIP免费

《材料力学2》机械设计制造及自动化专用_第1页
1/6
《材料力学2》机械设计制造及自动化专用_第2页
2/6
《材料力学2》机械设计制造及自动化专用_第3页
3/6
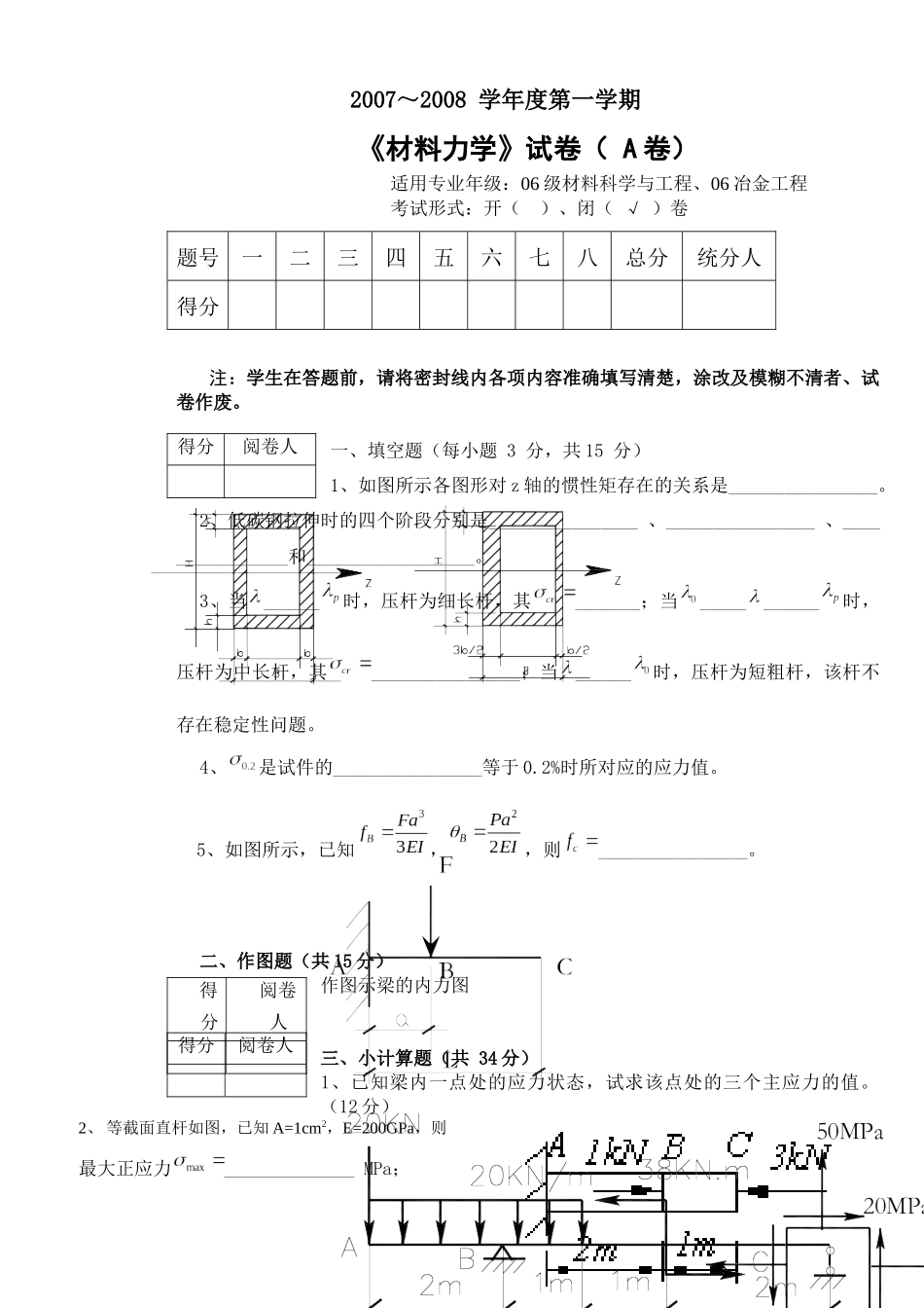
2007~2008学年度第一学期《材料力学》试卷(A卷)适用专业年级:06级材料科学与工程、06冶金工程考试形式:开()、闭(√)卷注:学生在答题前,请将密封线内各项内容准确填写清楚,涂改及模糊不清者、试卷作废。一、填空题(每小题3分,共15分)1、如图所示各图形对z轴的惯性矩存在的关系是________________。2、低碳钢拉伸时的四个阶段分别是________________、________________、________________和__________________。3、当______时,压杆为细长杆,其_______;当___________时,压杆为中长杆,其________________;当______时,压杆为短粗杆,该杆不存在稳定性问题。4、是试件的________________等于0.2%时所对应的应力值。5、如图所示,已知,,则________________。二、作图题(共15分)作图示梁的内力图三、小计算题(共34分)1、已知梁内一点处的应力状态,试求该点处的三个主应力的值。(12分)2、等截面直杆如图,已知A=1cm2,E=200GPa,则最大正应力______________MPa;题号一二三四五六七八总分统分人得分得分阅卷人得分阅卷人得分阅卷人总变形量_________________mm。(10分)、承重装置如图所示,已知A、B、C、D处均为铰链连接,且AB=CD=BC=a=0.5m,BE=r=0.15m,G=490N,杆ABD杆,求A、C处的约束反力。(12分)四、计算题(共36分)图1、图示槽形截面悬臂梁,F=20N,M=80N·m,许用拉应力,许用压应力,试校核梁的强度。已知中性轴的惯性矩为,。(12分)2、图示转轴AB由电机带动,轴长l=1m,直径d=70mm,在跨中央装有带轮,轮的直径D=1m,重力不计,带紧边和松边的张力分别为F1=4kN,F2=2kN,转轴的许用应力为[σ]=140MPa,试按第四强度理论校核转轴的强度。(12分)、如图十三所示。已知AB为A3钢,杆,,,,,。试校核AB杆。分)第2页共6页CBAl/2l/2DdF1F2aGEDCBAaar450450得分阅卷人2007~2008学年度第一学期《材料力学》试卷(A卷)评阅标准及考核说明适用专业年级:考试形式:开()、闭(√)卷题号一二三四五六七八总分统分人得分注:学生在答题前,请将密封线内各项内容准确填写清楚,涂改及模糊不清者、试卷作废。一、[教师答题时间:5分钟]选择题(每小题3分,共15分。)1、[三基类]相等2、[三基类]弹性阶段、屈服阶段、强化阶段、颈缩阶段3、[三基类];;,<;;<4、[三基类]残余变形5、[三基类]二、作图题(共15分)1、[三基类][教师答题时间:8分钟]……解:1、求支反力(5分)2、绘FS图(5分)3、绘M图(5分)第3页共6页院(系):__________班级:教学班:任课教师:姓名:学号:出题教师:教研室主任审核:院(系)主任签字:印题份数:以下内容由教师填写以下内容由学生填写答案得分阅卷人得分阅卷人三、小计算题(共34分)1、[三基类][教师答题时间:8分钟]……解:(1)写出各面应力值(3分)(2)计算:(6分)(3)写出主应力值(3分)2、[三基类][教师答题时间:8分钟]……解:(1)绘内力图(2分)(2)计算最大正应力(4分)(3)计算总变形量(4分)3、[一般综合型][教师答题时间:8分钟]……解:(1)取整体为脱离体求(6分)第4页共6页得分阅卷人(2)取BC为脱离体求(6分)将代入(c)式得:四、计算题(每题12分,共36分)1、[一般综合][教师答题时间:8分钟]……解:(1)绘内力图(4分)(2)计算最大拉应力和最大压应力及位置判别(2分)拉应力危险面位置:B左截面上边缘、B右截面下边缘。(3)应力计算,强度校核(6分)B左截面:B右截面2、[综合型][教师答题时间:8分钟]……解:(1)计算简图(2分)(2)绘内力图(6分)第5页共6页得分阅卷人(3)强度校核(4分)3、[综合型][教师答题时间:8分钟]……解:(1)杆工作时的应力(3分)(2)判断(2分)中柔度杆,采用经验公式。(3)计算临界应力(3分)(4)计算临界荷载(2分)(5)稳定性校核(2分)安全。第6页共6页

1、当您付费下载文档后,您只拥有了使用权限,并不意味着购买了版权,文档只能用于自身使用,不得用于其他商业用途(如 [转卖]进行直接盈利或[编辑后售卖]进行间接盈利)。
2、本站所有内容均由合作方或网友上传,本站不对文档的完整性、权威性及其观点立场正确性做任何保证或承诺!文档内容仅供研究参考,付费前请自行鉴别。
3、如文档内容存在违规,或者侵犯商业秘密、侵犯著作权等,请点击“违规举报”。

碎片内容

《材料力学2》机械设计制造及自动化专用

状元书阁+ 关注
实名认证
内容提供者

爱好英语教学和互联网行业,热爱教育事业,兢兢业业

确认删除?
VIP
微信客服
  • 扫码咨询
会员Q群
  • 会员专属群点击这里加入QQ群
客服邮箱
回到顶部