电脑桌面
添加小米粒文库到电脑桌面
安装后可以在桌面快捷访问

建筑装饰概论VIP免费

建筑装饰概论_第1页
1/14
建筑装饰概论_第2页
2/14
建筑装饰概论_第3页
3/14
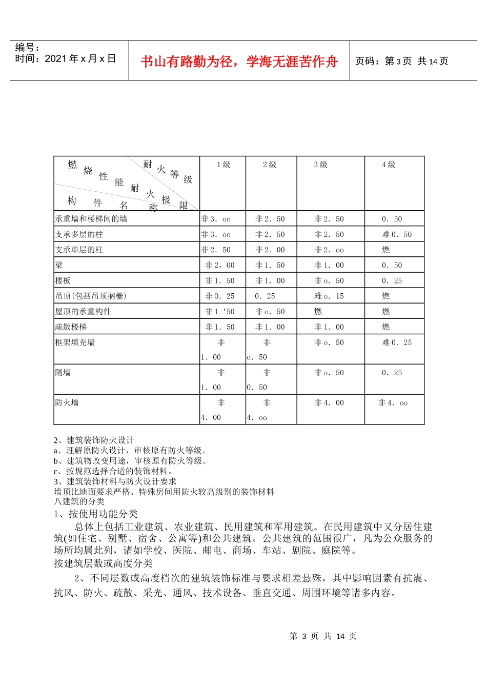
第1页共14页编号:时间:2021年x月x日书山有路勤为径,学海无涯苦作舟页码:第1页共14页建筑装饰构造概论§1建筑装饰构造概论一、建筑装饰构造的定义建筑装饰:建筑装饰指建筑物主体工程完成后所进行的装璜与修饰处理建筑三要素:功能、形象、物质技术条件功能:它的实用性形象:它的艺术形象物质技术条件:指进行装饰用到的手段:材料,结构,施工技术。二、建筑装饰构造:主要是研究对建筑物内外表面以及某些部位进行装璜和装修时所使用建筑装饰材料和制品组成构成原理、及其与建筑主体之间的联结联系方法。三、本课程的内容:主要阐述建筑物各装修部位的装饰要求,介绍有关装饰材料的选择和应用,施工方法的合理性,还要训练学生掌握建筑装饰施工图的技能。四、要求与目的:目的:初步了解目前经常采用的装饰材料的基本性能、规格及构造节点和搭接方法,以便在设计中合理利用。要求:同学们通过对材料的接触、施工现场的参观,最好还要参加一些施工实践。五建筑相关的法规建筑装饰是建筑行业的重要组成部分,我国政府对建筑业制定的方针、政策、法律与法规同样适用于建筑装饰。1986年国家发布了以“适用、安全、经济、美观”八字为基本精神的建筑方针是我国建筑业在相当长的发展进程中必须遵循的指导思想。1997年11月国家发布了<中华人民共和国建筑法),把我国的建筑方针和针对这个方针所采取的相关措施和标准具体化、法制化、规范化,为我国建筑业的健康、高速和稳步发展奠定了可靠的基础。落实到建筑装饰这一分支,必须遵守下列各项规定:1、装饰工程必须按程序进行方案设计、技术设计和施工图设计。设计部门和设计人必须具备相应等级的资质条件和证书。2、承包建筑装饰工程的施工部门必须具备相应等级的资质条件和证书,并须通过公开、公开投标竞争选拔中标方可承包。3、建筑装饰工程的标准、设计、投资、管理、质量、进度必须接受国家指定的强制监理工程的工程监理,工程质量应委托质量监督部门监督。4、建筑装饰工程严禁破坏原有建筑的受力结构,也不得超越原设计荷载、水电等设备负荷限值。5、建筑装饰工程不得擅自封堵原设计通道、出人口、通风口、排烟口,以及疏散、防火设施。6、建筑装饰工程所用材料应为耐火、无臭、无毒、无害产品,并须经国家检测部门检验许可方可使用。对木材等易燃品,必须经国家指定部门进行防火处理。7、建筑装饰工程竣工后,需在建设方的主持下,会同监理方、施工方、质检方和城规、消防、贷款:等有关部门进行严格检查、测试、评定,合格后方可验收交付使用。施工方须对工程予以一一年期间的调试与维修。六建筑的模数为了使建筑制品、建筑构配件和组合件实现工业化大规模生产,使不同材料、形式和制造方法的建筑构配件、组合件具有较大的通用性和互换性,以加快设计速度、提高施工质量和效率、降低建筑造价,国家颁发了<房屋建筑模数协调标准)(GBJ2--86)。房屋建筑模数包括基本模数和导出模数两部分,导出模数又分扩大模数和分模数两部分。基本模数M为100mm,即M:100m;扩大模数中的水平扩大模数基数为基本模数的整倍数,有3M:3000mm、6M二第2页共14页第1页共14页编号:时间:2021年x月x日书山有路勤为径,学海无涯苦作舟页码:第2页共14页6000mm、12M=12000mm、15M=15000mm,30M二30000mm和60M=60000mm;竖向扩大模数基数为3M=3000mm和6M=6000mm。分模数基数为1/10M二10mm、1/5M=20mm和1/2M=50mm。民用建筑中的水平尺寸,如门窗洞宽、房间开间和进深等均采用3M,如900、1500、2700、4200mm等;竖向尺寸如门窗洞高、楼层层高等也采用3M,如2100、2700、4800mm等。其中住宅建筑的层高不在此列,而采用1M,如2800、2900mm等。工业建筑中的水平尺寸,如柱距和跨度,大多采用6M,如6000、12000、18000mm等;但竖向尺寸,如柱高、檐高仍多采用3M,如6300、7500mm等。对于尺寸较小的制品厚度、边缘、缝隙等,则采用分模数,如窗台板厚为20nlrn、预制板缝为10mm等。用于装饰工程的制品也多遵循这一标准,如常用的胶合板、纸面石膏板、波形瓦楞板、玻璃、聚苯板等的外观尺寸大多是(900、1200、1500)X(1800、2100、2400)mm等。当然,在实际工程中...

1、当您付费下载文档后,您只拥有了使用权限,并不意味着购买了版权,文档只能用于自身使用,不得用于其他商业用途(如 [转卖]进行直接盈利或[编辑后售卖]进行间接盈利)。
2、本站所有内容均由合作方或网友上传,本站不对文档的完整性、权威性及其观点立场正确性做任何保证或承诺!文档内容仅供研究参考,付费前请自行鉴别。
3、如文档内容存在违规,或者侵犯商业秘密、侵犯著作权等,请点击“违规举报”。

碎片内容

建筑装饰概论

确认删除?
VIP
微信客服
  • 扫码咨询
会员Q群
  • 会员专属群点击这里加入QQ群
客服邮箱
回到顶部