电脑桌面
添加小米粒文库到电脑桌面
安装后可以在桌面快捷访问

建筑工程冲专业讲座VIP免费

建筑工程冲专业讲座_第1页
1/97
建筑工程冲专业讲座_第2页
2/97
建筑工程冲专业讲座_第3页
3/97
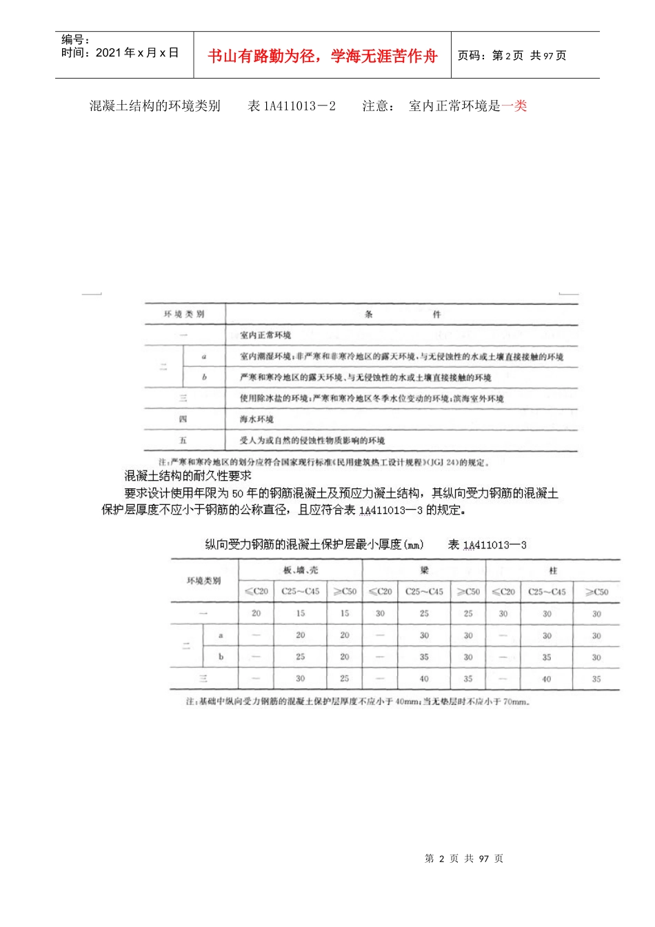
第1页共97页编号:时间:2021年x月x日书山有路勤为径,学海无涯苦作舟页码:第1页共97页建筑工程冲讲义建筑工程技术(一)1A410000建筑工程技术lA411000房屋结构工程技术1A411010房屋结构工程的可靠性技术要求lA411011掌握房屋结构的安全性要求结构的功能要求:安全性,适用性,耐久性。结构杆件的基本受力形式:拉伸、压缩、弯曲、剪切和扭转。1A411012掌握房屋结构的耐久性要求结构设计使用年限:临时建筑:5年;普通房屋:50年;纪念性建筑:100年。第2页共97页第1页共97页编号:时间:2021年x月x日书山有路勤为径,学海无涯苦作舟页码:第2页共97页混凝土结构的环境类别表1A411013-2注意:室内正常环境是一类第3页共97页第2页共97页编号:时间:2021年x月x日书山有路勤为径,学海无涯苦作舟页码:第3页共97页lA411021建筑荷载一、荷载的分类(一)按随时间的变异分类1.永久作用(永久荷载或恒载):在设计基准期内,其值不随时间变化;或其变化可以忽略不计。如结构自重、土压力、预加应力、混凝土收缩、基础沉降、焊接变形等。2.可变作用(可变荷载或活荷载):在设计基准期内,其值随时间变化。如安装荷载、屋面与楼面活荷载、雪荷载、风荷载、吊车荷载、积灰荷载等。3.偶然作用(偶然荷载、特殊荷载):在设计基准期内可能出现,也可能不出现,而一旦出现其值很大,且持续时间较短。例如爆炸力、撞击力、雪崩、严重腐蚀、地震、台风等。(二)按结构的反应分类1.静态作用或静力作用:不使结构或结构构件产生加速度或所产生的加速度可以忽略不计,如结构自重、住宅与办公楼的楼面活荷载、雪荷载等。2.动态作用或动力作用:使结构或结构构件产生不可忽略的加速度,例如地震作用、吊车设备振动、高空坠物冲击作用等。(三)按荷载作用面大小分类l.均布面荷载Q第4页共97页第3页共97页编号:时间:2021年x月x日书山有路勤为径,学海无涯苦作舟页码:第4页共97页建筑物楼面或墙面上分布的荷载,如铺设的木地板、地砖、花岗石、大理石面层等重量引起的荷载。2.线荷载建筑物原有的楼面或层面上的各种面荷载传到梁上或条形基础上时可简化为单位长度上的分布荷载称为线荷载q。3.集中荷载当在建筑物原有的楼面或屋面承受一定重量的柱子,放置或悬挂较重物品(如洗衣机、冰箱、空调机、吊灯等)时,其作用面积很小,可简化为作用于某一点的集中荷载。(四)按荷载作用方向分类1.垂直荷载:如结构自重、雪荷载等;2.水平荷载:如风荷载、水平地震作用等。二、施工荷载在施工过程中,将对建筑结构增加一定数量的施工荷载,如电动设备的振动、在房间放置大量的砂石等建筑材料,可能使得建筑物局部面积上的荷载值远远超过设计允许的范围。三、建筑装饰装修变动对建筑结构的影响及对策1.建筑装饰装修对建筑结构的影响在装饰装修过程中,如有结构变动,或增加荷载时,应注意:(1)将各种增加的装修装饰荷载控制在允许范围以内,如果做不到这一点,应对结构进行重新验算,必要时应采取相应的加固补强措施。(2)建筑装饰装修工程设计必须保证建筑物的结构安全和主要使用功能。当涉及主体和承重结构改动或增加荷载时,必须由原结构设计单位或具备相应资质的设计单位核查有关原始资料,对既有建筑结构的安全性进行核验、确认。(3)建筑装饰装修工程施工中,严禁违反设计文件擅自改动建筑主体、承重结构或主要使用功能;严禁未经设计确认和有关部门批准擅自拆改水、暖、电、燃气、通信等配套设施。2.在楼面上加铺任何材料属于对楼板增加了面荷载*装配式楼板结构,为了加强结构的整体性、抗震性能,常在楼板上做现浇的钢筋混凝土叠合层,厚度50~80mm;严禁采用凿掉叠合层以减轻荷载的方法,进行楼面装修。*吊点应在钢筋混凝土圆孔板的板缝处下膨胀螺栓。3.在室内增加隔墙、封闭阳台,属于增加的线荷载(1)在室内采用砌块墙体隔墙时,应对楼板进行加固,以满足承载力的要求。(2)阳台装修时改变使用功能,应征求原设计单位的意见,或请有资质的单位重新设计。第5页共97页第4页共97页编号:时间:2021年x月x日书山有路勤为径,学海无涯苦作舟页码:第5页共97页4.在室内增加装饰性的柱子,特别是石柱,悬挂较大的...

1、当您付费下载文档后,您只拥有了使用权限,并不意味着购买了版权,文档只能用于自身使用,不得用于其他商业用途(如 [转卖]进行直接盈利或[编辑后售卖]进行间接盈利)。
2、本站所有内容均由合作方或网友上传,本站不对文档的完整性、权威性及其观点立场正确性做任何保证或承诺!文档内容仅供研究参考,付费前请自行鉴别。
3、如文档内容存在违规,或者侵犯商业秘密、侵犯著作权等,请点击“违规举报”。

碎片内容

建筑工程冲专业讲座

您可能关注的文档

确认删除?
VIP
微信客服
  • 扫码咨询
会员Q群
  • 会员专属群点击这里加入QQ群
客服邮箱
回到顶部