电脑桌面
添加小米粒文库到电脑桌面
安装后可以在桌面快捷访问

建筑电气技术投标样板VIP免费

建筑电气技术投标样板_第1页
1/36
建筑电气技术投标样板_第2页
2/36
建筑电气技术投标样板_第3页
3/36
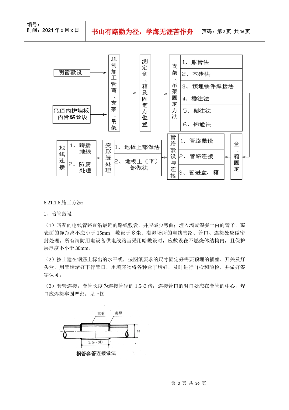
第1页共36页编号:时间:2021年x月x日书山有路勤为径,学海无涯苦作舟页码:第1页共36页6.21电气安装工程:电气安装工程施工范围主要包括:配电系统、照明系统、动力系统、防雷接地系统、(其中生产机房楼二和生产控制楼仅做埋管穿带线及预留箱盒和防雷接地系统)弱电系统(其中弱电系统作埋管穿带线及预留箱盒)6.21.1钢管敷设工程工程特点及要求:6.21.1.1材质说明:1、焊接钢管和套接紧定式钢导管(JDG管)的壁厚均匀,焊缝均匀,无劈裂、砂眼、棱刺和凹扁现象,焊接钢管需预先除锈刷防锈漆(现浇混凝土时,可不刷防锈漆,但应除锈)JDG管或刷过防锈漆的钢管外表层完整无剥落现象,并有产品合格证。2、铁制灯头盒、开关盒、接线盒等,金属盒板厚度应符合要求,镀锌层无剥落,无变形开焊,敲落口完整无缺,面板安装空与地线焊接角齐全,并有产品合格证。3、圆钢、扁钢、角钢等镀锌层完整无损,并有产品合格证。4、螺栓、螺丝、膨胀螺栓、螺母、垫圈等应采用镀锌件。铅丝、电焊条、防锈漆、水泥、机油等无过期变质现象。6.21.1.2机具准备:1、煨管器、液压煨管器、液压开孔器、压力案子、套丝机。2、手锤、錾子、钢锯、扁锉、圆锉、活扳子。3、铅笔、皮尺、水平尺、线坠、油桶、油刷、粉线袋等。4、手电钻、台钻、钻头、绝缘手套、高凳等。6.21.1.3作业条件:1、现浇混凝土板内配管,在底层钢筋绑扎完后,上层钢筋未绑扎前,根据施工图尺寸位置配合土建施工。2、内部装修时,配合土建做好吊顶灯位及电气器具位置翻样图,并在吊顶或地面弹出实际位置。电气系统的预留预埋主要体现为电气管路随土建结构的预留预埋、设计要求的进出建筑物的电气预留套管和穿墙、穿楼板的预留孔洞,以及设备安装的预埋件。施工人员在配合结构施工时,必须熟悉图纸,根据图纸的预留位置及尺寸,准确、及时的做好电气管路及孔洞的预留、预埋工作。有些需要预留的较小孔洞设计图纸中未必标出,施工人员需根据实际情况和设备安装的要求以及施工经验进行必要的预留。在保证施工进度及创优工程的前提下,与土建同步,并且紧密配合做好预留预埋工作。在预留预埋中不应出现遗漏,以免给后续的安装工作造成不必要的麻烦。6.21.1.4暗配管工艺流程:第2页共36页第1页共36页编号:时间:2021年x月x日书山有路勤为径,学海无涯苦作舟页码:第2页共36页6.21.1.5明配管工艺流程:第3页共36页第2页共36页编号:时间:2021年x月x日书山有路勤为径,学海无涯苦作舟页码:第3页共36页6.21.1.6施工方法:1、暗管敷设(1)暗配的电线管路宜沿最近的路线敷设,并应减少弯曲;埋入墙或混凝土内的管子,离表面的净距离不应小于15mm;敷设于多尘、潮湿场所的电线管路、管口、连接处应做密封处理。所有消防用电设备供电线路当采用暗敷设时,应敷设在不燃烧体结构内,且保护层厚度不小于30mm。(2)按土建在钢筋上标出的水平线,按图纸要求的尺寸固定好需要预埋的插座、开关及灯头盒,用管堵堵好下行管口,用填充物将各种盒子堵好,及时进行自检和隐检,并做好签字认可。(3)套管连接:套管长度为连接管径的1.5~3倍;连接管口的对口处应在套管的中心,焊口应焊接牢固严密。见下图第4页共36页第3页共36页接地线5预留进线管孔配电箱开孔板示意图编号:时间:2021年x月x日书山有路勤为径,学海无涯苦作舟页码:第4页共36页(4)当管路超过下列长度时,应增设接线盒,且盒的位置应便于穿线。管长度每超过30m,无弯曲;管长度每超过20m,有一个弯曲;管长度每超过15m有二个弯曲;管长度每超过8m,有三个弯曲。5)钢管丝扣连接,套丝不得有乱扣现象;管箍必须使用通丝管箍。上好管箍后,管口应对严,外露丝应不多于3扣。见下图:(5)管路进配电箱、盒的连接采用锁紧螺母固定,露出锁母的丝扣为2~3扣;并要求一管一孔,开孔整齐并与管径相吻合,不得开长孔,严禁用电气焊开孔。两根以上的管入盒箱要长短一致,间距均匀,排列整齐。见下图:(5)管路进配电箱的连接采用锁紧螺母固定,并要求一管一孔,具体做法见图11-5-7;第5页共36页第4页共36页编号:时间:2021年x月x日书山有路勤为径,学海无涯苦作舟页码:第5页共36页图11-5-7管路...

1、当您付费下载文档后,您只拥有了使用权限,并不意味着购买了版权,文档只能用于自身使用,不得用于其他商业用途(如 [转卖]进行直接盈利或[编辑后售卖]进行间接盈利)。
2、本站所有内容均由合作方或网友上传,本站不对文档的完整性、权威性及其观点立场正确性做任何保证或承诺!文档内容仅供研究参考,付费前请自行鉴别。
3、如文档内容存在违规,或者侵犯商业秘密、侵犯著作权等,请点击“违规举报”。

碎片内容

建筑电气技术投标样板

您可能关注的文档

确认删除?
VIP
微信客服
  • 扫码咨询
会员Q群
  • 会员专属群点击这里加入QQ群
客服邮箱
回到顶部