电脑桌面
添加小米粒文库到电脑桌面
安装后可以在桌面快捷访问

第一包:汽车单片机系统实训台VIP免费

第一包:汽车单片机系统实训台_第1页
1/10
第一包:汽车单片机系统实训台_第2页
2/10
第一包:汽车单片机系统实训台_第3页
3/10
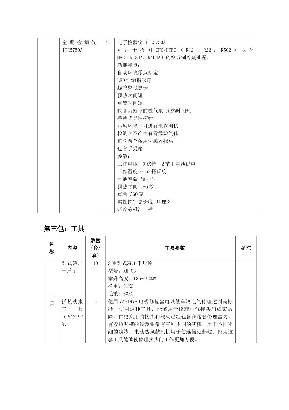
第一包:故障大师名称内容数量主要参数汽车电控实训系统汽车电控系统仿真实训台--故障大师20台一、系统组成:汽车电控故障仿真系统(硬件,软件,课程三者相结合)二、工作条件:电源要求:AC220V±10%,50Hz;环境温度:0-40℃;环境湿度:不大于90%。三、硬件部分:1、采用实车部件的模拟结构组件:包括传感器,执行器,仪表,开关,控制电路图,继电器、各种模拟装置等。2、详细仿真功能模块:发动机电控燃油喷射系统电路及电路图,空调风扇系统电控电路,电子油门系统,燃油泵控制电路,继电器马达控制电路,汽车大灯灯光控制电路,汽车启动蓄电池电路,凸轮轴调整控制电路,二次空气供给控制电路四、软件部分1、课程部分:配备丰富的78课时程内容及教师手册共78课时1本,学生手册共78课时1本,手册专业化的术语和通俗的解释完美演绎了一个全新的教学模式;汽车电控故障仿真系统应包含至少78个以上的典型实车故障案例,通过实操模式和排除模式使学生树立正确的诊断思维流程图,让学员科学化的有序思维。故障应融合丰富的实车维修经验与真实的案例分析,课程体系符合美国ASE(汽车维修行业协会)标准教学要求;2、系统功能可以仿真汽车故障症状,让学生感知故障状态,并由症状入手,进行多系统,综合故障诊断分析测量,可通过仿真系统进行有无故障的症状对比;可模拟故障设置与模拟故障排除,丰富的实车维修经验与真实的案例分析。可直接从面板上,利用汽车维修常用工具如,数字万用电表,解码器,多通道示波器等,测量电路系统的信号参数OBDII的内容,便于在教室里做实操培训;五、工艺外观产品规格尺寸:650mm*650mm*152mm管路分布合理及标识清楚,彩色喷绘原理图;便于安装、搬运、移动式、操作训练及维修更换;既能满足产品的性能与安全要求,又能满足人机工程学的要求。六、电气安全措施总开关具有过载、短路、漏电保护措施,漏电动作电≤30mA,动作时间≤0.1s。七、课程内容故障大师™中上百多种故障诊断方法,课程分为初、中、高三个等级。包括:电源电路、接地电路、开路、短路、电瓶、充电系统、灯光电路、继电器、电动机、不摇转、不起动、OBDII故障码的动力性、无故障码的动力性、以及间歇性故障...;还包含排放和数据总线故障、和PCM归零重置...等更多的模拟故障、工作不良。八、系统配置汽车电控故障仿真系统数字万用表1个九、附加说明在产品质量和价格同等的条件下,提供相关附加值的相关产品。第二包:仪器名称内容数量(台/套)主要参数仪器发动机综合分析仪博世公司原厂FSA740增强型配置1FSA740增强型:完整的诊断系统包括:发动机测试系统,控制总成诊断,汽油车尾气测试系统,高性能计算机系统。增强型,配烟度计、尾气、解码器具有高分辨率示波器功能万用表等功能。要求能测一汽大众和上海大众各种车型(如波罗、高尔夫、宝来、帕萨特、奥迪、A4、A6别克君威、君越、凯越、等车型仪器汽车专用万用表20型号:ES5951、RS-232接口可以与PC电脑通讯,使用CD光盘上的软件就可以在计算机上观察测量数据。2、最小/最大功能用于捕捉高数值或低数值读数。3、2英寸宽LCD超大屏幕显示屏,带柱图和背光。4、20安培测量范围。5、自动关闭电源。6、4个步骤调整下列参数的测量范围,包括:转速、闭合角、毫秒脉冲宽度、占空比和频率。7、57个测量范围。包括:测量探头、鳄鱼夹探头、温度探头、RS-232计算机连接电缆和Windows软件、转速夹和塑料箱。功能:AC/DC电压、毫秒、AC/DC电流、电阻、温度、电容、二级管测量、频率、占空比和连续性测量。大众汽车检测仪(5052A)4要求大众原厂仪器,能测一汽大众和上海大众各种车型(如波罗、高尔夫、宝来、帕萨特、奥迪、A4、A6等车型)空调检漏仪ITE5750A4电子检漏仪ITE5750A可用于检测CFC/HCFC(R12,R22,R502)以及HFC(R134A,R404A)的空调制冷剂泄漏。功能特点;自动环境零点标定LED泄漏指示灯蜂鸣警报提示预热时间短重置时间短包含高效率的吸气泵预热时间短手持式柔性探针污染环境下可进行泄露测试检测时不产生有毒危险气体包含两个备用传感器探头包含手提箱参数;工作电压3伏特2节干电池供电工作温度0-52摄氏度电池寿命50小时预热...

1、当您付费下载文档后,您只拥有了使用权限,并不意味着购买了版权,文档只能用于自身使用,不得用于其他商业用途(如 [转卖]进行直接盈利或[编辑后售卖]进行间接盈利)。
2、本站所有内容均由合作方或网友上传,本站不对文档的完整性、权威性及其观点立场正确性做任何保证或承诺!文档内容仅供研究参考,付费前请自行鉴别。
3、如文档内容存在违规,或者侵犯商业秘密、侵犯著作权等,请点击“违规举报”。

碎片内容

第一包:汽车单片机系统实训台

您可能关注的文档

状元书阁+ 关注
实名认证
内容提供者

爱好英语教学和互联网行业,热爱教育事业,兢兢业业

确认删除?
VIP
微信客服
  • 扫码咨询
会员Q群
  • 会员专属群点击这里加入QQ群
客服邮箱
回到顶部