电脑桌面
添加小米粒文库到电脑桌面
安装后可以在桌面快捷访问

高考物理一轮复习 第七章 实验八 测量电源的电动势和内阻讲义(含解析)-人教版高三物理试题VIP免费

高考物理一轮复习 第七章 实验八 测量电源的电动势和内阻讲义(含解析)-人教版高三物理试题_第1页
1/14
高考物理一轮复习 第七章 实验八 测量电源的电动势和内阻讲义(含解析)-人教版高三物理试题_第2页
2/14
高考物理一轮复习 第七章 实验八 测量电源的电动势和内阻讲义(含解析)-人教版高三物理试题_第3页
3/14
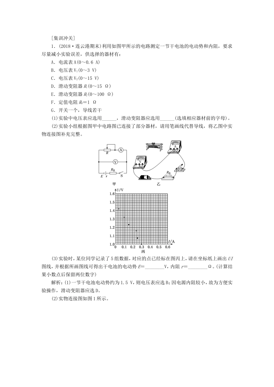
测量电源的电动势和内阻一、实验目的1.测量电源的电动势和内阻。2.加深对闭合电路欧姆定律的理解。二、实验器材电池、电压表、电流表、滑动变阻器、开关、导线、坐标纸和刻度尺。突破点(一)实验原理与操作[例1]用电流表和电压表测定由三节干电池串联组成的电池组(电动势约4.5V,内电阻约1Ω)的电动势和内电阻,除待测电池组、电键、导线外,还有下列器材供选用:A.电流表:量程0.6A,内电阻约1ΩB.电流表:量程3A,内电阻约0.2ΩC.电压表:量程3V,内电阻约30kΩD.电压表:量程6V,内电阻约60kΩE.滑动变阻器:0~1000Ω,额定电流0.5AF.滑动变阻器:0~20Ω,额定电流2A(1)为了使测量结果尽量准确,电流表应选用________,电压表应选用________,滑动变阻器应选用________(均填仪器的字母代号)。(2)下图为正确选择仪器后,连好的部分电路。为了使测量误差尽可能小,还需在电路中用导线将__________和________相连、________和________相连、________和________相连(均填仪器上接线柱的字母代号)。(3)实验时发现电流表坏了,于是不再使用电流表,剩余仪器中仅用电阻箱替换掉滑动变阻器,重新连接电路,仍能完成实验。实验中读出几组电阻箱的阻值R和对应电压表的示数U。用图像法处理采集到的数据,为在直角坐标系中得到的函数图像是一条直线,则可以________为纵坐标,以________为横坐标。[由题引知·要点谨记]4.考查利用电阻箱测E和r[对应第(3)题](1)画出利用电阻箱和电压表测量E和r的电路图。(2)根据闭合电路欧姆定律写出关于R和U的函数关系式,如下:①=·+②U=E-r③=R+[解析](1)因三节干电池的电动势约为4.5V,故电压表应选D;因干电池放电电流不宜超过0.5A,故电流表应选A;由电压表和电流表的测量范围可知滑动变阻器选用F即可。(2)本实验的实验电路如图甲所示。所以还需要用导线将a与d相连,c与g相连,f与h相连。甲乙(3)电阻箱代替滑动变阻器,实验电路图如图乙所示。根据闭合电路欧姆定律得U+r=E,整理可得三种情况:①=·+,以为纵坐标,为横坐标,在直角坐标系中图像为一条直线;②U=E-r·,以U为纵坐标,为横坐标,在直角坐标系中图像为一条直线;③=·R+,以为纵坐标,R为横坐标,在直角坐标系中图像为一条直线。[答案](1)ADF(2)adcgfh(3)[集训冲关]1.(2018·连云港期末)利用如图甲所示的电路测定一节干电池的电动势和内阻,要求尽量减小实验误差,供选择的器材有:A.电流表A(0~0.6A)B.电压表V1(0~3V)C.电压表V2(0~15V)D.滑动变阻器R1(0~15Ω)E.滑动变阻器R2(0~100Ω)F.定值电阻R0=1ΩG.开关一个,导线若干(1)实验中电压表应选用______,滑动变阻器应选用______(选填相应器材前的字母)。(2)实验小组根据图甲中电路图已连接了部分器材,请用笔画线代替导线,将乙图中实物连接图补充完整。(3)实验时,某位同学记录了5组数据,对应的点已经标在图丙上,请在坐标纸上画出UI图线,并根据所画图线可得出干电池的电动势E=________V,内阻r=________Ω。(计算结果小数点后保留两位数字)解析:(1)一节干电池电动势约为1.5V,则电压表应选B;因电源内阻较小,故为方便实验操作,滑动变阻器应选D。(2)实物连接图如图1所示。(3)UI图像如图2所示。图线与U轴的交点等于电动势,故电动势为1.48V,图线斜率的绝对值为1.60,大小等于内阻与定值电阻R0之和,故干电池内阻为0.60Ω。答案:(1)BD(2)见解析图1(3)见解析图21.48(1.47~1.49均可)0.60(0.57~0.63均可)2.(2019·沭阳模拟)用电流表和电压表测一节干电池的电动势和内阻,备有下列器材:A.待测干电池(电动势约为1.5V,内阻小于1Ω)B.电流表A(量程0~0.6A,内阻约1Ω)C.电压表V(量程0~3V,内阻约3kΩ)D.滑动变阻器R(0~20Ω,10A)E.开关和导线若干(1)图甲、乙是给出的两个供选用的电路图。为了较精确地测定电池的电动势和内阻,实验中应选用________(选填“甲”或“乙”)电路。(2)正确选择电路后,经测量得出的数据如下表,请在图丙所示的坐标纸上画出UI图像。利用图像求出该干电池的电动势和内阻分别为________V、________Ω。次数123456I/A0.120.200.310.320.500.57U/V1.371.321.2...

1、当您付费下载文档后,您只拥有了使用权限,并不意味着购买了版权,文档只能用于自身使用,不得用于其他商业用途(如 [转卖]进行直接盈利或[编辑后售卖]进行间接盈利)。
2、本站所有内容均由合作方或网友上传,本站不对文档的完整性、权威性及其观点立场正确性做任何保证或承诺!文档内容仅供研究参考,付费前请自行鉴别。
3、如文档内容存在违规,或者侵犯商业秘密、侵犯著作权等,请点击“违规举报”。

碎片内容

高考物理一轮复习 第七章 实验八 测量电源的电动势和内阻讲义(含解析)-人教版高三物理试题

您可能关注的文档

文章天下+ 关注
实名认证
内容提供者

各种文档应有尽有

确认删除?
VIP
微信客服
  • 扫码咨询
会员Q群
  • 会员专属群点击这里加入QQ群
客服邮箱
回到顶部