电脑桌面
添加小米粒文库到电脑桌面
安装后可以在桌面快捷访问

高考物理总复习 第64讲 原子核讲义-人教版高三物理试题VIP免费

高考物理总复习 第64讲 原子核讲义-人教版高三物理试题_第1页
1/10
高考物理总复习 第64讲 原子核讲义-人教版高三物理试题_第2页
2/10
高考物理总复习 第64讲 原子核讲义-人教版高三物理试题_第3页
3/10
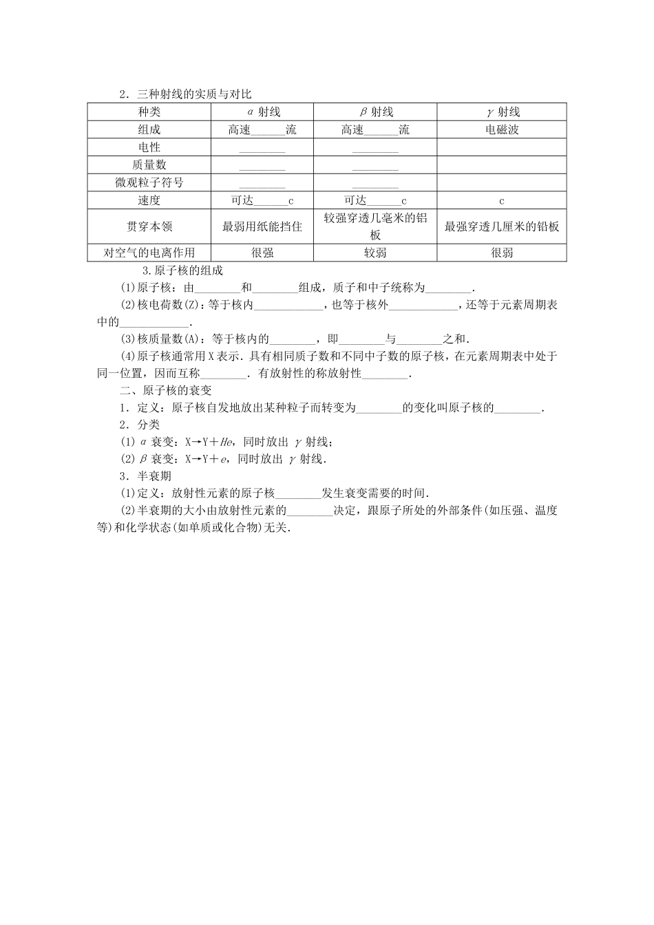
第64讲原子核考情剖析考查内容考纲要求考查年份考查详情能力要求原子核的组成、原子核的衰变半衰期、放射性同位素放射性的应用与防护、核力与结合能质量亏损、核反应方程、裂变反应聚变反应链式反应Ⅰ14年T12C(2)—填空,考查核反应方程和原子核的衰变应用数学处理物理问题15年T12C(2)—填空,考查核反应方程和裂变反应的临界体积T12C(3)—计算,考查核反应方程式和结合能推理、应用数学处理物理问题17年T12C(1)—选择,考查结合能和比结合能理解弱项清单,核反应方程的书写没有真正了解衰变的本质特征,核反应方程式书写错误,质量亏损的方程ΔE=Δmc2写错,对核反应中吸能和放能不理解.知识整合一、天然放射现象1.天然放射现象:某些元素________放射某些射线的现象称为天然放射现象,这些元素称为________.2.三种射线的实质与对比种类α射线β射线γ射线组成高速______流高速______流电磁波电性________________质量数________________微观粒子符号________________速度可达______c可达______cc贯穿本领最弱用纸能挡住较强穿透几毫米的铝板最强穿透几厘米的铅板对空气的电离作用很强较弱很弱3.原子核的组成(1)原子核:由________和________组成,质子和中子统称为________.(2)核电荷数(Z):等于核内____________,也等于核外____________,还等于元素周期表中的____________.(3)核质量数(A):等于核内的________,即________与________之和.(4)原子核通常用X表示.具有相同质子数和不同中子数的原子核,在元素周期表中处于同一位置,因而互称________.有放射性的称放射性________.二、原子核的衰变1.定义:原子核自发地放出某种粒子而转变为________的变化叫原子核的________.2.分类(1)α衰变:X→Y+He,同时放出γ射线;(2)β衰变:X→Y+e,同时放出γ射线.3.半衰期(1)定义:放射性元素的原子核________发生衰变需要的时间.(2)半衰期的大小由放射性元素的________决定,跟原子所处的外部条件(如压强、温度等)和化学状态(如单质或化合物)无关.三、放射性同位素及应用1.放射性同位素放出的射线应用于工业、探伤、农业、医疗等.2.做示踪原子.四、核反应用高能粒子轰击靶核,产生另一种新核的反应过程.典型核反应:1.卢瑟福发现质子的核反应方程为:N+He→O+H.2.查德威克发现中子的核反应方程为:Be+He→C+n.3.约里奥居里夫妇发现放射性同位素和正电子的核反应方程为:Al+He→P+n,P→Si+e.常见的核反应有:________、________、________和________.五、核力与结合能1.核力和结合能由于原子核中的核子间存在强大的核力,使得原子核成为一个坚固的集合体,要把原子核中的核子拆散,就得克服核力而做巨大的功,反之,要把核子集合成一个原子核,就要放出巨大的能量.原子核是核子结合在一起的,要把它们分开,也需要能量,这就是原子核的结合能.原子核越大,结合能越________,因此有意义的是它的结合能与核子数之比,称________,也叫平均结合能.平均结合能越________,表示原子核子核中核子结合的越牢固,原子核越稳定.2.质能方程(1)质能方程:________,m是物体的质量,c是真空中的光速.上述表明:物体的质量和能量间有一定联系,即物体具有的能量与其质量成正比,当物体的能量增加或减小ΔE,它的质量也会相应地增加或减少Δm,ΔE与Δm的关系是________.(2)质量亏损核子结合成原子核时要释放能量,按上述关系,原子核的质量要________组成原子核的核子总质量,这个质量差异叫质量亏损.3.获得核能的途径(1)重核裂变:重核俘获一个中子后分裂成为两个(或多个)中等质量核的反应过程.重核裂变的同时放出几个________,并释放出大量核能.重核裂变时发生链式反应的最小体积叫临界体积.(2)轻核聚变:某些轻核结合成质量较大的核的反应过程,同时释放出大量的核能,要想使氘和氚核合成氦核,必须达到几百万摄氏度以上的高温,因此聚变反应又叫________.方法技巧考点1原子核和原子核的衰变1.衰变规律及实质(1)两种衰变的比较衰变类型α衰变β衰变衰变方程X→Y+HeX→Y+e衰变实质2个质子和2个中子结合成一个整体射出中子转化为质子和电...

1、当您付费下载文档后,您只拥有了使用权限,并不意味着购买了版权,文档只能用于自身使用,不得用于其他商业用途(如 [转卖]进行直接盈利或[编辑后售卖]进行间接盈利)。
2、本站所有内容均由合作方或网友上传,本站不对文档的完整性、权威性及其观点立场正确性做任何保证或承诺!文档内容仅供研究参考,付费前请自行鉴别。
3、如文档内容存在违规,或者侵犯商业秘密、侵犯著作权等,请点击“违规举报”。

碎片内容

高考物理总复习 第64讲 原子核讲义-人教版高三物理试题

文章天下+ 关注
实名认证
内容提供者

各种文档应有尽有

相关文档

确认删除?
VIP
微信客服
  • 扫码咨询
会员Q群
  • 会员专属群点击这里加入QQ群
客服邮箱
回到顶部