电脑桌面
添加小米粒文库到电脑桌面
安装后可以在桌面快捷访问

杭发公司信息化工程布线-PDS-方案-03022007VIP免费

杭发公司信息化工程布线-PDS-方案-03022007_第1页
1/34
杭发公司信息化工程布线-PDS-方案-03022007_第2页
2/34
杭发公司信息化工程布线-PDS-方案-03022007_第3页
3/34
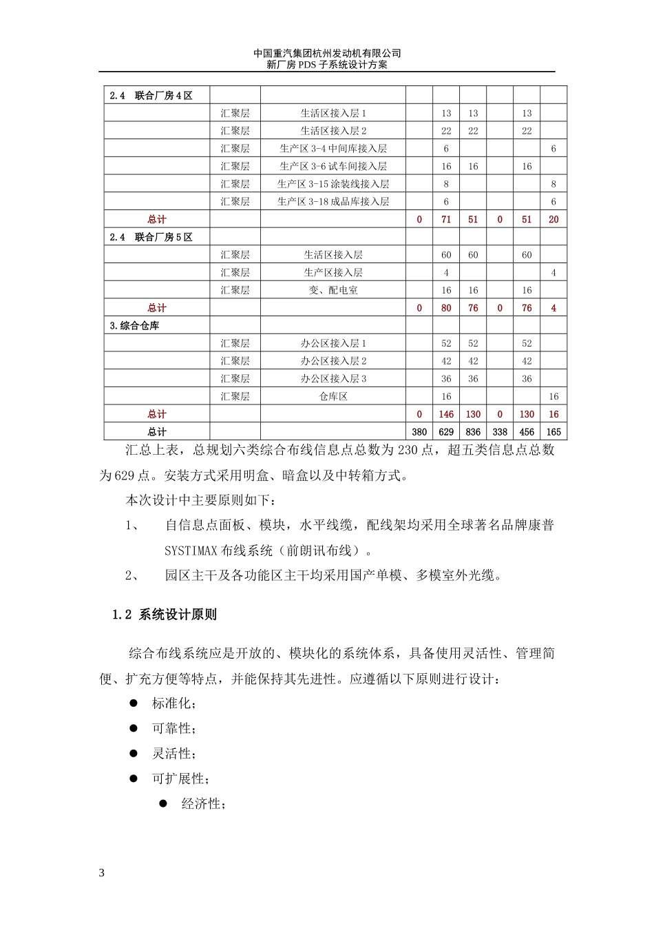
中国重汽集团杭州发动机有限公司新厂房PDS子系统设计方案中国重汽集团杭州发动机有限公司新厂房综合布线子系统设计方案1.系统概述1.1工程概况中国重汽集团杭州发动机有限公司新厂房包括:1.办公大楼2.联合厂房:联合厂房1区、联合厂房2区、联合厂房3区、联合厂房4区、联合厂房5区;3.综合仓库;4.其他相关配套设施:变配电、食堂、门卫、空压、水泵、热换、污水处理等。本次方案为中国重汽集团杭州发动机有限公司新厂房综合布线子系统之设计方案。本案为中国重汽集团杭州发动机有限公司新厂房弱电项目招标标段之一,主要规划范围是信息网络、网络布线、室内外管道工程,综合布线仅只为网络布线,同时也包含多媒体信息的传输,如触摸屏、信息发布、考勤机等,但不包括电话布线系统在内。新厂房园区,网络结构分为核心层、汇聚层、接入层三层结构,位于办公大楼2层的信息中心为园区网络核心层。办公楼、联合厂房各区、综合仓库均有各自的汇聚中心,再自汇聚中心连接到各个接入汇聚点,各个功能信息点接入接入汇聚点,构成整个园区信息网络体系。具体功能详细分布及综合布线信息点的详细分布如下表:楼层MDFIDF工作区六超单暗明中1中国重汽集团杭州发动机有限公司新厂房PDS子系统设计方案类模块5类模块孔面板盒盒转箱1.办公大楼1F汇聚层一楼接入层1221221022F汇聚层二楼接入层118118883F汇聚层三楼接入层9090904F汇聚层四楼接入层383838特殊点信息中心121212总计3800380330002.联合厂房2.1联合厂房1区汇聚层生活区接入层1222222汇聚层生活区接入层2424242汇聚层生产区A立柱线接入层44汇聚层生产区D立柱线接入层44汇聚层生产区G立柱线接入层44汇聚层生产区K立柱线接入层44汇聚层生产区N立柱线接入层44汇聚层生产区S立柱线接入层44汇聚层生产区V立柱线接入层44汇聚层生产区Y立柱线接入层44汇聚层生产区C1立柱线接入层44汇聚层食堂363636总计01361000100362.2联合厂房2区汇聚层生活区接入层454545汇聚层生产区F1立柱线接入层777汇聚层生产区J1立柱线接入层77汇聚层生产区M1立柱线接入层77汇聚层生产区Q1立柱线接入层77汇聚层生产区T1立柱线接入层88汇聚层北大门门卫88总计08952852292.3联合厂房3区汇聚层生活区接入层474747生产区3-5装配线接入层1818生产区3-7装配线接入层2626生产区3-12配送中心接入层88生产区3-18军品部接入层88总计010747047602中国重汽集团杭州发动机有限公司新厂房PDS子系统设计方案2.4联合厂房4区汇聚层生活区接入层1131313汇聚层生活区接入层2222222汇聚层生产区3-4中间库接入层66汇聚层生产区3-6试车间接入层161616汇聚层生产区3-15涂装线接入层88汇聚层生产区3-18成品库接入层66总计07151051202.4联合厂房5区汇聚层生活区接入层606060汇聚层生产区接入层44汇聚层变、配电室161616总计0807607643.综合仓库汇聚层办公区接入层1525252汇聚层办公区接入层2424242汇聚层办公区接入层3363636汇聚层仓库区1616总计0146130013016总计380629836338456165汇总上表,总规划六类综合布线信息点总数为230点,超五类信息点总数为629点。安装方式采用明盒、暗盒以及中转箱方式。本次设计中主要原则如下:1、自信息点面板、模块,水平线缆,配线架均采用全球著名品牌康普SYSTIMAX布线系统(前朗讯布线)。2、园区主干及各功能区主干均采用国产单模、多模室外光缆。1.2系统设计原则综合布线系统应是开放的、模块化的系统体系,具备使用灵活性、管理简便、扩充方便等特点,并能保持其先进性。应遵循以下原则进行设计:标准化;可靠性;灵活性;可扩展性;经济性;3中国重汽集团杭州发动机有限公司新厂房PDS子系统设计方案1.3设计标准及规范本方案依据国际及国内相关标准进行设计,使用的优先顺序如下:(1)国际标准及技术规范;(2)国家标准及技术规范;(3)部委标准及技术规范;(4)行业标准及技术规范;(5)地方标准及技术规范;(6)制造商使用的标准及技术规范。1、主要依据的国际及国外标准及技术规范:1.《商业建筑电信布线标准》EIA/TIA568A;2.《商业建筑线缆标准》EIA/TIA568B;3.《商用建筑通信通道和空间标准》EIA/TIA569;4.《商业建筑通信基础结构管理规范》E...

1、当您付费下载文档后,您只拥有了使用权限,并不意味着购买了版权,文档只能用于自身使用,不得用于其他商业用途(如 [转卖]进行直接盈利或[编辑后售卖]进行间接盈利)。
2、本站所有内容均由合作方或网友上传,本站不对文档的完整性、权威性及其观点立场正确性做任何保证或承诺!文档内容仅供研究参考,付费前请自行鉴别。
3、如文档内容存在违规,或者侵犯商业秘密、侵犯著作权等,请点击“违规举报”。

碎片内容

杭发公司信息化工程布线-PDS-方案-03022007

您可能关注的文档

确认删除?
VIP
微信客服
  • 扫码咨询
会员Q群
  • 会员专属群点击这里加入QQ群
客服邮箱
回到顶部