电脑桌面
添加小米粒文库到电脑桌面
安装后可以在桌面快捷访问

智能综采工作面VIP专享VIP免费

智能综采工作面_第1页
1/119
智能综采工作面_第2页
2/119
智能综采工作面_第3页
3/119
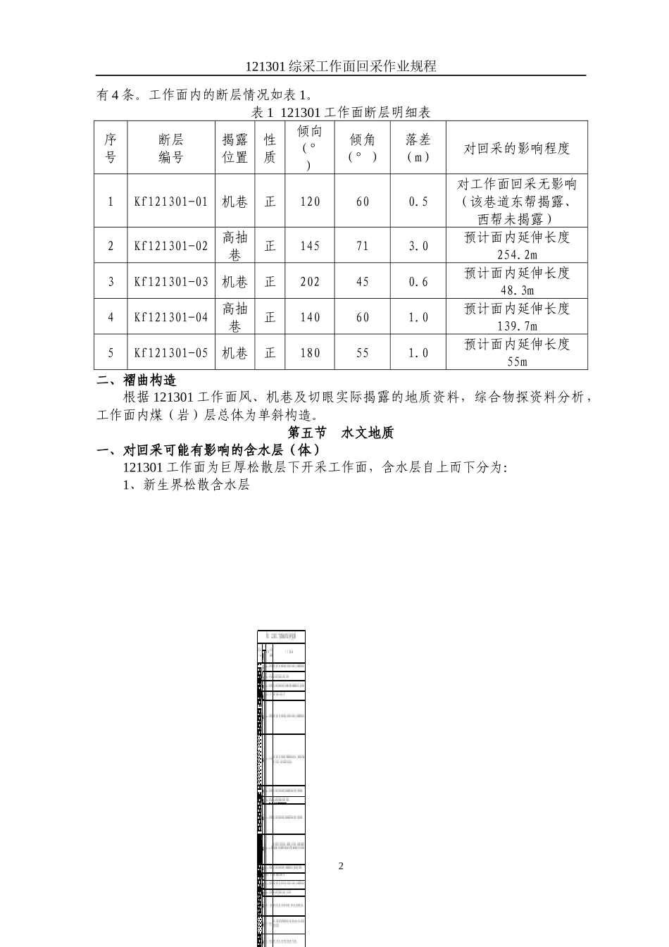
121301综采工作面回采作业规程第一章工作面概况第一节工作面位置及井上下关系121301工作面位于矿井一水平(-967m)西翼采区,是西翼采区13-1煤层第一个综采工作面。该工作面南起西翼轨道大巷,北临111304工作面采空区,东邻工广保护煤柱,西靠121302工作面(设计),上距第四系松散层底界面208.5m~415.4m,下距11-2煤层65.0m~74.0m。工作面长度1215.0m(风巷)~1422.0m(机巷),平均长度1318.5m;可采长度1064.6m(风巷)~1106.4m(机巷),平均可采长度1085.5m;平均宽度345m(净煤壁)。121301工作面可采面积368371.4m2;风巷标高范围-754.0~-920.0m,机巷标高范围-829.0~-960.0m。工作面对应地表建筑物主要为村庄、河流及农田,地势呈西高东低,地面标高+25.0~+27.5m。第二节煤层121301工作面内13-1煤层位于第四含煤段中部,全区稳定可采。121301工作面13-1煤层为黑色,以块状为主,局部为碎块状,玻璃光泽,内生裂隙发育,见有钙质黄铁矿充填,以亮煤为主,暗煤次之,煤岩类型属半暗~半亮型煤。根据工作面内及附近20-3、20-4、20-5以及20-8等四个地质勘探钻孔及风巷、机巷、切眼等巷道实际揭露的地质资料分析,13-1煤层普式硬度系数约为1.6,容重为1.4t/m3。121301工作面13-1煤层全层厚度为3.00~6.20m,平均厚度(含夹矸)为5.00m;13-1煤层平均含有一层夹矸,夹矸多为炭质泥岩,次为泥岩,结构复杂,厚度为0~0.60m,平均厚度为0.40m;13-1煤层纯煤厚平均厚度为4.60m。根据121301工作面风、机两巷以及切眼实际揭露的地质资料,13-1煤层倾角4~15°,平均倾角约为11°。在断层及构造影响区域,煤层局部倾角变化较大。第三节煤层顶底板岩性一、13-1煤层顶板岩性老顶:中砂岩,灰白色,成分以石英、长石为主,含次、暗色矿物,分选差,中粒结构为主,硅质胶结,裂隙发育,充填方解石脉,见少量植物化石碎片;厚度1.80~10.30m,平均8.32m,岩层稳固性中等;普氏硬度系数6.8~7.8。直接顶:砂质泥岩,灰色~深灰色,破碎,泥质结构,致密性脆,夹薄层炭质泥岩,参差状断口,见植物化石碎片;厚度0.70~5.81m,平均5.81m;普氏硬度系数3.6~4.1。二、13-1煤层底板岩性13-1煤层的底板主要由砂质泥岩、煤线、炭质泥岩及泥岩组成,深灰~灰黑色,块状,泥质结构,平坦状断口,在断面上见大量植物化石碎片;厚度0~1.20m,平均厚度1.20m,普氏硬度系数4.5~5.6;煤线暗黑色,粉末状,碎块状,富含泥质,厚度0~0.30m,平均0.30m,普氏硬度系数为1.2;砂质泥岩,灰色~深灰色,破碎,泥质结构,致密性脆,夹薄层炭质泥岩,参差状断口,见植物化石碎片;厚度1.70~3.30m,平均2.40m;普氏硬度系数3.6~4.1。地层综合柱状如图1所示。第四节地质构造一、断裂构造根据121301工作面风、机巷及切眼实际揭露地质资料分析,影响工作面回采的断层共计有5条,均为正断层。其中落差≥3m的断层有1条,落差<3m的断层1121301综采工作面回采作业规程有4条。工作面内的断层情况如表1。表1121301工作面断层明细表序号断层编号揭露位置性质倾向(°)倾角(°)落差(m)对回采的影响程度1Kf121301-01机巷正120600.5对工作面回采无影响(该巷道东帮揭露、西帮未揭露)2Kf121301-02高抽巷正145713.0预计面内延伸长度254.2m3Kf121301-03机巷正202450.6预计面内延伸长度48.3m4Kf121301-04高抽巷正140601.0预计面内延伸长度139.7m5Kf121301-05机巷正180551.0预计面内延伸长度55m二、褶曲构造根据121301工作面风、机巷及切眼实际揭露的地质资料,综合物探资料分析,工作面内煤(岩)层总体为单斜构造。第五节水文地质一、对回采可能有影响的含水层(体)121301工作面为巨厚松散层下开采工作面,含水层自上而下分为:1、新生界松散含水层2121301综采工作面回采作业规程121301工作面上覆新生界厚564.6~640.06m,平均厚618.6m,主要由松散砂层组成;分为四个含水层,即一含、二含、三含、四含;三个隔水层,为一隔、二隔、三隔。三隔有效隔水层厚度介于175.2~185.0m,平均179.9m,分布相对较稳定,隔水性能良好,可以有效地阻止上覆地表水及一含、二含、三含水向下渗漏,是井田内重要的隔水层之一;四...

1、当您付费下载文档后,您只拥有了使用权限,并不意味着购买了版权,文档只能用于自身使用,不得用于其他商业用途(如 [转卖]进行直接盈利或[编辑后售卖]进行间接盈利)。
2、本站所有内容均由合作方或网友上传,本站不对文档的完整性、权威性及其观点立场正确性做任何保证或承诺!文档内容仅供研究参考,付费前请自行鉴别。
3、如文档内容存在违规,或者侵犯商业秘密、侵犯著作权等,请点击“违规举报”。

碎片内容

智能综采工作面

状元书阁+ 关注
实名认证
内容提供者

爱好英语教学和互联网行业,热爱教育事业,兢兢业业

确认删除?
VIP
微信客服
  • 扫码咨询
会员Q群
  • 会员专属群点击这里加入QQ群
客服邮箱
回到顶部