电脑桌面
添加小米粒文库到电脑桌面
安装后可以在桌面快捷访问

最新每月安全检查标准VIP专享VIP免费

最新每月安全检查标准_第1页
1/41
最新每月安全检查标准_第2页
2/41
最新每月安全检查标准_第3页
3/41
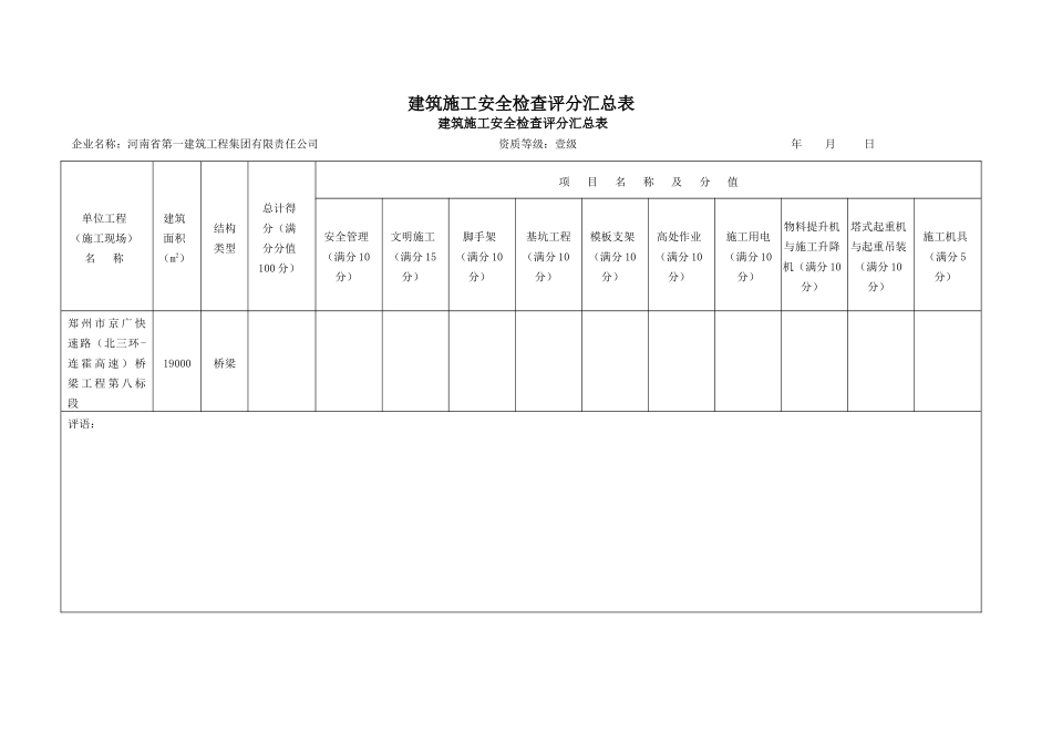
建筑施工安全检查评分汇总表建筑施工安全检查评分汇总表企业名称:河南省第一建筑工程集团有限责任公司资质等级:壹级年月日单位工程(施工现场)名称建筑面积(m2)结构类型总计得分(满分分值100分)项目名称及分值安全管理(满分10分)文明施工(满分15分)脚手架(满分10分)基坑工程(满分10分)模板支架(满分10分)高处作业(满分10分)施工用电(满分10分)物料提升机与施工升降机(满分10分)塔式起重机与起重吊装(满分10分)施工机具(满分5分)郑州市京广快速路(北三环-连霍高速)桥梁工程第八标段19000桥梁评语:检查单位负责人受检项目项目经理表B.1安全管理检查评分表序号检查项目扣分标准应得分数扣减分数实得分数1保证项目安全生产责任制未建立安全生产责任制,扣10分安全生产责任制未经责任人签字确认,扣3分未配备各工种安全技术操作规程,扣2~10分未按规定配备专职安全员,扣2~10分工程项目部承包合同中未明确安全生产考核指标,扣5分未制定安全生产资金保障制度,扣5分未编制安全资金使用计划或未按计划实施,扣2~5分未制定伤亡控制、安全达标、文明施工等管理目标,扣5分未进行安全责任目标分解,扣5分未建立对安全生产责任制和责任目标的考核制度,扣5分未按考核制度对管理人员定期考核,扣2~5分102施工组织设计及专项施工方案施工组织设计中未制定安全技术措施,扣10分危险性较大的分部分项工程未编制安全专项施工方案,扣10分未按规定对超过一定规模危险性较大的分部分项工程专项施工方案进行专家论证,扣10分施工组织设计、专项施工方案未经审批,扣10分安全技术措施、专项施工方案无针对性或缺少设计计算,扣2~8分未按施工组织设计、专项施工方案组织实施,扣2~10分103安全技术交底未进行书面安全技术交底,扣10分未按分部分项进行交底,扣5分交底内容不全面或针对性不强,扣2~5分交底未履行签字手续,扣4分104安全检查未建立安全检查制度,扣10分未有安全检查记录,扣5分事故隐患的整改未做到定人、定时间、定措施,扣2~6分对重大事故隐患整改通知书所列项目未按期整改和复查,扣5~10分105安全教育未建立安全教育培训制度,扣10分施工人员入场未进行三级安全教育培训和考核,扣5分未明确具体安全教育培训内容,扣2~8分变换工种或采用新技术、新工艺、新设备、新材料施工时未进行安全教育,扣5分施工管理人员、专职安全员未按规定进行年度教育培训和考核,每人扣2分10序号检查项目扣分标准应得分数扣减分数实得分数6保证项目应急救援未制定安全生产应急救援预案,扣10分未建立应急救援组织或未按规定配备救援人员,扣2~6分未定期进行应急救援演练,扣5分未配置应急救援器材和设备,扣5分10小计607一般项目分包单位安全管理分包单位资质、资格、分包手续不全或失效,扣10分未签订安全生产协议书,扣5分分包合同、安全生产协议书,签字盖章手续不全,扣2~6分分包单位未按规定建立安全机构或未配备专职安全员,扣2~6分108持证上岗未经培训从事施工、安全管理和特种作业,每人扣5分项目经理、专职安全员和特种作业人员未持证上岗,每人扣2分109生产安全事故处理生产安全事故未按规定报告,扣10分生产安全事故未按规定进行调查分析、制定防范措施,扣10分未依法为施工作业人员办理保险,扣5分1010安全标志主要施工区域、危险部位未按规定悬挂安全标志,扣2~6分未绘制现场安全标志布置图,扣3分未按部位和现场设施的变化调整安全标志设置,扣2~6分未设置重大危险源公示牌,扣5分10小计40检查项目合计100表B.2文明施工检查评分表序号检查项目扣分标准应得分数扣减分数实得分数1保证项目现场围挡市区主要路段的工地未设置封闭围挡或围挡高度小于2.5m,扣5~10分一般路段的工地未设置封闭围挡或围挡高度小于1.8m,扣5~10分围挡未达到坚固、稳定、整洁、美观,扣5~10分102封闭管理施工现场进出口未设置大门,扣10分未设置门卫室扣5分未建立门卫值守管理制度或未配备门卫值守人员,扣2~6分施工人员进入施工现场未佩戴工作卡,扣2分施工现场出入口未标有企业名称或标识,扣2分未设置车辆冲洗设施扣3分103施工场地施工现场主要道路及材料加工区地...

1、当您付费下载文档后,您只拥有了使用权限,并不意味着购买了版权,文档只能用于自身使用,不得用于其他商业用途(如 [转卖]进行直接盈利或[编辑后售卖]进行间接盈利)。
2、本站所有内容均由合作方或网友上传,本站不对文档的完整性、权威性及其观点立场正确性做任何保证或承诺!文档内容仅供研究参考,付费前请自行鉴别。
3、如文档内容存在违规,或者侵犯商业秘密、侵犯著作权等,请点击“违规举报”。

碎片内容

最新每月安全检查标准

确认删除?
VIP
微信客服
  • 扫码咨询
会员Q群
  • 会员专属群点击这里加入QQ群
客服邮箱
回到顶部