电脑桌面
添加小米粒文库到电脑桌面
安装后可以在桌面快捷访问

施工类竣工技术文件(XXXX01a版)原稿VIP免费

施工类竣工技术文件(XXXX01a版)原稿_第1页
1/65
施工类竣工技术文件(XXXX01a版)原稿_第2页
2/65
施工类竣工技术文件(XXXX01a版)原稿_第3页
3/65
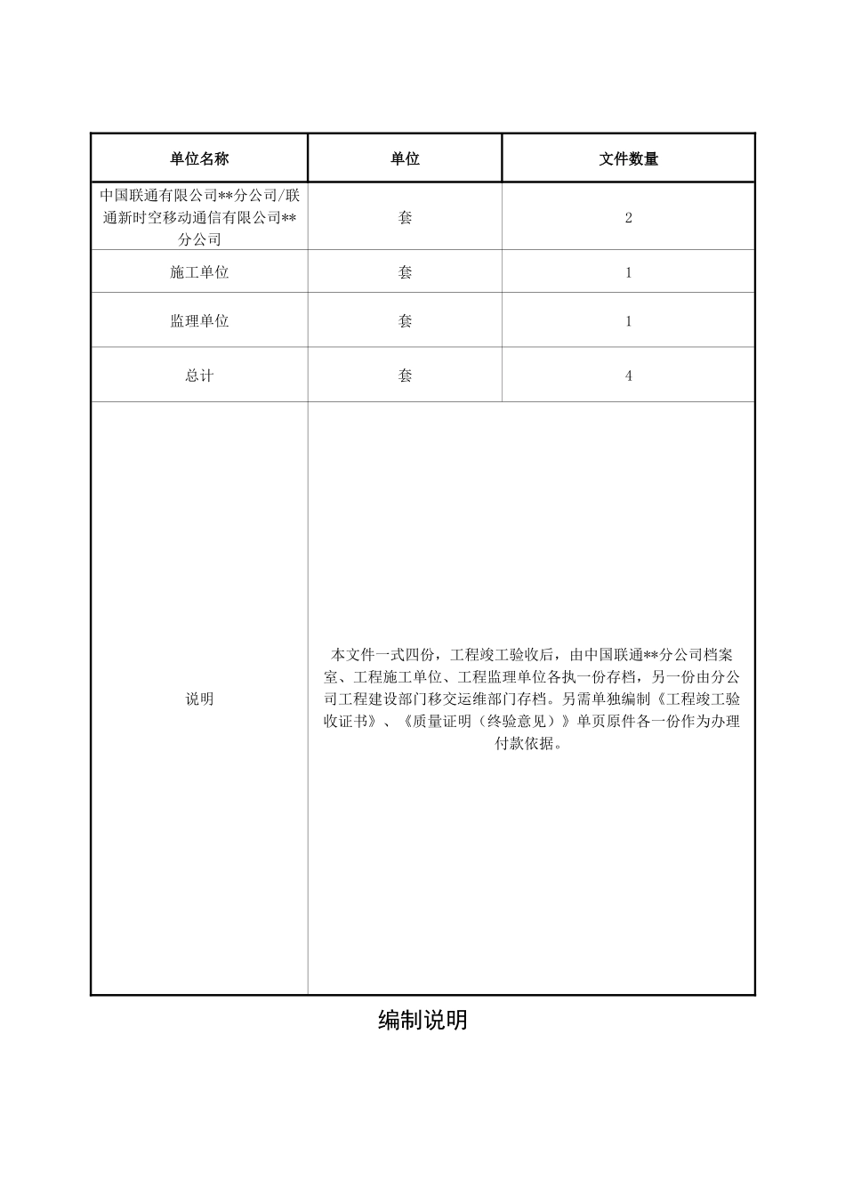
工程地点(施工区域):工程合同号:建设单位名称(盖章):建设单位授权代表(签名):(建设单位授权代表签署,需与附件8的授权书相符)监理单位名称(盖章):监理单位授权代表(签名):监理单位联系电话:施工单位名称(盖章):施工单位授权代表(签名):(施工单位的授权代表签署,需与附件8的授权书相符。)施工单位联系电话:(填写施工单位固定电话)文件编制人:(施工单位编制人)编制日期:文件分发表中国联通**分公司(填写建设项目名称)工程施工类竣工技术文件总册第册单项或单位工程名称:单位名称单位文件数量中国联通有限公司**分公司/联通新时空移动通信有限公司**分公司套2施工单位套1监理单位套1总计套4说明本文件一式四份,工程竣工验收后,由中国联通**分公司档案室、工程施工单位、工程监理单位各执一份存档,另一份由分公司工程建设部门移交运维部门存档。另需单独编制《工程竣工验收证书》、《质量证明(终验意见)》单页原件各一份作为办理付款依据。编制说明一、适用范围适用于建设单位所有的施工类竣工技术文件的编制,主要包括机房土建工程、机房装修工程、铁塔(通信杆)工程、防雷系统工程、传输线路工程、消防工程和零星工程、设备安装工程等。二、编制要求1.原则上一个合同编制一套竣工技术文件(若同一建设项目中的同类型工程的若干份合同也可编制一套竣工技术文件,由分公司根据合同的具体情况确定),由施工单位负责本文件的编制,建设单位配合并负责审核;2.如一家施工单位在同一个合同中对不同厂家的设备或单项工程进行了施工安装,可进行分册;另,如附件单独成册需进行分册,在文件封面标明总×册,第×册;3.施工单位在合同内工程完工并按规定时间完成竣工验收后十个工作日内完成竣工技术文件的编制;4.施工单位必须严格按照编制要求进行编写,内容不齐全或格式不规范的文件建设单位将拒绝接收及签署;5.施工单位应及时编制、整理本项工程各阶段过程的文件表格单页,建设单位代表要及时审核形成的过程文件,不能在工程完工后再编制、审核所有的表格单页。三、内容及编制说明1.建设单位名称,GSM工程:中国联通有限公司**分公司;CDMA工程:联通新时空移动通信有限公司**分公司;2.建设项目名称及单项或单位工程名称需与设计文件的名称一致,如GSM十三期潮州**设备线路工程的填写方法为,建设项目名称:中国联通数字移动通信(GSM)网十三期工程;单项或单位工程名称:设备线路工程-潮州**线路单项工程;3.本文件所包含的内容详见《材料目录》,其中设备安装工程只需编制通用表格,其余施工类工程除需编制通用表格外还需根据专业工程特点选择填制表6附表内容;4.如无监理单位可删除各表中监理单位意见栏,但需在表1《概述》中说明;5.各单表的编制说明:1)表1《概述》:由施工单位负责编制(在工程竣工验收完成后五个工作日内完成编制)。a)简述工程名称、工程合同编号、合同签订时间、设计单位、施工单位、监理单位名称等;b)简述合同规模、建设内容(详细到单位工程名称、地点、路段,管线工程应包括建设方式、产权所属等);c)简述工程进度及完成情况;d)简述工程施工质量及随工监理情况;e)其他需说明的问题,如合同增补、调整情况、遗留问题等。2)表2《施工单位组织设计(方案)审批表》:由施工单位负责编制(在工程开工前十个工作日内完成编制)。a)用于施工单位报审施工组织设计(方案)。施工过程中,如经批准的施工组织设计(方案)发生改变,监理单位要求将变更的方案报送时,也采用此表;施工单位对重点部位、关键工序的施工工艺、新工艺、新材料、新技术、新设备的报审,也采用此表;b)施工组织设计(方案)内容必须包含工程设计情况、施工条件、施工方案、工程材料管理计划、工程质量及安全措施、施工时间计划等内容;c)施工组织设计(方案)作为本册附件3。3)表3《工程开工报告》:由施工单位负责编制(在工程开工前十个工作日内完成编制),可根据合同或工程实际情况分批或分站点等开具《工程开工报告单》。a)简述主要施工内容;b)简述工程准备情况(包括人员、材料、施工机械、工程安全、工具仪表等准备情况)及存在主要问题;c...

1、当您付费下载文档后,您只拥有了使用权限,并不意味着购买了版权,文档只能用于自身使用,不得用于其他商业用途(如 [转卖]进行直接盈利或[编辑后售卖]进行间接盈利)。
2、本站所有内容均由合作方或网友上传,本站不对文档的完整性、权威性及其观点立场正确性做任何保证或承诺!文档内容仅供研究参考,付费前请自行鉴别。
3、如文档内容存在违规,或者侵犯商业秘密、侵犯著作权等,请点击“违规举报”。

碎片内容

施工类竣工技术文件(XXXX01a版)原稿

您可能关注的文档

确认删除?
VIP
微信客服
  • 扫码咨询
会员Q群
  • 会员专属群点击这里加入QQ群
客服邮箱
回到顶部