电脑桌面
添加小米粒文库到电脑桌面
安装后可以在桌面快捷访问

手机标准及测试项目VIP免费

手机标准及测试项目_第1页
1/12
手机标准及测试项目_第2页
2/12
手机标准及测试项目_第3页
3/12
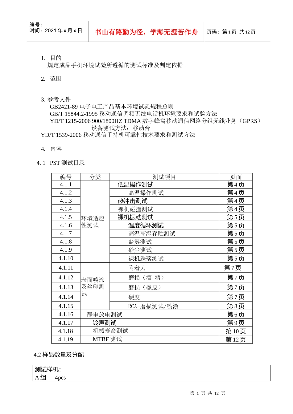
第1页共12页编号:时间:2021年x月x日书山有路勤为径,学海无涯苦作舟页码:第1页共12页1.目的规定成品手机环境试验所遵循的测试标准及判定依据。2.范围3.参考文件GB2421-89电子电工产品基本环境试验规程总则GB/T15844.2-1995移动通信调频无线电话机环境要求和试验方法YD/T1215-2006900/1800HZTDMA数字蜂窝移动通信网络分组无线业务(GPRS)设备测试方法:移动台YD/T1539-2006移动通信手持机可靠性技术要求和测试方法4.内容4.1PST测试目录编号分类测试项目页面4.1.1环境适应性测试低温操作测试第4页4.1.2高温操作测试第4页4.1.3热冲击测试第4页4.1.4裸机碰撞测试第4页4.1.5裸机振动测试第5页4.1.6温度循环测试第5页4.1.7高温高湿存贮测试第5页4.1.8盐雾测试第5页4.1.9砂尘测试第5页4.1.10裸机跌落测试第5页4.1.11表面喷涂及丝印测试附着力第7页4.1.12磨损(酒精)第7页4.1.13磨损(橡皮)第7页4.1.14硬度第7页4.1.15RCA-磨损测试/喷涂第8页4.1.16静电放电测试第6页4.1.17铃声测试第9页4.1.18机械寿命测试第10页4.1.19MTBF测试第12页4.2样品数量及分配测试样机:A组4pcs第2页共12页第1页共12页编号:时间:2021年x月x日书山有路勤为径,学海无涯苦作舟页码:第2页共12页测试项目样品数量样品编号测试顺序温度循环2pcsT1T2同步进行盐雾2pcsS1S2B组9pcs振动测试9pcsB1–B9从前到后碰撞测试9pcsB1–B9低温测试9pcsB1–B9高温高湿测试9pcsB1–B9高温测试9pcsB1–B9C组5pcs铃声测试2pcsE1E2先进行铃声测试,后两项测试不分先后静电测试5pcsE1E2E3E4E5表面喷涂测试2pcsE1E2D组7pcs沙尘测试3pcsD1D2D3从前到后跌落测试7pcsD1-D7E组10pcs机械寿命测试10pcs复用前四组的机器F组10pcs翻盖测试10pcsF1–F10/滑盖5PCSF1-F5/扭盖5PCSF1-F5/G组30PCSMTBF30pcsM1-M30/样机数量合计:66部备注:1、试产阶段,每次送样测试的机器数量如下:直板机26部;翻盖机36部;滑盖和扭盖的机器31部。每次送样的机器除一部做对比样机外其余全部用于可靠性测试。2、在环境测试未通过测试前,不做MTBF测试,在所有的环境测试都通过后,需一次性提供将要上市状态的样机30部进行MTBF测试。4.3测试内容4.3.1环境适应性测试测试项目样品数量测试条件测试方法及结果判断低温测试925±5℃℃,60%±15%RH裸机,开机4h外观、功能、电性能良好第3页共12页第2页共12页编号:时间:2021年x月x日书山有路勤为径,学海无涯苦作舟页码:第3页共12页-20℃功能测试高温测试9+554h℃裸机,开机功能测试25±5,60%±15%RH℃℃外观、功能、电性能良好热冲击测试2裸机,关机+8545min,-4045min,℃℃两温度的转换时间不大于15秒,共27个循环,测试后放置至少两个小时进行开机检测。外观、功能、电性能良好裸机碰撞测试9裸机、装上电池,开机频谱:半正弦持续时间:6ms加速度:250m/s2(Approximately25g)方向:三个垂直轴向次数:每个方向500次外观、功能、电性能良好裸机振动测试9裸机,装上电池,开机频谱:随机振动方向:3个轴向频率:5~500Hz加速度谱密度:5~20Hz为0.96m2/s3,其余为,-3dB/倍频。持续时间:每个方向1小时外观、功能、电性能良好温度循环测试2裸机,关机701h,401h,-401h,℃℃℃每个循环为三个小时,共27个循环,测试后放置至少2个小时后进行检测外观、功能、电性能良好第4页共12页第3页共12页编号:时间:2021年x月x日书山有路勤为径,学海无涯苦作舟页码:第4页共12页高温高湿存贮测试9裸机,开机,5593%RH,72℃个小时,测试后放置2h进行功能、电性能、外观检测。再用普通透明胶带粘附键盘,每次持续时间1分钟,1分钟后在1秒内将键盘剥离胶带,共进行3次,检测键盘是否有漆层脱落、键盘脱落故障外观、功能、电性能良好盐雾测试2裸机、关机,手机采用悬挂方式试验严酷等级:三个喷雾周期,每个2h,每个喷雾周期后有一个为期22h的湿热储存周期,喷雾条件为温度(15-35)℃,浓度为(5.0+1)%的氯化钠溶液,储存条件为(40+2)℃,相对湿度为90%-95%。外观、功能、电性能良好砂尘测试3裸机、装上电池。翻盖打开,天线展开砂尘等级:0~150微米砂尘浓度:>2kg/m3空气速度:高速放置时间:8h可见区域没有成片进砂裸机跌落测试7裸机,装...

1、当您付费下载文档后,您只拥有了使用权限,并不意味着购买了版权,文档只能用于自身使用,不得用于其他商业用途(如 [转卖]进行直接盈利或[编辑后售卖]进行间接盈利)。
2、本站所有内容均由合作方或网友上传,本站不对文档的完整性、权威性及其观点立场正确性做任何保证或承诺!文档内容仅供研究参考,付费前请自行鉴别。
3、如文档内容存在违规,或者侵犯商业秘密、侵犯著作权等,请点击“违规举报”。

碎片内容

手机标准及测试项目

您可能关注的文档

确认删除?
VIP
微信客服
  • 扫码咨询
会员Q群
  • 会员专属群点击这里加入QQ群
客服邮箱
回到顶部