电脑桌面
添加小米粒文库到电脑桌面
安装后可以在桌面快捷访问

库存量管理作业细则(1)VIP免费

库存量管理作业细则(1)_第1页
1/6
库存量管理作业细则(1)_第2页
2/6
库存量管理作业细则(1)_第3页
3/6
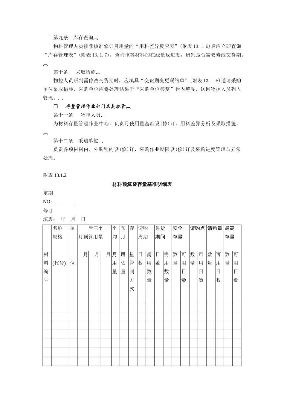
库存量管理作业细则□存量基准设定第一条预估月用量设(修)订(一)用量稳定的材料由主管人员依据去年的平均月用量,并参酌今年营业的销售目标与生产计划设定,若产销计划有重大变化(如开发或取消某一产品的生产,扩建增产计划等)应修订月用量。(二)季节性与特殊性材料由生产管理人员于每年3、6、9、12月的25日以前,依前三个月及去年同期各月份的耗用数量,并参考市场状况,拟订次季各月份的预计销售量,再乘以各产品的单位用量,而设定预估月用量。第二条请购点设定(一)请购点——采购作业期间的需求量加上安全存量。(二)采购作业期间的需求量——采购作业期限乘以预估月用量。(三)安全存量——采购作业期间的需求量乘以25%(差异管理率)加上装船延误日数用量(欧、美地区15天用量,日本与东南亚地区7天用量)第三条采购作业期限由采购人员依采购作业的各阶段所需日数设定,其作业流程及作业日数(公自订)经主管核准,送相关部门作为请购需求日及采购数量的参考。第四条设定请购量(一)考虑要项:采购作业期间的长短,最小包装量及最小交通量及仓储容量。(二)设定数量:外购材料的欧美地区每次请购三个月用量,亚洲地区为二个月用量,内购材料则每次请购25天用量。第五条存量基准建立生产管理人员将以上存量管理基准分别填入“存量基准设定表”(附表13.1.5)呈总经理核准,送物料管理建档。□请购作业第六条请购单提出时由物料管理单位,利用电脑(人工作业)查询在线量、库存量及安全存量填入以利审核,其无误后送采购单位办理采购。□用料差异管理作业第七条用料差异管理基准(一)上旬(1~10日)实际用量超出该旬设定量×%以上者(由公司自订)。(二)中旬(1~20日)实际用量超出该旬设定量×%以上者(由公司自订)。(三)下旬(即全月)实际用量超出全月设定量×%以上者(由公司自订)。第八条用料差异反应及处理生产管理人员于每月5日前针对前月开立“用料差异反应表”(附表13.1.6),查明差异原因及拟订处理措施,研判是否修正“预估月量”,如需修订,应于反应表“拟修订月用量”栏内修订,并经总经理核准后,送物料管理单位以便修改存量基准。库存查询及采取措施第九条库存查询物料管理人员接获核准修订月用量的“用料差异反应表”(附表13.1.6)后应立即查询“库存管理表”(附表13.1.7),查询该等材料的在线量反进度,研判是否需要修改交货期。第十条采取措施物控人员研判需修改交货期时,应填具“交货期变更联络单”(附表13.1.8)送请采购单位采取措施,采购单位应将处理结果于“采购单位答复”栏内填妥,送回物控人员列入管理。□存量管理作业部门及其职责第十一条物控人员为材料存量管理作业中心,负责月使用量基准设(修)订,用料差异分析及采取措施。第十二条采购单位负责各项材料内、外购别的设(修)订,采购作业期限设(修)订及采购进度管理与异常处理。附表13.1.2材料预算暨存量基准明细表定期NO:修订填表:年月日名称规格单后三个月预算用量平均预月存请购周期进货期间安全存量请购点请购量最高存量材料编号(代号)位月月月月用量用估量量管制方式日数需用数量日数需用数量数量可用日龄数量可用日数数量可用日数数量可用日数经理:主管:经办:附表13.1.3常备材料控制表单位变预估存量请购周期进货期间安全存量请购点请购量最高存量日期进发库存量请购请购参考量更日期月用量管制方式日数需用数量日数需用数量可用日数数量可用日数数量可用日数数量可用日数数量月日厂量出量数量可用日数未到量数量可用日数存量管制基准附表13.1.4材料使用量差异分析月报表年月日单最近三个月实际使用量当月差异量差异率用料预算部门材料编号名称规格位月月月预算用量异常原因处理对策主管批示经理:主管:经办:附表13.1.5存量基准设定表材料编号品名规定单位采购区分去年平均月用量设定月用量安全存量请购点设定请购量最小包装量及货板量合计合计天数数量天数数量用料设定部门主管:

1、当您付费下载文档后,您只拥有了使用权限,并不意味着购买了版权,文档只能用于自身使用,不得用于其他商业用途(如 [转卖]进行直接盈利或[编辑后售卖]进行间接盈利)。
2、本站所有内容均由合作方或网友上传,本站不对文档的完整性、权威性及其观点立场正确性做任何保证或承诺!文档内容仅供研究参考,付费前请自行鉴别。
3、如文档内容存在违规,或者侵犯商业秘密、侵犯著作权等,请点击“违规举报”。

碎片内容

库存量管理作业细则(1)

您可能关注的文档

状元书阁+ 关注
实名认证
内容提供者

爱好英语教学和互联网行业,热爱教育事业,兢兢业业

确认删除?
VIP
微信客服
  • 扫码咨询
会员Q群
  • 会员专属群点击这里加入QQ群
客服邮箱
回到顶部