电脑桌面
添加小米粒文库到电脑桌面
安装后可以在桌面快捷访问

设备备件管理岗VIP免费

设备备件管理岗_第1页
1/3
设备备件管理岗_第2页
2/3
设备备件管理岗_第3页
3/3
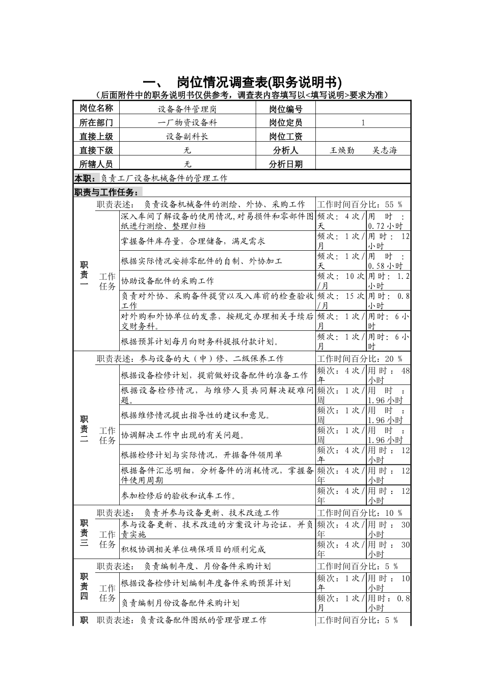
一、岗位情况调查表(职务说明书)(后面附件中的职务说明书仅供参考,调查表内容填写以<填写说明>要求为准)岗位名称设备备件管理岗岗位编号所在部门一厂物资设备科岗位定员1直接上级设备副科长岗位工资直接下级无分析人王焕勤吴志海所辖人员无分析日期本职:负责工厂设备机械备件的管理工作职责与工作任务:职责一职责表述:负责设备机械备件的测绘、外协、采购工作工作时间百分比:55%工作任务深入车间了解设备的使用情况,对易损件和零部件图纸进行测绘、整理归档频次:4次/天用时:0.72小时掌握备件库存量,合理储备,满足需求频次:1次/月用时:12小时根据实际情况安排零配件的自制、外协加工频次:1次/天用时:0.58小时协助设备配件的采购工作频次:10次/月用时:1.2小时负责对外协、采购备件提货以及入库前的检查验收工作频次:15次/月用时:0.8小时对外购和外协单位的发票,按规定办理相关手续后交财务科。频次:1次/月用时:6小时根据预算计划每月向财务科提报付款计划。频次:1次/月用时:6小时职责二职责表述:参与设备的大(中)修、二级保养工作工作时间百分比:20%工作任务根据设备检修计划,提前做好设备配件的准备工作频次:4次/年用时:48小时根据设备检修情况,与维修人员共同解决疑难问题。频次:1次/周用时:1.96小时根据维修情况提出指导性的建议和意见。频次:1次/周用时:1.96小时协调解决工作中出现的有关问题。频次:1次/周用时:1.96小时根据检修计划与实际情况,开据备件领用单频次:4次/年用时:12小时根据备件汇总明细,分析备件的消耗情况,掌握备件使用周期频次:4次/年用时:12小时参加检修后的验收和试车工作。频次:4次/年用时:12小时职责三职责表述:负责并参与设备更新、技术改造工作工作时间百分比:10%工作任务参与设备更新、技术改造的方案设计与论证,并负责实施频次:4次/年用时:30小时积极协调相关单位确保项目的顺利完成频次:4次/年用时:30小时职责四职责表述:负责编制年度、月份备件采购计划工作时间百分比:5%工作任务根据设备检修计划编制年度备件采购预算计划频次:1次/年用时:10小时负责编制月份设备配件采购计划频次:1次/月用时:0.8小时职职责表述:负责设备配件图纸的管理管理工作工作时间百分比:5%责五工作任务负责备件图纸的分机、分类管理。频次:1次/月用时:5小时负责建立、完善设备配件图册频次:1次/月用时:5小时职责六职责表述:完成上级交办的其他工作工作时间百分比:5%权力:1、备品、备件的采购的知情权,检查验收权2、设备大修、二保的参与权和建议权。3、备件维修、改造的监督检查权。4、年度、月份备件采购计划编制权。5、配件图纸的管理权。6、完成领导交待工作相应的权利。考核指标:1、外协采购备件合格率100%。2、设备维修改造验收合格率100%。3、设备大修二保准确及时完成。4、年度、月份备件采购计划准确率100%。5、备件图纸分类管理准确率100%,。6、达到领导的要求。工作协作关系:内部协调关系厂办、包装车间、酿造车间、机动车间、成品库、财务科、物资科、外部协调关系零件外协各供应加工单位任职资格:教育水平专科专业机械类专业工作经验5年以上相关工作经验能力要求协调能力、管理能力、人际交往能力,个性特征稳重、责任心、细心、创新性思维生理特征无特殊要求所需培训经济管理知识培训工作特点:工作场所设备科、工厂各车间工作方式坐与走巡视相结合工作时间特征正常工作时间,应急性、有阶段性加班工作环境一般体力精力消耗工作紧张有压力劳动保护无特殊要求使用工具/设备电脑、电话、网络、文件柜、传真机、复印机、卡尺所需记录文档备件计划、采购合同、付款计划明细、备件图纸备注:

1、当您付费下载文档后,您只拥有了使用权限,并不意味着购买了版权,文档只能用于自身使用,不得用于其他商业用途(如 [转卖]进行直接盈利或[编辑后售卖]进行间接盈利)。
2、本站所有内容均由合作方或网友上传,本站不对文档的完整性、权威性及其观点立场正确性做任何保证或承诺!文档内容仅供研究参考,付费前请自行鉴别。
3、如文档内容存在违规,或者侵犯商业秘密、侵犯著作权等,请点击“违规举报”。

碎片内容

设备备件管理岗

确认删除?
VIP
微信客服
  • 扫码咨询
会员Q群
  • 会员专属群点击这里加入QQ群
客服邮箱
回到顶部