电脑桌面
添加小米粒文库到电脑桌面
安装后可以在桌面快捷访问

钢桩施工工艺VIP免费

钢桩施工工艺_第1页
1/9
钢桩施工工艺_第2页
2/9
钢桩施工工艺_第3页
3/9
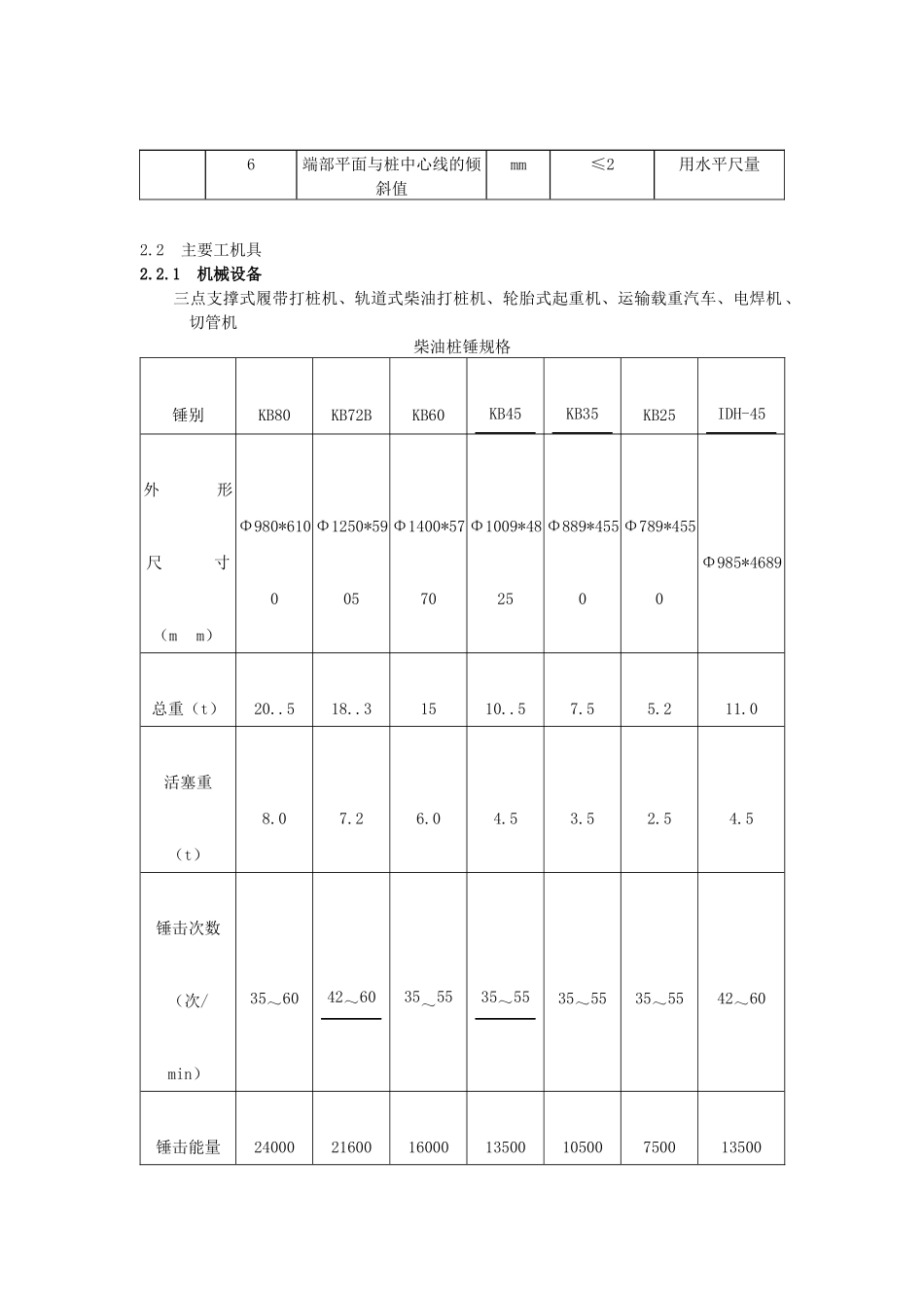
钢桩施工工艺标准1适用范围本工艺标准适用于一般钢管桩或H型钢桩基础工程。2施工准备2.1原材料要求2.1.1钢桩的材料(含其它半成品)进场后,应按规格、品种、牌号堆放,抽样检验,检验结果与合格证相符者方可使用,未经进货检验或未经检验合格的物资不得投入使用。2.1.2钢管质量验收:按设计图纸规格尺寸及有关规范,允许误差,实测实量及外观全数检查验货,特别是钢管的垂直度和内外径是否达到要求,作为重点检查,经检查验收合格后,方能进货安装。2.1.3螺旋焊管钢桩钢管:壁厚为6~19mm长度不限,卷板焊管钢桩钢管:壁厚为6~47mm长度不超过6m。型号为STK、SKK号钢卷制。2.1.4H型钢,为标准型钢,材质为普通碳素钢、16Mn钢或海港工程用防氯盐钢材。2.1.5钢管桩顶部抗锤击和底部为减少摩擦抗变形的加强箍,用宽200~300mm、厚6~12mm和钢管桩材质相同的钢板制作,用电焊满焊,焊接时箍板的纵缝要和卷焊桩管的纵缝错开90度。2.1.6钢桩应按规格分别堆放(即上节桩、中节桩、下节桩)一般堆叠层数为三层(高度控制在2m以内)。支点用枕木两侧用木楔塞牢,防止变形。2.1.7成品钢桩的质量检验标准成品钢桩的质量检验标准项序检查项目允许偏差或允许值检查方法单位数值主控项目1钢桩外径或断面尺寸:桩端桩身0.5%D1D用钢尺量,D为外径或边长2矢高<1/1000L用钢尺量,L为桩长3长度mm+10用钢尺量4端部平整度mm≤2用水平尺量5H钢桩的方正度h>300h300hT′mmT+T′≤8T+T′≤8用钢尺量,h、T、T′见图示6端部平面与桩中心线的倾斜值mm≤2用水平尺量2.2主要工机具2.2.1机械设备三点支撑式履带打桩机、轨道式柴油打桩机、轮胎式起重机、运输载重汽车、电焊机、切管机柴油桩锤规格锤别KB80KB72BKB60KB45KB35KB25IDH-45外形尺寸(mm)Φ980*6100Φ1250*5905Φ1400*5770Φ1009*4825Φ889*4550Φ789*4550Φ985*4689总重(t)20..518..31510..57.55.211.0活塞重(t)8.07.26.04.53.52.54.5锤击次数(次/min)35~6042~6035~5535~5535~5535~5542~60锤击能量2400021600160001350010500750013500击至设计深度(内切钢管桩)割桩头修坡口焊装盖(kg·.m)爆发力(t)3002802461911501081912.2.2主要工具钢丝绳吊索、卡环、撬杠、气焊工具、扁铲。2.3作业条件2.3.1打桩现场三通一平,处理打桩地基上面障碍物,清理、整平时要设雨水排出沟渠,附近有建筑物的要挖隔震沟,预先充分了解打桩场地,清理妨碍打桩的高空和地下障碍物。2.3.2打桩场地整平用压路机碾压平整,并在地表铺10~20cm厚石子使地基承载力达到0.2Mpa~0.3Mpa。2.3.3控制点的设置应尽可能远离施工现场,以减少施工土体扰动对基准点的影响。2.3.4施工现场的轴线、水准控制点、桩基布点必须经常检查,妥善保护,设控制点和水准点的数量不应少于2个。2.3.5测量放线使用的全站仪、经纬仪、水准仪、钢盘尺、线锤应计量检查合格,多次使用应为同一计量器具。2.3.6桩位布点与验收:按基础纵横交点和设计图的尺寸确定桩位,用小方木桩打入并在上面用小圆钉做中心套样桩箍,然后在样箍的外侧撒石灰,以示桩位标记。测量误差10mm。2.3.7按总图设置的水、电、汽管线不应与打桩相互影响,特别是供水、汽管线和地下电缆要防止打桩土体隆起的破坏作用。2.4作业人员2.4.1施工作业人员必须在上岗前进行岗位培训考核合格,持证上岗。按设计施工不得任意改变设计,应遵守其中有关安全的规定。2.4.2施工作业人员施工前,必须充分了解地质资料、施工图纸和设计说明以及有关资料。必须熟知打桩规范、质量评定标准、施工程序、验收标准以及劳动组织分工等。2.4.3施工作业人员应按国家规定的时间内容进行体格检查,必须持有健康检查合格证、高血压、心脏病、癫痫病患者不得参加打桩作业。3施工工艺3.1工艺流程3.1.1钢管桩的工艺流程:桩机安装桩机移动就位吊桩插桩锤击下沉接桩桩机安装桩机移动就位吊桩插桩锤击下沉接桩锤击送桩至设计深度割桩头修坡口焊桩帽3.1.2H型钢桩的工艺流程:3.2操作工艺:3.2.1打桩方式3.2.1.1钢桩施工工艺主要依据工程特点、地质水文条件、施工机具的机械性能以及设计要求等决定。钢桩打桩有三种通用方式:a)自然地面打桩,...

1、当您付费下载文档后,您只拥有了使用权限,并不意味着购买了版权,文档只能用于自身使用,不得用于其他商业用途(如 [转卖]进行直接盈利或[编辑后售卖]进行间接盈利)。
2、本站所有内容均由合作方或网友上传,本站不对文档的完整性、权威性及其观点立场正确性做任何保证或承诺!文档内容仅供研究参考,付费前请自行鉴别。
3、如文档内容存在违规,或者侵犯商业秘密、侵犯著作权等,请点击“违规举报”。

碎片内容

钢桩施工工艺

您可能关注的文档

确认删除?
VIP
微信客服
  • 扫码咨询
会员Q群
  • 会员专属群点击这里加入QQ群
客服邮箱
回到顶部