电脑桌面
添加小米粒文库到电脑桌面
安装后可以在桌面快捷访问

注册安全工程师初始注册申请表-黑龙江省安全生产信息VIP免费

注册安全工程师初始注册申请表-黑龙江省安全生产信息_第1页
1/3
注册安全工程师初始注册申请表-黑龙江省安全生产信息_第2页
2/3
注册安全工程师初始注册申请表-黑龙江省安全生产信息_第3页
3/3
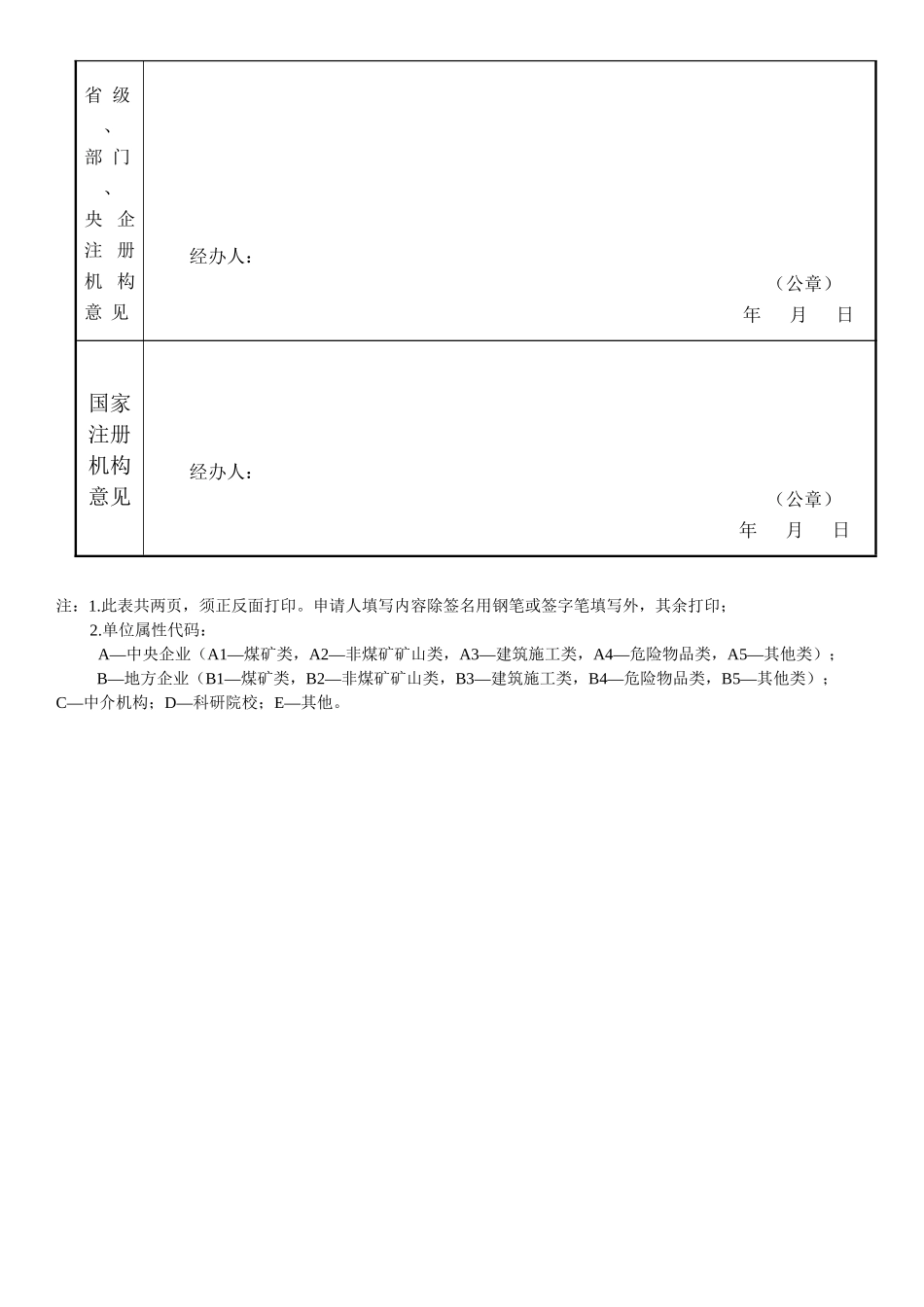
附件1注册安全工程师初始注册申请表申请人姓名性别出生年月(贴2寸免冠正面彩色近照)执业资格证书签发日期执业资格证书管理号执业资格证书编号申请注册类别(选一项)1.煤矿安全□2.非煤矿矿山安全□3.建筑施工安全□4.危险物品安全(危险化学品□烟花爆竹□民用爆破器材□)5.其他安全(交通□、铁路□、民航□、水利□、电力□、特种设备□、电信□、消防□、农业□、林业□、其他□)身份证件名称身份证件号码参加工作时间职务\职称从事安全生产相关工作年限最高学历毕业院校所学专业毕业时间学历学位固定电话移动电话E-mail聘用名称单位属性代码单位通讯地址邮政编码联系部门联系电话传真从事安全生产相关业务工作经历起止时间工作单位职务及职称从事何种安全生产业务工作本人签名:年月日聘用单位意见负责人(签名):(单位公章)年月日注:1.此表共两页,须正反面打印。申请人填写内容除签名用钢笔或签字笔填写外,其余打印;2.单位属性代码:A—中央企业(A1—煤矿类,A2—非煤矿矿山类,A3—建筑施工类,A4—危险物品类,A5—其他类);B—地方企业(B1—煤矿类,B2—非煤矿矿山类,B3—建筑施工类,B4—危险物品类,B5—其他类);C—中介机构;D—科研院校;E—其他。省级、部门、央企注册机构意见经办人:(公章)年月日国家注册机构意见经办人:(公章)年月日

1、当您付费下载文档后,您只拥有了使用权限,并不意味着购买了版权,文档只能用于自身使用,不得用于其他商业用途(如 [转卖]进行直接盈利或[编辑后售卖]进行间接盈利)。
2、本站所有内容均由合作方或网友上传,本站不对文档的完整性、权威性及其观点立场正确性做任何保证或承诺!文档内容仅供研究参考,付费前请自行鉴别。
3、如文档内容存在违规,或者侵犯商业秘密、侵犯著作权等,请点击“违规举报”。

碎片内容

注册安全工程师初始注册申请表-黑龙江省安全生产信息

您可能关注的文档

确认删除?
VIP
微信客服
  • 扫码咨询
会员Q群
  • 会员专属群点击这里加入QQ群
客服邮箱
回到顶部