电脑桌面
添加小米粒文库到电脑桌面
安装后可以在桌面快捷访问

10kV柱上台成套铁附件图纸

10kV柱上台成套铁附件图纸_第1页
1/27
10kV柱上台成套铁附件图纸_第2页
2/27
10kV柱上台成套铁附件图纸_第3页
3/27
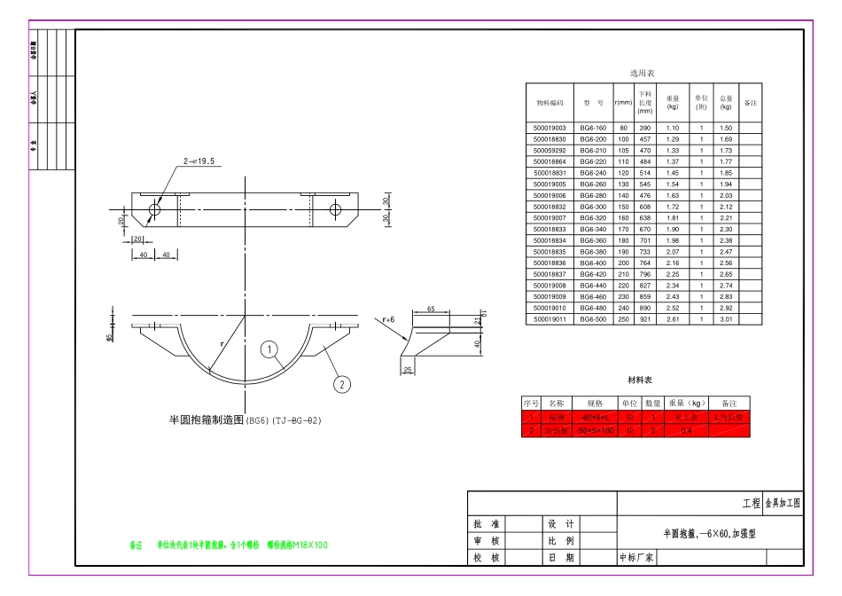
2- 19.5∅rr+62565401021303040402020156半圆抱箍制造图(BG6)(TJ-BG-02)选用表物料编码型 号r(mm)下料长度(mm)重量(kg)单位(块)总量(kg)备注500019003BG6-160803901.1011.50500018830BG6-2001004571.2911.69500059292BG6-2101054701.3311.73500018864BG6-2201104841.3711.77500018831BG6-2401205141.4511.85500019005BG6-2601305451.5411.94500019006BG6-2801404761.6312.03500018832BG6-3001506081.7212.12500019007BG6-3201606381.8112.21500018833BG6-3401706701.9012.30500018834BG6-3601807011.9812.38500018835BG6-3801907332.0712.47500018836BG6-4002007642.1612.56500018837BG6-4202107962.2512.65500019008BG6-4402208272.3412.74500019009BG6-4602308592.4312.83500019010BG6-4802408902.5212.92500019011BG6-5002509212.6113.01序号名称规格单位数量重量(kg)备注1扁钢-60×6×L块1见上表L为长度2加劲板-50×5×100块20.422 19.5∅r132 19.5∅r+6303503041066154040303065r-1511585选用表物料编码型 号r(mm)下料长度(mm)重量(kg)单位(块)总量(kg)备注500019003BG6-160803901.1011.50500018830BG6-2001004571.2911.69500059292BG6-2101054701.3311.73500018864BG6-2201104841.3711.77500018831BG6-2401205141.4511.85500019005BG6-2601305451.5411.94500019006BG6-2801404761.6312.03500018832BG6-3001506081.7212.12500019007BG6-3201606381.8112.21500018833BG6-3401706701.9012.30500018834BG6-3601807011.9812.38500018835BG6-3801907332.0712.47500018836BG6-4002007642.1612.56500018837BG6-4202107962.2512.65500019008BG6-4402208272.3412.74500019009BG6-4602308592.4312.83500019010BG6-4802408902.5212.92500019011BG6-5002509212.6113.01序号名称规格单位数量重量(kg)备注1扁钢-60×6×L块1见上表L为长度2加劲板-50×5×100块20.4说明:2.钢材为Q355。3.全部铁件必须热镀锌防腐处理。图 9-56 拉线抱箍加工图(2/3)D1.螺栓螺母垫圈参阅国家标准。φ21.5φ21.54.各构件焊接工艺、焊缝高度及长度应满足相关规程、规范要求。 序号编号名称D(mm)规格长度(mm)单位数量质量(kg)合计总重(kg)①+②+③备注一件小计1③LB-200200-8×80457块22.304.68.12③LB-210210-8×80473块22.374.88.23③LB-220220-8×80489块22.454.98.44③LB-230230-8×80504块22.535.18.65③LB-240240-8×80520块22.615.28.86③LB-250250-8×...

1、当您付费下载文档后,您只拥有了使用权限,并不意味着购买了版权,文档只能用于自身使用,不得用于其他商业用途(如 [转卖]进行直接盈利或[编辑后售卖]进行间接盈利)。
2、本站所有内容均由合作方或网友上传,本站不对文档的完整性、权威性及其观点立场正确性做任何保证或承诺!文档内容仅供研究参考,付费前请自行鉴别。
3、如文档内容存在违规,或者侵犯商业秘密、侵犯著作权等,请点击“违规举报”。

碎片内容

10kV柱上台成套铁附件图纸

确认删除?
VIP
微信客服
  • 扫码咨询
会员Q群
  • 会员专属群点击这里加入QQ群
客服邮箱
回到顶部