电脑桌面
添加小米粒文库到电脑桌面
安装后可以在桌面快捷访问

焊接工艺指导书(25)(1)VIP免费

焊接工艺指导书(25)(1)_第1页
1/24
焊接工艺指导书(25)(1)_第2页
2/24
焊接工艺指导书(25)(1)_第3页
3/24
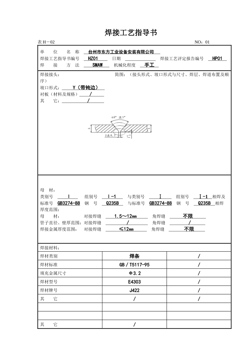
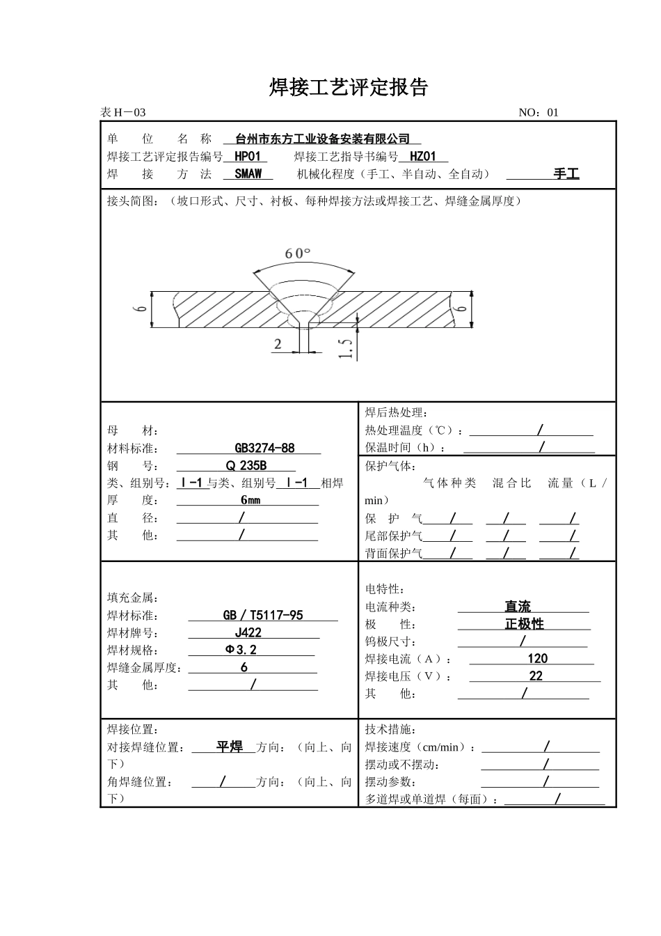
焊接工艺指导书表H-02NO:01单位名称台州市东方工业设备安装有限公司焊接工艺指导书编号HZ01日期焊接工艺评定报告编号HP01焊接方法SMAW机械化程度手工焊接接头:简图:(接头形式、坡口形式与尺寸、焊层、焊道布置及顺序)坡口形式:Y(带钝边)衬板(材料及规格)/其它:/母材:类别号Ⅰ组别号Ⅰ-1与类别号Ⅰ组别号Ⅰ-1相焊及标准号GB3274-88钢号Q235B与标准号GB3274-88钢号Q235B相焊厚度范围:母材:对接焊缝1.5~12㎜角焊缝不限管子直径、壁厚范围:对接焊缝/角焊缝/焊接金属厚度范围:对接焊缝≤12㎜角焊缝不限焊接材料:焊材类别焊条/焊材标准GB/T5117-95/填充金属尺寸Ф3.2/焊材型号E4303/焊材牌号J422/其它//其它/表H-02NO:02焊接位置:对接焊缝的位置平焊焊接方向:(向上、向下)/角焊缝位置/焊接方向:(向上、向下)/焊后热处理:温度范围(℃)/保温时间(h)/预热:预热温度(℃)(允许最低值)/层间温度(℃)(允许最低值)/保持预热时间/加热方式/气体:气体种类混合比流量(L/min)保护气///尾部保护气///背面保护气///电特性:电流种类:直流极性:正极性焊接电流范围(A)110~125电弧电压(V)20~22焊道/焊层焊接方法填充材料焊接电流电弧电压(V)焊接速度(㎝/min)线能量(KJ/㎝)牌号直径极性电流(A)1/1SMAWJ422Ф3.2正极性110~12520~2214~16/1/2SMAWJ422Ф3.2正极性110~12520~2214~16/1/3SMAWJ422Ф3.2正极性110~12520~2214~16/钨极类型及直径/喷嘴直径(㎜)/熔滴过渡形式/焊丝送进速度(cm/min)/技术措施:摆动焊或不摆动焊:不摆动摆动参数:/焊前清理和层间清理:清除坡口及附近20㎜的锈、油、水份背面清根方法:碳弧气刨单道焊或多道焊(每面):/单丝焊或多丝焊:/导电嘴至工件距离(㎜)/锤击:/其他:编制日期审核日期批准日期焊接工艺评定报告表H-03NO:01单位名称台州市东方工业设备安装有限公司焊接工艺评定报告编号HP01焊接工艺指导书编号HZ01焊接方法SMAW机械化程度(手工、半自动、全自动)手工接头简图:(坡口形式、尺寸、衬板、每种焊接方法或焊接工艺、焊缝金属厚度)母材:材料标准:GB3274-88钢号:Q235B类、组别号:Ⅰ-1与类、组别号Ⅰ-1相焊厚度:6㎜直径:/其他:/焊后热处理:热处理温度(℃):/保温时间(h):/保护气体:气体种类混合比流量(L/min)保护气///尾部保护气///背面保护气///填充金属:焊材标准:GB/T5117-95焊材牌号:J422焊材规格:Ф3.2焊缝金属厚度:6其他:/电特性:电流种类:直流极性:正极性钨极尺寸:/焊接电流(A):120焊接电压(V):22其他:/焊接位置:对接焊缝位置:平焊方向:(向上、向下)角焊缝位置:/方向:(向上、向下)技术措施:焊接速度(cm/min):/摆动或不摆动:/摆动参数:/多道焊或单道焊(每面):/多丝焊或单丝焊:/其他:/预热:预热温度(℃)/层间温度(℃)/其他/表H-03NO:02拉伸试验试验报告编号试样编号试样宽度(㎜)试样厚度(㎜)横截面积(㎜2)断裂载荷(KN)抗拉强度(MPa)断裂部位和特征HP01-3-1396444.4热影响区HP01-3-2396440.5热影响区弯曲试验试验报告编号试样编号试样类型试样厚度(㎜)弯心直径(㎜)弯曲角度(0)试验结果HP01-1面弯624180合格背弯624180合格HP01-2面弯624180合格背弯624180合格冲击试验试验报告编号试样编号试样尺寸缺口类型缺口位置试验温度(℃)冲击吸收功(J)备注表H-03NO:03金相检验(角焊缝):根部:(焊透、未焊透)/焊缝:(熔合、未熔合)/焊缝、热影响区:(有裂纹、无裂纹)/检验截面ⅠⅡⅢⅣⅤ焊脚差(㎜)/////无损检验RT:合格UT:/MT:/PT:/附加说明:结论:本评定按JB4708-2000规定焊接试件、检验试样、测定性能、确认试验记录正确焊工姓名焊工代号施焊日期编制日期审核日期批准日期第三方检验评定结果:合格焊接工艺指导书表H-02NO:01单位名称台州市东方工业设备安装有限公司焊接工艺指导书编号HZ02日期焊接工艺评定报告编号HP02焊接方法SMAW和GTAW机械化程度手工焊接接头:简图:(接头形式、坡口形式...

1、当您付费下载文档后,您只拥有了使用权限,并不意味着购买了版权,文档只能用于自身使用,不得用于其他商业用途(如 [转卖]进行直接盈利或[编辑后售卖]进行间接盈利)。
2、本站所有内容均由合作方或网友上传,本站不对文档的完整性、权威性及其观点立场正确性做任何保证或承诺!文档内容仅供研究参考,付费前请自行鉴别。
3、如文档内容存在违规,或者侵犯商业秘密、侵犯著作权等,请点击“违规举报”。

碎片内容

焊接工艺指导书(25)(1)

确认删除?
VIP
微信客服
  • 扫码咨询
会员Q群
  • 会员专属群点击这里加入QQ群
客服邮箱
回到顶部