电脑桌面
添加小米粒文库到电脑桌面
安装后可以在桌面快捷访问

污水处理成套设备安装工法VIP免费

污水处理成套设备安装工法_第1页
1/10
污水处理成套设备安装工法_第2页
2/10
污水处理成套设备安装工法_第3页
3/10
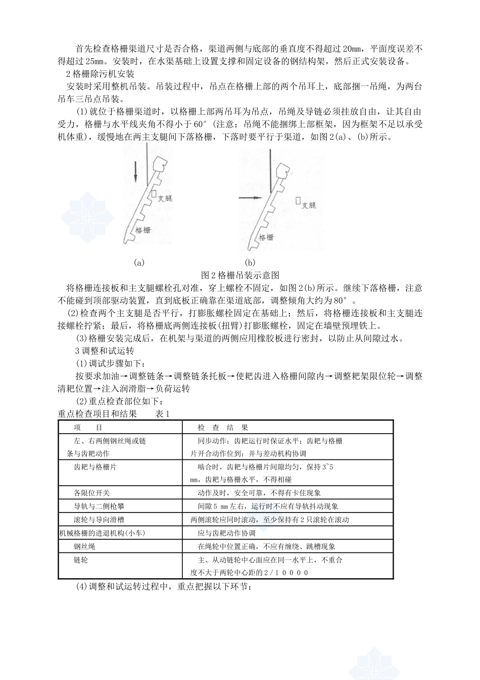
污水处理成套设备安装工法污水处理是随着社会高速发展,日益不断地提高生活质量,增强人民身体健康的迫切需求;也是进一步改善区域环境卫生,减少水资源污染保护环境的重要措施。污水处理成套设备的安装是污水处理厂的核心技术,针对我国污水处理厂建设的增多,结合l0万吨/日城市污水处理工程及多项小型污水处理厂工程的实践经验编写而成。1特点1.1本工法包括整套污水处理专用机械设备的安装施工技术。其中,有牵引式格栅除污机安装、转碟曝气机安装、全桥刮泥机安装、砂水分离机安装、一体化脱水机安装。1.2各专用机械设备的安装工艺比较简单,操作方便,容易保证工程质量。2适用范围本工法适应于10万吨/日以下,采用氧气沟曝气技术的污水处理厂工程主要设备安装。3工艺原理利用不同的施工技术和施工机械完成整套污水处理专用设备的安装,形成新的污水处理体系,以满足人们改善地区生态环境的需求。4工艺流程及操作要点4.1设备施工工艺流程图4.2操作要点4.2.1设备安装前的准备工作l设备基础工程验收(1)设备基础的位置、几何尺寸要符合施工图纸;施工质量要求要符合现行国家标准《混凝土结构工程施工质量验收规范》的规定;要有验收资料和施工记录。在设备安装前,应按规范中的允许偏差对设备基础位置和几何尺寸进行复检。(2)设备基础表面和地脚螺栓预留孔中的油污、碎石、泥土、积水等均应清除干净;预埋地脚螺栓的螺纹和螺母应保护完好;放置垫铁部位的表面应平整。(3)地脚螺栓预留孔中应垂直,无偏斜;地脚螺栓任一部分离孔壁的距离应大于15mm:地脚螺栓底端不应碰孔底。(4)需要预压的基础,应预压合格并应有预压沉降记录。2设备开箱验收(1)设备开箱应按下列要求进行检查,并应作出记录:箱号、箱数以及包装情况;设备的名称、型号和规格;装箱清单、设备技术文件、资料及专甩工具;设备有无缺损件,表面有无损坏和锈蚀等;其他需要记录的情况。(2)设备及其零、部件和专用工具,均应妥善保管,不得使其变形、损坏、锈蚀、错乱或丢失。3设备安装前的条件(1)对临时建筑、运输道路、水源、电源、蒸汽、压缩空气照明、消防设施、主要材料和机具及劳动力等,应有充分准备,并做出合理安排。(2)其厂房屋面、外墙、门窗和内部粉刷等工程应基本完工,当必须与安装配合施工时,有关的基础地坪、沟道等工程已完工,其混凝土强度不应低于设计强度的75%;安装施工地点及附近的建筑材料、泥土、杂物等,应清除干净。(3)当设备安装工序中有恒温、恒湿、防震、防尘或防辐射等要求时,应在安装地点采取相应的措施后,方可进行相应工序的施工。(4)利用建筑结构作为起吊、搬运设备的承力点时,应对结构的承载力进行核算,必要时应经设计单位的同意,方可利用。(5)设备就位前,应按施工图和有关建筑物的轴线或边缘线及标高线,划定安装基础线。(6)地脚螺栓上的油污和氧化皮等应清除干净,螺纹部分应涂少量油脂;螺母与垫圈、垫圈与设备底座间的接触均应紧密;拧紧螺母后,螺栓应露出螺母,露出的长度宜为螺栓直径的l/3~2/3。4.2.2牵引式格栅除污机安装要点为保证设备性能要求,安装调试过程中控制各零部件质量精度的同时,安装传动系统主体部分的机架平台应在组焊后进行整体机架加工,以提高传动系统的装配精度。如图1所示。图l钢丝绳牵引式格栅除污机示意图l安装前准备工作首先检查格栅渠道尺寸是否合格,渠道两侧与底部的垂直度不得超过20mm,平面度误差不得超过25mm。安装时,在水渠基础上设置支撑和固定设备的钢结构架,然后正式安装设备。2格栅除污机安装安装时采用整机吊装。吊装过程中,吊点在格栅上部的两个吊耳上,底部捆一吊绳,为两台吊车三吊点吊装。(1)就位于格栅渠道时,以格栅上部两吊耳为吊点,吊绳及导链必须挂放自由,让其自由受力,格栅与水平线夹角不得小于60°(注意:吊绳不能捆绑上部框架,因为框架不足以承受机体重),缓慢地在两主支腿间下落格栅,下落时要平行于渠道,如图2(a)、(b)所示。(a)(b)图2格栅吊装示意图将格栅连接板和主支腿螺栓孔对准,穿上螺栓不固定,如图2(b)所示。继续下落格栅,注意不能碰到顶部驱动装置,直到底板正确靠在渠道底部,调整倾角大约为8...

1、当您付费下载文档后,您只拥有了使用权限,并不意味着购买了版权,文档只能用于自身使用,不得用于其他商业用途(如 [转卖]进行直接盈利或[编辑后售卖]进行间接盈利)。
2、本站所有内容均由合作方或网友上传,本站不对文档的完整性、权威性及其观点立场正确性做任何保证或承诺!文档内容仅供研究参考,付费前请自行鉴别。
3、如文档内容存在违规,或者侵犯商业秘密、侵犯著作权等,请点击“违规举报”。

碎片内容

污水处理成套设备安装工法

确认删除?
VIP
微信客服
  • 扫码咨询
会员Q群
  • 会员专属群点击这里加入QQ群
客服邮箱
回到顶部