电脑桌面
添加小米粒文库到电脑桌面
安装后可以在桌面快捷访问

棒材生产工艺VIP免费

棒材生产工艺_第1页
1/23
棒材生产工艺_第2页
2/23
棒材生产工艺_第3页
3/23
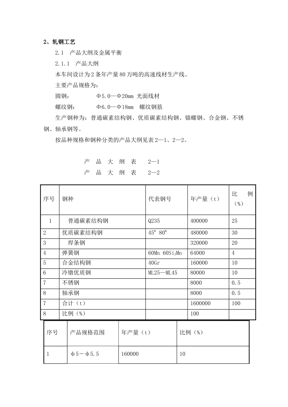
2、轧钢工艺2.1产品大纲及金属平衡2.1.1产品大纲本车间设计为2条年产量80万吨的高速线材生产线。主要产品规格为:圆钢:Φ5.0—Φ20mm光面线材螺纹钢:Φ6.0—Φ18mm螺纹钢筋生产钢种为:普通碳素结构钢、优质碳素结构钢、锚螺钢、合金钢、不锈钢、轴承钢等。按品种规格和钢种分类的产品大纲见表2—1、2—2。产品大纲表2—1产品大纲表2—2序号产品规格范围年产量(t)比例(%)1ф5-ф5.516000010序号钢种代表钢号年产量(t)比例(%)1普通碳素结构钢Q235400000252优质碳素结构钢45#80#480000303焊条钢320000204弹簧钢60Mn60Si2Mn6400045合金结构钢40Gr160000106冷镦优质钢ML25—ML4580000107不锈钢80000.58轴承钢80000.57合计(t)16000001008比例(%)1002ф6.0—ф9400000253ф10—ф13720000454ф14—ф18240000155ф20800005合计1002.1.2产品质量及标准(1)产品交货状态:均以盘卷状态交货(2)产品执行标准—GB/T14981-94热轧盘条尺寸、外形、重量及允许偏差—GB700-88碳素结构钢—GB/T699-1999优质碳素结构钢技术条件—GB6478-86冷镦钢技术条件—GB/T3077-1999合金结构钢技术条件—GB1222-84弹簧钢2.1.3原料车间所用原料为连铸坯,全部由潍钢炼钢供给,钢坯规格尺寸为:150×150×12000mm,净重为2075kg,最小坯料长度为8000mm。坯料应满足国家标准YB2011—83中规定和YB/T004—91中规定的内容。连铸坯年需要量为166.4万吨。2.1.4金属平衡车间原料用量为166.4万吨,成品量为160万吨,成材率为96%,金属平衡见表2—2。车间金属平衡表表2-3原料量(t)产品炉内烧损及二次氧化切损及轧废数量(t)所占比例(%)数量(t)所占比例(%)数量(t)所占比例(%)166.416096240001.5400002.52.2生产工艺流程2.2.1生产工艺流程简图生产工艺流程简图运坯辊道`链式提升机加热炉装钢辊道钢坯称重测长加热炉加热高压水除鳞切头尾粗轧机组轧制切头尾吐丝机布线圈打捆表面尺寸检查P&F线运送冷集卷挂卷散卷运输控制风冷检查2.2.2生产工艺流程简述该高速线材生产车间建在潍坊钢铁集团有限责任公司棒线材厂的东侧,其生产用钢坯均由炼钢厂提供。连铸坯供料为热坯供料方式。钢坯在加热炉内加热1050至1150℃后,由炉内输出辊道送出炉外。出炉后的钢坯由保温辊道送入轧机进行全连续轧制。轧机全部呈平—立交替布置,共有30机架,分为粗、中、预精轧、精轧、减定径机五个机组,1#-18#轧机为平立交替布置,精轧机各机架轧辊轴线与水平面称45°倾角,相邻两机架间轧辊轴线90°交替布置。各架轧机均由交流变频电机单独传动,轧件在第1到第12机架之间采用微张力轧制;从12号机架至精轧机前设置量2个侧活套,8个立活套,采用无张力轧制。。侧活套切头尾中轧机组轧制飞剪切头碎断剪碎断水冷箱、水冷机架间立活套预精轧机组轧夹送辊夹送在线测径仪水冷段控制冷减径定径机水冷段控制冷精轧机组轧制侧活套在精轧机前后设有穿水冷却装置,精轧机前水冷线长42米2个水箱,精轧后水冷线4个水箱通过控制水压、水量、水箱数及每个水箱的冷却喷嘴数来控制精轧和减径定径机入口处轧件温度及线材吐丝温度。轧件经夹送辊和吐丝机形成螺旋状线圈,并落在风冷辊道上,根据处理的钢种和规格,可以调节辊道速度、风量等,以控制线材冷却速度。线材在运输机尾部落入集卷筒,然后由收集装置收集成卷。当一卷线材收集完了后,收集装置芯棒旋转,盘卷运输小车接受盘卷。然后小车移出,将盘卷送到处于等待状态的P&F线的钩子上。盘卷挂好后,运输小车返回,载有盘卷的钩子则由运输机带动沿轨道向前运行,继续进行冷却。经压紧打捆、称重挂标、进入卸卷站卸卷,最后由电磁吊车运到成品库堆存。轧制过程中产生的废料被收集在废料筐内先由叉车运至成品库,再被汽运到炼钢的废钢场。2.3车间年工作制度和年工作时间车间采用四班三运转连续工作制,节假日及公休日不休息,年有效工作时间为7000小时。车间年工作时间见表2—4。车间年工作时间表2—4工作制度日历数(天)计划停工时间(h)规定工作时间(h)停工时间(h)年有效工作小时(h)大、中修(天)小计(天)生产准备事故及工序配合外部影响三班连续3652525816046...

1、当您付费下载文档后,您只拥有了使用权限,并不意味着购买了版权,文档只能用于自身使用,不得用于其他商业用途(如 [转卖]进行直接盈利或[编辑后售卖]进行间接盈利)。
2、本站所有内容均由合作方或网友上传,本站不对文档的完整性、权威性及其观点立场正确性做任何保证或承诺!文档内容仅供研究参考,付费前请自行鉴别。
3、如文档内容存在违规,或者侵犯商业秘密、侵犯著作权等,请点击“违规举报”。

碎片内容

棒材生产工艺

您可能关注的文档

确认删除?
VIP
微信客服
  • 扫码咨询
会员Q群
  • 会员专属群点击这里加入QQ群
客服邮箱
回到顶部