电脑桌面
添加小米粒文库到电脑桌面
安装后可以在桌面快捷访问

烧结厂设备使用与维护规程VIP专享VIP免费

烧结厂设备使用与维护规程_第1页
1/44
烧结厂设备使用与维护规程_第2页
2/44
烧结厂设备使用与维护规程_第3页
3/44
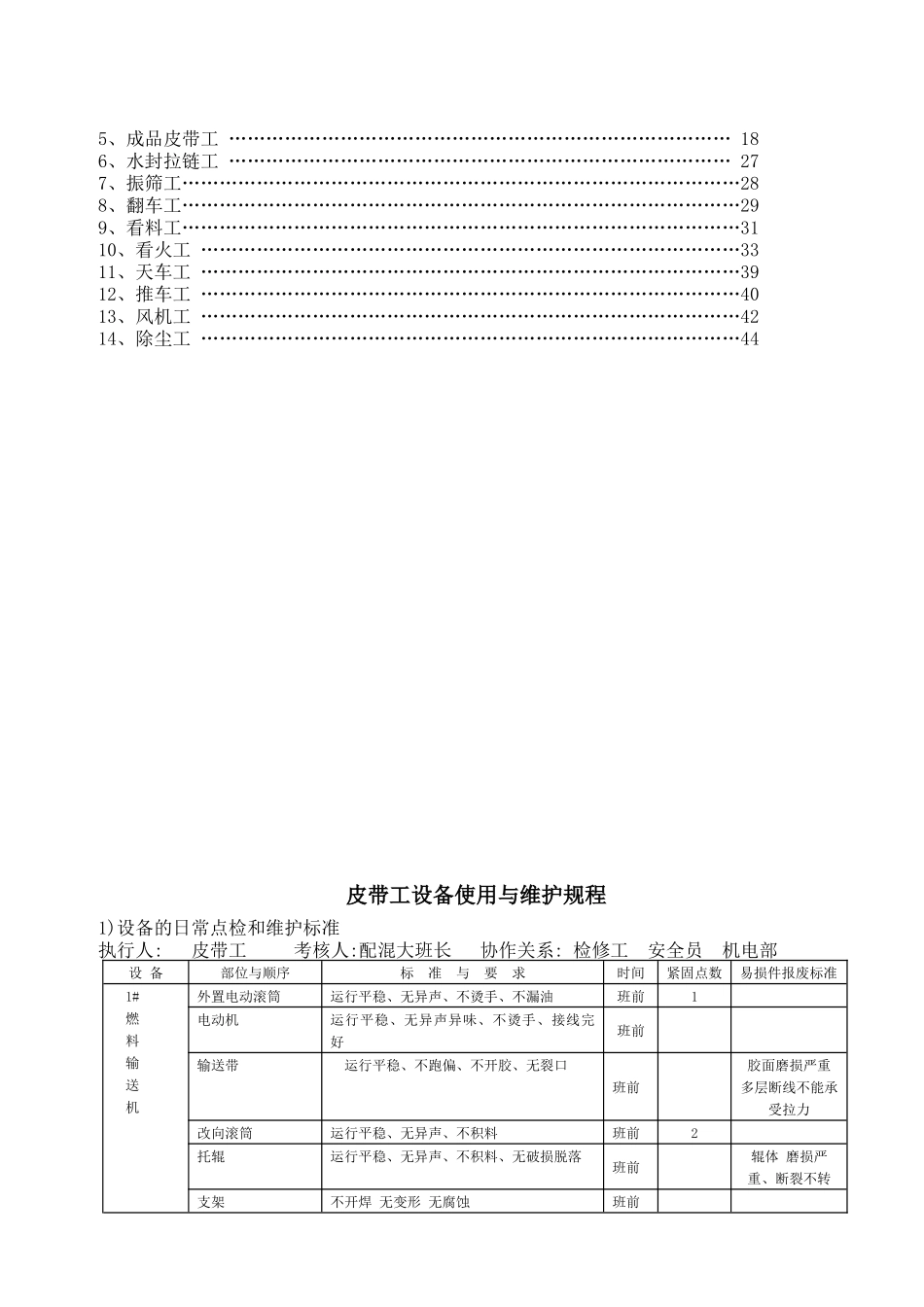
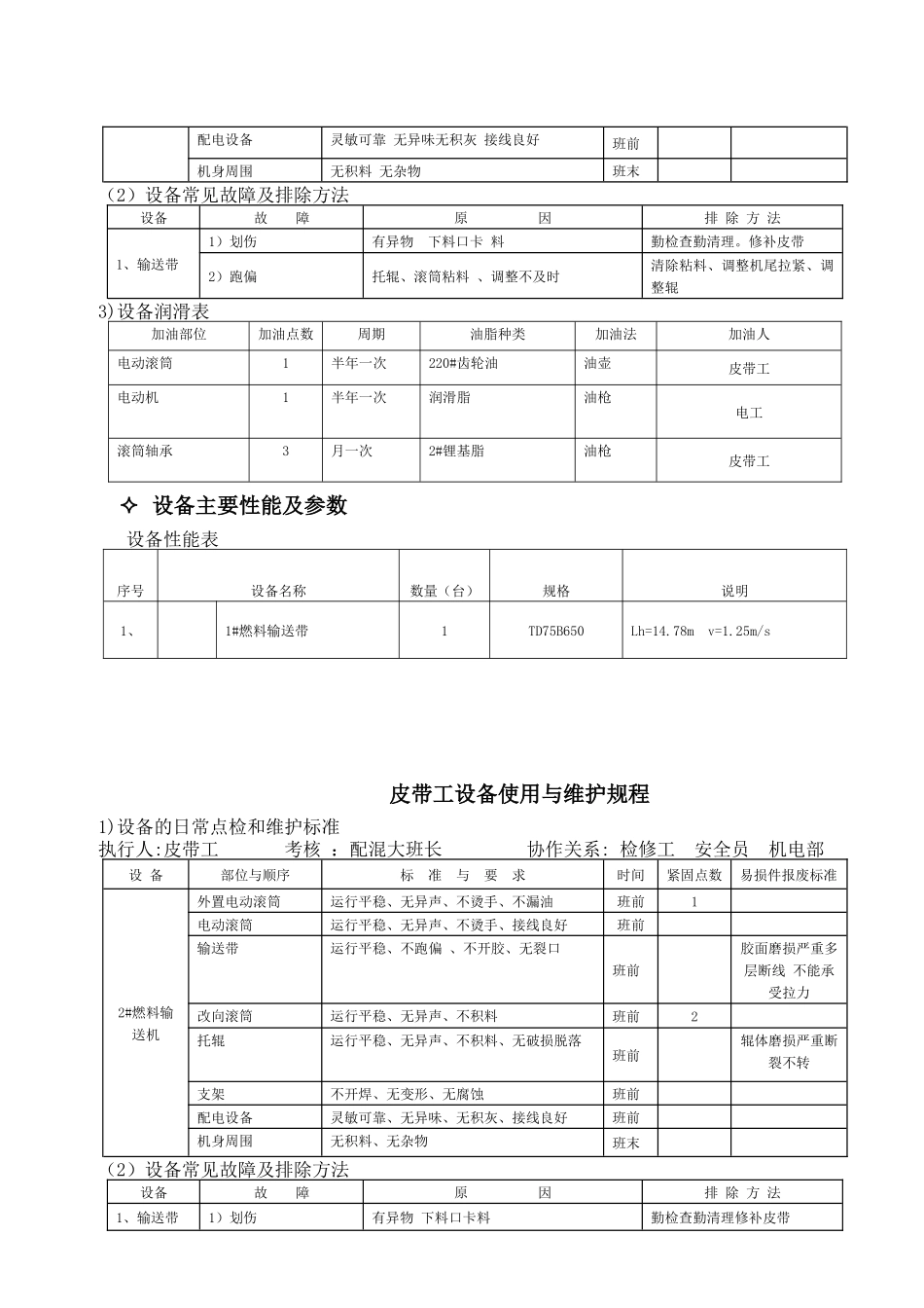
烧结厂设备使用与维护规程编号:QX-SQE-ZY-1203-001-2011(1)目录1、配料皮带工…………………………………………………………………………32、配料工………………………………………………………………………………133、破碎工……………………………………………………………………………154、水泵工……………………………………………………………………………165、成品皮带工………………………………………………………………………186、水封拉链工………………………………………………………………………277、振筛工………………………………………………………………………………288、翻车工………………………………………………………………………………299、看料工………………………………………………………………………………3110、看火工……………………………………………………………………………3311、天车工……………………………………………………………………………3912、推车工……………………………………………………………………………4013、风机工……………………………………………………………………………4214、除尘工……………………………………………………………………………44皮带工设备使用与维护规程1)设备的日常点检和维护标准执行人:皮带工考核人:配混大班长协作关系:检修工安全员机电部设备部位与顺序标准与要求时间紧固点数易损件报废标准1#燃料输送机外置电动滚筒运行平稳、无异声、不烫手、不漏油班前1电动机运行平稳、无异声异味、不烫手、接线完好班前输送带运行平稳、不跑偏、不开胶、无裂口班前胶面磨损严重多层断线不能承受拉力改向滚筒运行平稳、无异声、不积料班前2托辊运行平稳、无异声、不积料、无破损脱落班前辊体磨损严重、断裂不转支架不开焊无变形无腐蚀班前配电设备灵敏可靠无异味无积灰接线良好班前机身周围无积料无杂物班末(2)设备常见故障及排除方法设备故障原因排除方法1、输送带1)划伤有异物下料口卡料勤检查勤清理。修补皮带2)跑偏托辊、滚筒粘料、调整不及时清除粘料、调整机尾拉紧、调整辊3)设备润滑表加油部位加油点数周期油脂种类加油法加油人电动滚筒1半年一次220#齿轮油油壶皮带工电动机1半年一次润滑脂油枪电工滚筒轴承3月一次2#锂基脂油枪皮带工设备主要性能及参数设备性能表序号设备名称数量(台)规格说明1、1#燃料输送带1TD75B650Lh=14.78mv=1.25m/s皮带工设备使用与维护规程1)设备的日常点检和维护标准执行人:皮带工考核:配混大班长协作关系:检修工安全员机电部设备部位与顺序标准与要求时间紧固点数易损件报废标准2#燃料输送机外置电动滚筒运行平稳、无异声、不烫手、不漏油班前1电动滚筒运行平稳、无异声、不烫手、接线良好班前输送带运行平稳、不跑偏、不开胶、无裂口班前胶面磨损严重多层断线不能承受拉力改向滚筒运行平稳、无异声、不积料班前2托辊运行平稳、无异声、不积料、无破损脱落班前辊体磨损严重断裂不转支架不开焊、无变形、无腐蚀班前配电设备灵敏可靠、无异味、无积灰、接线良好班前机身周围无积料、无杂物班末(2)设备常见故障及排除方法设备故障原因排除方法1、输送带1)划伤有异物下料口卡料勤检查勤清理修补皮带2)跑偏托辊滚筒粘料调整不及时清理粘物调整调整辊3)设备润滑表加油部位加油点数周期油脂种类加油法加油人电动滚筒1半年一次220#齿轮油油壶皮带工电动机1半年一次润滑脂油枪电工滚筒轴承2月一次2#锂基脂油枪皮带工设备主要性能及参数设备性能表序号设备名称数量(台)规格说明1、2#燃料输送机1TD75B650Lh=65.82m提升高度15.8mv=1.25m/s皮带工设备使用与维护规程1)设备的日常点检和维护标准执行人:皮带工考核:配混大班长协作关系:检修工安全员机电部设备部位与顺序标准与要求时间紧固点数易损件报废标准3#4#燃料输送机内置电动滚筒运行平稳、无异声、不烫手、不漏油班前2改向滚筒运行平稳、无异声、不积料班前2输送带运行平稳、不跑偏、不开胶、无裂口班前胶面磨损严重多层断线不能承受拉力托辊运行平稳、无异声、不积料、无破损脱落班前辊体磨损严重断...

1、当您付费下载文档后,您只拥有了使用权限,并不意味着购买了版权,文档只能用于自身使用,不得用于其他商业用途(如 [转卖]进行直接盈利或[编辑后售卖]进行间接盈利)。
2、本站所有内容均由合作方或网友上传,本站不对文档的完整性、权威性及其观点立场正确性做任何保证或承诺!文档内容仅供研究参考,付费前请自行鉴别。
3、如文档内容存在违规,或者侵犯商业秘密、侵犯著作权等,请点击“违规举报”。

碎片内容

烧结厂设备使用与维护规程

确认删除?
VIP
微信客服
  • 扫码咨询
会员Q群
  • 会员专属群点击这里加入QQ群
客服邮箱
回到顶部