电脑桌面
添加小米粒文库到电脑桌面
安装后可以在桌面快捷访问

公司设备部岗位规范VIP免费

公司设备部岗位规范_第1页
1/27
公司设备部岗位规范_第2页
2/27
公司设备部岗位规范_第3页
3/27
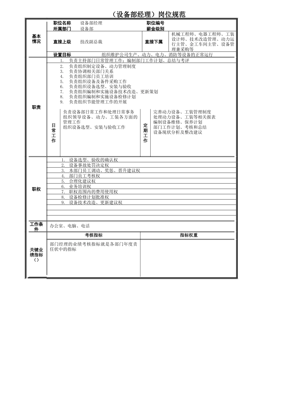
设备部岗位规范(设备部经理)岗位规范基本情况职位名称设备部经理职位编号所属部门设备部薪金级别直接上级技改副总裁直接下属机械工程师、电器工程师、工装设计师、技术改造管理、动力运行主管、金工车间主管、设备管理兼采购等设置目标组织维护公司生产、动力、电力、消防等设备的正常运行职责1.负责主持部门日常管理工作;编制部门工作计划、总结与考评2.负责组织制定设备、动力管理制度3.负责协调相关部门关系4.负责组织部门员工培训5.负责组织设备及备件采购工作6.负责组织设备选型、安装与验收7.负责组织编制和实施设备技术改造、更新策划8.负责组织编制和实施设备检修计划9.负责组织节能管理工作的开展日常工作负责设备部日常工作和处理日常事务组织领导设备、动力、工装各方面的管理工作组织设备选型、安装与验收工作定期工作完善动力设备、工装管理制度处理动力设备、工装等相关报表编制设备维修、保养计划部门工作计划、考核和总结设备现状分析及整改建议职权1.设备选型、验收的确认权2.设备事故处罚决定权3.本部门员工调动、奖惩、晋升建议权4.部门员工考核权5.合理化建议权6.业务培训权7.职权范围内的费用使用权8.设备检修计划批准权9.设备技术改造、更新建议权工作条件办公室、电脑、电话关键业绩指标()考核指标指标权重部门经理的业绩考核指标就是各部门年度责任状中的指标工作关系内部工作关系汇报定期向直接上级提交设备部工作计划与工作总结不定期向直接上级递交设备的使用情况不定期向直接上级进行口头汇报督导定期审阅一级提交的设备采购等书面报告,并作出相关工作指导协调与各设备使用单位就设备等事项进行沟通与财务部就费用预算等事项进行沟通外部工作关系不定期与供电局就有关用电事项进行磋商任职资格学历大专以上学历专业机电类年龄35岁以上性别男性格外向开朗、耐心尽责、富有亲和力工作经验从事设备等方面管理工作5年以上经历有大中型企业或外资企业工作经验岗位所需知识工业生产管理相关知识了解的推行和运作知识有一定动力、设备、机械基本知识岗位技能要求设备动力的管理岗位技能培训要求科目名称课时数组织设备选型、安装及验收设备管理良好的沟通指挥能力计算机操作职前培训新员工入职培训公司设备管理现状培训职业发展可晋升的职位技改副总裁可转换的职位修订履历修订时间修订内容修订者审核者审批者2004-2-10版本建立2005-4-1版本修订丁明杰柯金财邱智铭(金工主管)岗位规范基本情况职位名称金工车间主管职位编号所属部门设备部薪金级别直接上级设备部经理直接下属工装设计、机修工设置目标组织保质保量加工生产所需工装职责1.编制工装管理制度2.工装档案建立3.组织生产所需工装加工日常工作工装档案的收集,整理工装的加工组织工装使用的日常巡查定期工作做好工装方面的资金计划负责汇报工装和采购等相关报表完善工装管理制度工装的定期检查职权1.工装的选用确认权2.工装加工组织权3.不合格工装的回收权4.合理化建议权5.工装保养维护的指导权工作条件办公室、电脑、电话关键业绩指标()考核指标指标权重工装加工质量100%工作关系内部工作关系汇报金工车间的生产计划安排督导生产过程的组织协调生产分厂的需求与生产安排外部工作关系与外加工单位的协调任职资格学历大专以上学历专业不限年龄30岁以上性别男性格工作经验2年以上工作经验本地区有加工采购相关经验有制笔行业经验优先岗位所需知识本公司工装应用情况和基本知识岗位技能要求熟悉本公司工装的用途和性能岗位技能培训要求科目名称课时数一般机械设计工装设计制作一周制图工装管理职前培训新员工入职培训职业发展可晋升的职位可转换的职位设备管理、工装设计修订履历修订时间修订内容修订者审核者审批者2004-2-10版本建立2005-4-1版本修订丁明杰柯金财邱智铭(设备管理)岗位规范基本情况职位名称设备管理职位编号所属部门设备部薪金级别直接上级设备部经理直接下属机修工设置目标职责1、设备机械维修、设备选型、安装调试和验收2、设备维护保养的指导及监督检查3、参与设备大修和技术改造项目4、设备安全防护和监控日常工作车间设备机械方面应争事件处理;车间设备日常维护的指...

1、当您付费下载文档后,您只拥有了使用权限,并不意味着购买了版权,文档只能用于自身使用,不得用于其他商业用途(如 [转卖]进行直接盈利或[编辑后售卖]进行间接盈利)。
2、本站所有内容均由合作方或网友上传,本站不对文档的完整性、权威性及其观点立场正确性做任何保证或承诺!文档内容仅供研究参考,付费前请自行鉴别。
3、如文档内容存在违规,或者侵犯商业秘密、侵犯著作权等,请点击“违规举报”。

碎片内容

公司设备部岗位规范

确认删除?
VIP
微信客服
  • 扫码咨询
会员Q群
  • 会员专属群点击这里加入QQ群
客服邮箱
回到顶部