电脑桌面
添加小米粒文库到电脑桌面
安装后可以在桌面快捷访问

大型仪器设备验收报告-高速旋转流变仪VIP免费

大型仪器设备验收报告-高速旋转流变仪_第1页
1/6
大型仪器设备验收报告-高速旋转流变仪_第2页
2/6
大型仪器设备验收报告-高速旋转流变仪_第3页
3/6
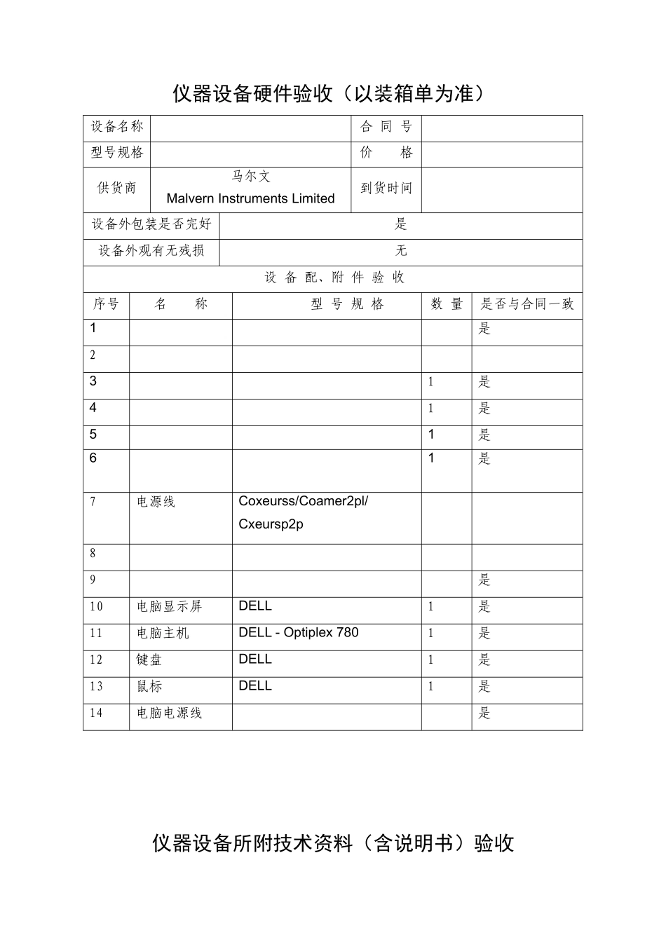
资产编号:仪器设备验收报告设备名称:型号:用户单位:武汉生物技术研究院-国家纳米药物工程技术研究中心验收日期:2011-10-实验室与设备管理处制仪器设备硬件验收(以装箱单为准)设备名称合同号型号规格价格供货商马尔文MalvernInstrumentsLimited到货时间设备外包装是否完好是设备外观有无残损无设备配、附件验收序号名称型号规格数量是否与合同一致1是231是41是51是61是7电源线Coxeurss/Coamer2pl/Cxeursp2p89是10电脑显示屏DELL1是11电脑主机DELL-Optiplex7801是12键盘DELL1是13鼠标DELL1是14电脑电源线是仪器设备所附技术资料(含说明书)验收序号资料名称文号出版单位出版日期验收情况1ZetasizerNanoSeriesOperatorsGuideMAN0317/5MalvernInstrumentLimited2009-08正常2ZetasizerNanoSeriesEssentialsManualMAN0382/52009-08正常3ZetasizerNanoSeriesProductSoftwareSuitePSS00122009-08正常6InstallationReport2011-08-15正常7ZetaPotentionReport2011-08-15正常8SoftwareLicense2011-08-15正常9PerformanceVerificationCertificate2011-08-15正常10InstrumentWarranty2011-08-15正常11SalesOrder2011-08-24正常5ZetasizerSoftwarePSW0012-232011-08-156DispersionTechnologySoftwarePSW0107-1.042011-08-1515Windows7操作系统安装光盘2011-08-1516新版驱动光盘2011-08-15资料管理员签字:年月日仪器设备技术指标验收设备名称合同规定技术指标验收实测技术指标验收结论(含硬件、技术指标、资料等):验收小组组长签字:使用管理单位负责人签字:参加验收人员姓名职称或职务工作单位签名

1、当您付费下载文档后,您只拥有了使用权限,并不意味着购买了版权,文档只能用于自身使用,不得用于其他商业用途(如 [转卖]进行直接盈利或[编辑后售卖]进行间接盈利)。
2、本站所有内容均由合作方或网友上传,本站不对文档的完整性、权威性及其观点立场正确性做任何保证或承诺!文档内容仅供研究参考,付费前请自行鉴别。
3、如文档内容存在违规,或者侵犯商业秘密、侵犯著作权等,请点击“违规举报”。

碎片内容

大型仪器设备验收报告-高速旋转流变仪

您可能关注的文档

黄金书屋+ 关注
实名认证
内容提供者

爱好英语教学和互联网行业,热爱教育事业,兢兢业业

相关文档

确认删除?
VIP
微信客服
  • 扫码咨询
会员Q群
  • 会员专属群点击这里加入QQ群
客服邮箱
回到顶部