电脑桌面
添加小米粒文库到电脑桌面
安装后可以在桌面快捷访问

设备开箱检查记录VIP免费

设备开箱检查记录_第1页
1/28
设备开箱检查记录_第2页
2/28
设备开箱检查记录_第3页
3/28
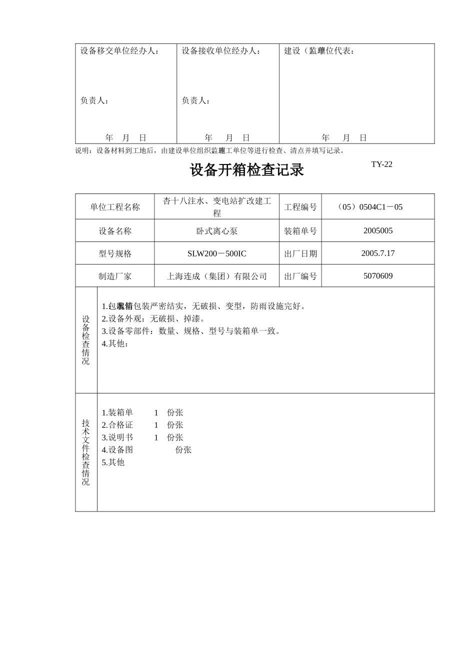
设备开箱检查记录单位工程名称杏十八注水、变电站扩改建工程工程编号(05)0504C1-05设备名称卧式离心泵装箱单号2005003型号规格SLW300-315出厂日期2005.7.17制造厂家上海连成(集团)有限公司出厂编号5070636设备检查情况1.包装情况:木箱包装严密结实,无破损、变型,防雨设施完好。2.设备外观:无破损、掉漆。3.设备零部件:数量、规格、型号与装箱单一致。4.其他:技术文件检查情况1.装箱单1份张2.合格证1份张3.说明书1份张4.设备图份张5.其他存在问题的处理意见设备移交单位经办人:负责人:年月日设备接收单位经办人:负责人:年月日建设(监理)单位代表:年月日TY-22说明:设备材料到工地后,由建设单位组织监理、施工单位等进行检查、清点并填写记录。设备开箱检查记录单位工程名称杏十八注水、变电站扩改建工程工程编号(05)0504C1-05设备名称卧式离心泵装箱单号2005004型号规格SLW300-315出厂日期2005.7.17制造厂家上海连成(集团)有限公司出厂编号5070635设备检查情况1.包装情况:木箱包装严密结实,无破损、变型,防雨设施完好。2.设备外观:无破损、掉漆。3.设备零部件:数量、规格、型号与装箱单一致。4.其他:技术文件检查情况1.装箱单1份张2.合格证1份张3.说明书1份张4.设备图份张5.其他存在问题的处理意见TY-22设备移交单位经办人:负责人:年月日设备接收单位经办人:负责人:年月日建设(监理)单位代表:年月日说明:设备材料到工地后,由建设单位组织监理、施工单位等进行检查、清点并填写记录。设备开箱检查记录单位工程名称杏十八注水、变电站扩改建工程工程编号(05)0504C1-05设备名称卧式离心泵装箱单号2005005型号规格SLW200-500IC出厂日期2005.7.17制造厂家上海连成(集团)有限公司出厂编号5070609设备检查情况1.包装情况:木箱包装严密结实,无破损、变型,防雨设施完好。2.设备外观:无破损、掉漆。3.设备零部件:数量、规格、型号与装箱单一致。4.其他:技术文件检查情况1.装箱单1份张2.合格证1份张3.说明书1份张4.设备图份张5.其他TY-22存在问题的处理意见设备移交单位经办人:负责人:年月日设备接收单位经办人:负责人:年月日建设(监理)单位代表:年月日说明:设备材料到工地后,由建设单位组织监理、施工单位等进行检查、清点并填写记录。设备开箱检查记录单位工程名称杏十八注水、变电站扩改建工程工程编号(05)0504C1-05设备名称卧式离心泵装箱单号2005006型号规格SLW200-500IC出厂日期2005.7.17制造厂家上海连成(集团)有限公司出厂编号5070611设备检查情况1.包装情况:木箱包装严密结实,无破损、变型,防雨设施完好。2.设备外观:无破损、掉漆。3.设备零部件:数量、规格、型号与装箱单一致。4.其他:TY-22技术文件检查情况1.装箱单1份张2.合格证1份张3.说明书1份张4.设备图份张5.其他存在问题的处理意见设备移交单位经办人:负责人:年月日设备接收单位经办人:负责人:年月日建设(监理)单位代表:年月日说明:设备材料到工地后,由建设单位组织监理、施工单位等进行检查、清点并填写记录。设备开箱检查记录单位工程名称杏十八注水、变电站扩改建工程工程编号(05)0504C1-05设备名称卧式离心泵装箱单号2005007型号规格SLW200-500IC出厂日期2005.7.17制造厂家上海连成(集团)有限公司出厂编号5070610TY-22设备检查情况1.包装情况:木箱包装严密结实,无破损、变型,防雨设施完好。2.设备外观:无破损、掉漆。3.设备零部件:数量、规格、型号与装箱单一致。4.其他:技术文件检查情况1.装箱单1份张2.合格证1份张3.说明书1份张4.设备图份张5.其他存在问题的处理意见设备移交单位经办人:负责人:年月日设备接收单位经办人:负责人:年月日建设(监理)单位代表:年月日说明:设备材料到工地后,由建设单位组织监理、施工单位等进行检查、清点并填写记录。设备开箱检查记录单位工程名称杏十八注水、变电站扩改建工程工程编号(05)0504C1-05设备名称双吸离心泵装箱单号20050039型号规格S250-39出厂日期2005.3TY-22制造厂家锦州市工业泵厂出厂编号532设备检查情况1.包装情况:木箱包装严密结实,无破损、变型,防雨设...

1、当您付费下载文档后,您只拥有了使用权限,并不意味着购买了版权,文档只能用于自身使用,不得用于其他商业用途(如 [转卖]进行直接盈利或[编辑后售卖]进行间接盈利)。
2、本站所有内容均由合作方或网友上传,本站不对文档的完整性、权威性及其观点立场正确性做任何保证或承诺!文档内容仅供研究参考,付费前请自行鉴别。
3、如文档内容存在违规,或者侵犯商业秘密、侵犯著作权等,请点击“违规举报”。

碎片内容

设备开箱检查记录

您可能关注的文档

确认删除?
VIP
微信客服
  • 扫码咨询
会员Q群
  • 会员专属群点击这里加入QQ群
客服邮箱
回到顶部