电脑桌面
添加小米粒文库到电脑桌面
安装后可以在桌面快捷访问

霍林河坑口电厂新建工程(2×600MW机组)第十四批辅机设备VIP免费

霍林河坑口电厂新建工程(2×600MW机组)第十四批辅机设备_第1页
1/42
霍林河坑口电厂新建工程(2×600MW机组)第十四批辅机设备_第2页
2/42
霍林河坑口电厂新建工程(2×600MW机组)第十四批辅机设备_第3页
3/42
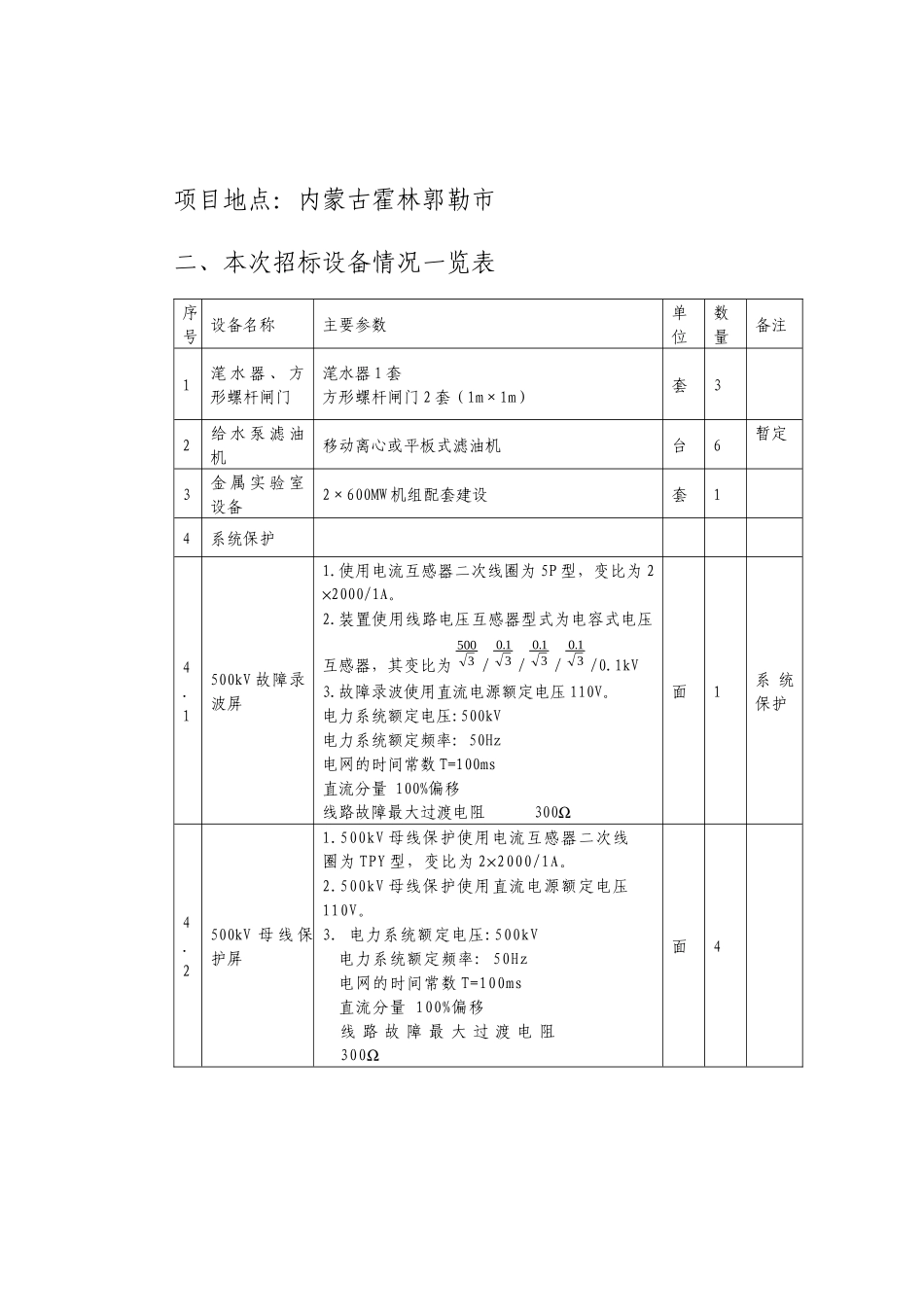
霍林河坑口电厂新建工程(2×600MW机组)第十四批辅机设备招标资格预审公告项目名称:霍林河坑口电厂新建工程(2×600MW机组)招标范围:见本公告第二条。中国电能成套设备有限公司受招标人委托,对下列设备公开招标,现准备进行投标资格预审,请具有相应资质的供货商按照以下要求购买和制作资格审查文件,并在规定的时间内递交到指定地点。购买招标文件时间请留意本次预审的资格预审结果公告(该公告将在《中国电力设备信息网》和《中国采购与招标网》上发布)。一、项目基本情况招标人:通辽霍林河坑口发电有限责任公司招标代理机构:中国电能成套设备有限公司设计单位:东北电力设计院项目地点:内蒙古霍林郭勒市二、本次招标设备情况一览表序号设备名称主要参数单位数量备注1滗水器、方形螺杆闸门滗水器1套方形螺杆闸门2套(1m×1m)套32给水泵滤油机移动离心或平板式滤油机台6暂定3金属实验室设备2×600MW机组配套建设套14系统保护4.1500kV故障录波屏1.使用电流互感器二次线圈为5P型,变比为2´2000/1A。2.装置使用线路电压互感器型式为电容式电压互感器,其变比为////0.1kV3.故障录波使用直流电源额定电压110V。电力系统额定电压:500kV电力系统额定频率:50Hz电网的时间常数T=100ms直流分量100%偏移线路故障最大过渡电阻300W面1系统保护4.2500kV母线保护屏1.500kV母线保护使用电流互感器二次线圈为TPY型,变比为2´2000/1A。2.500kV母线保护使用直流电源额定电压110V。3.电力系统额定电压:500kV电力系统额定频率:50Hz电网的时间常数T=100ms直流分量100%偏移线路故障最大过渡电阻300W面43500013.013.013.序号设备名称主要参数单位数量备注4.3500kV同步相量测量装置1.装置使用电流互感器二次线圈为5P型,500kV系统变比为2´2000/1A、发电机变比为25000/5A2.装置500kV系统使用电压互感器变比为////0.1kV。发电机使用电压互感器变比为///kV3.电力系统额定电压500kV500kV电力系统额定频率50Hz电网的时间常数T=100ms直流分量100%偏移线路故障最大过渡电阻300W套14.4500kV线路保护辅助装置屏1.断路器失灵保护使用电流互感器二次线圈为5P型,变比为2´2000/1A2.线路保护辅助装置使用线路电容式电压互感器,其变比////0.1kV3.线路保护辅助装置使用直流电源额定电压110V4.电力系统额定电压500kV500kV电力系统额定频率50Hz,电网的时间常数T=100ms,直流分量100%偏移线路故障最大过渡电阻300W面43500013.013.013.320013.013.31.03500013.013.013.序号设备名称主要参数单位数量备注4.5500kV系统继电保护及故障录波信息子站主要技术性能:数据处理服务器字长≥32位主频≥2GHZ,内存≥512MB硬盘≥2X100GB液晶显示器³15”、分辩率:1280X1024具有A4激光打印机。电源:站控层设备采用直流110V供电,间隔层设备采用直流110V电源供电。时钟同步:子站系统包含1台GPS装置(包括天线),以实现子站系统的软、硬对时,同时还需为厂内500kV系统保护及故障录波装置提供硬对时接点。与微机保护装置、录波器的联接套14.6500kV振荡解列装置屏1、装置使用电流互感器二次线圈为TPY型,变比为2´2000/1A。2000-4000/1A2、装置使用线路电容式电压互感器,其变比为////0.1kV3、装置使用直流电源额定电压110V4、电力系统额定电压500kV,500kV电力系统额定频率50Hz,电网的时间常数T=100ms直流分量100%偏移,线路故障最大过渡电阻300W屏25厂前区低压开关柜GCS招标文件6电气操控箱、检修箱参数及数量见招标文件7全厂照明灯具见附表8视频会议系统参数及数量见招标文件9MIS系统参数及数量见招标文件10热控实验室设备参数及数量见招标文件3500013.013.013.序号设备名称主要参数单位数量备注11化学实验室设备包括水分析、煤分析、油分析、入厂煤、电厂抗燃油化验套112一次风防爆门防爆门直径D=820mm台2813机组保温材料注:以上为参考参数和数量,具体参数、数量以招标文件为准。附表:全厂照明灯具统计表序号区域名称规格单位数量备注1锅炉本体条形三防灯(立杆带旋转)ZGF6V--100C—2.5套336条形三防灯(立杆带旋转)ZGF6V--150—2.5套10条形三防灯(立杆)ZGF6P--100C—2.2套1132条形三防灯(立杆)ZGF6P--150—2.2套104简式荧...

1、当您付费下载文档后,您只拥有了使用权限,并不意味着购买了版权,文档只能用于自身使用,不得用于其他商业用途(如 [转卖]进行直接盈利或[编辑后售卖]进行间接盈利)。
2、本站所有内容均由合作方或网友上传,本站不对文档的完整性、权威性及其观点立场正确性做任何保证或承诺!文档内容仅供研究参考,付费前请自行鉴别。
3、如文档内容存在违规,或者侵犯商业秘密、侵犯著作权等,请点击“违规举报”。

碎片内容

霍林河坑口电厂新建工程(2×600MW机组)第十四批辅机设备

您可能关注的文档

确认删除?
VIP
微信客服
  • 扫码咨询
会员Q群
  • 会员专属群点击这里加入QQ群
客服邮箱
回到顶部