电脑桌面
添加小米粒文库到电脑桌面
安装后可以在桌面快捷访问

建设项目试生产(使用)方案备案表VIP专享VIP免费

建设项目试生产(使用)方案备案表_第1页
1/9
建设项目试生产(使用)方案备案表_第2页
2/9
建设项目试生产(使用)方案备案表_第3页
3/9
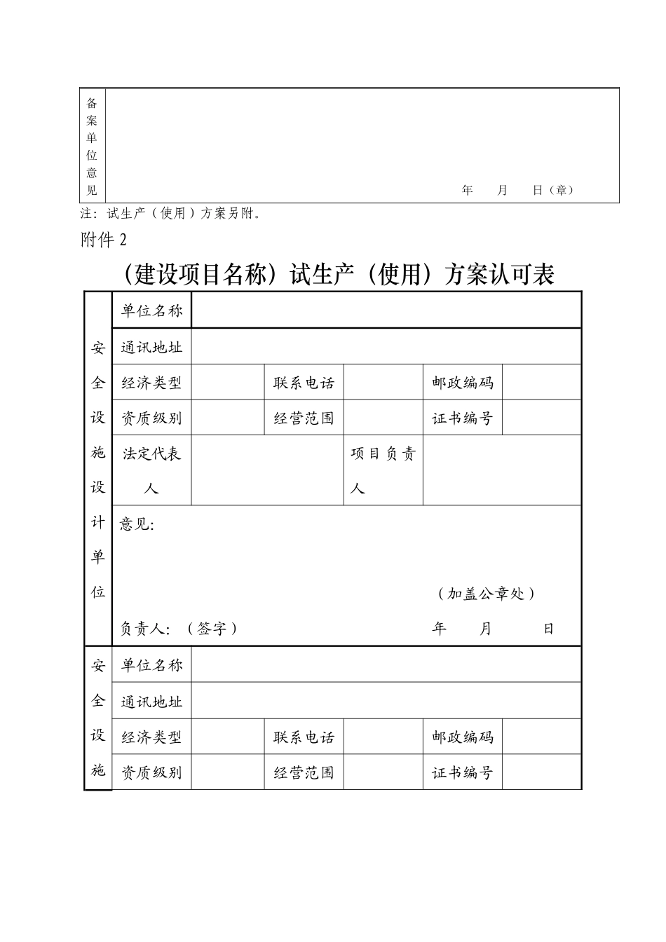
附件1建设项目试生产(使用)方案备案表企业名称注册地址项目建设地址企业类型邮政编码法定代表人联系电话移动电话联系人联系电话移动电话建设项目生产、储存危险化学品种类及危险危害因素安全评价预评价单位报告编号报告时间验收评价单位报告编号报告时间安全专篇设计单位报告编号报告时间建项目监理单位监理结论试生产(使用)方案编制单位操作规程和制度制定情况(数量)试生产起止日期应急救援预案和安全培训教育(人次)单位意见本单位郑重承诺:我单位所提供资料真实有效,并承担相应法律责任。法定代表人(单位负责人)签字:年月日(单位盖章)备案单位意见年月日(章)注:试生产(使用)方案另附。附件2(建设项目名称)试生产(使用)方案认可表安全设施设计单位单位名称通讯地址经济类型联系电话邮政编码资质级别经营范围证书编号法定代表人项目负责人意见:(加盖公章处)负责人:(签字)年月日安全设施单位名称通讯地址经济类型联系电话邮政编码资质级别经营范围证书编号施工单法定代表人项目负责人意见:(加盖公章处)负责人:(签字)年月日监理单位单位名称通讯地址经济类型联系电话邮政编码资质级别经营范围证书编号法定代表人项目负责人意见:(加盖公章处)负责人:(签字)年月日附件3建设项目试生产(使用)方案备案申报表项目名称:建设单位单位名称通讯地址邮政编码电子邮箱经济类型联系电话传真电话法定代表人安全生产负责人企业登记注册机关名称意见:负责人:(签字)(加盖公章处)年月日建设项目所在单位单位名称通讯地址邮政编码电子邮箱经济类型联系电话传真电话主要负责人安全生产负责人企业登记注册机关名称意见:主要负责人:(签字)(加盖公章处)年月日附件4试生产方案及现场设施专家审查意见表项目名称专家姓名工作单位职称/职务签名专家综合评审意见:专家组组长:年月日附件5危险化学品建设项目试生产(使用)方案备案申请受理通知书舟安监危化项目备受字〔2007〕号(建设单位名称):你单位XXXX年XX月XX日提交的(建设项目名称)项目试生产(使用)方案备案申请文件、资料收悉。经审核,申请文件、资料符合《危险化学品建设项目安全许可实施办法》(安全监管总局令第8号)和《浙江省危险化学品建设项目安全许可实施细则》(浙安监管危化〔2007〕41号)的规定。根据《中华人民共和国行政许可法》(中华人民共和国主席令第7号)第三十二条规定,兹受理你单位提出的(建设项目名称)项目试生产(使用)方案备案申请,受理编号为07000X。特此通知。受理人:联系电话:(承办机构盖章)年月日(一式三份,实施部门、建设单位、县(区)安监局各一份)附件6危险化学品建设项目试生产(使用)方案备案告知书舟安监危化项目备字[2007]号(申请单位名称):你单位XXXX年XX月XX日提交的《(建设项目名称)试生产(使用)方案》收悉。经审查,《(建设项目名称)试生产(使用)方案》存在以下问题:请按照《危险化学品建设项目安全许可实施办法》(安全监管总局令第8号)规定和要求,认真研究解决上述问题,并按照《危险化学品建设项目安全许可实施办法》第二十条第二款规定,将修改后的《(建设项目名称)试生产(使用)方案》分别向县(市、区)、市和我局备案。在《(建设项目名称)试生产(使用)方案》未予以备案前,不得组织试生产(使用)活动。年月日抄送:县(区)安监局附件7危险化学品建设项目试生产(使用)方案备案告知书舟安监危化项目备字[年份]号(申请单位名称):你单位XXXX年XX月XX日提交的《(建设项目名称)试生产(使用)方案》收悉。经审查,《(建设项目名称)试生产(使用)方案》符合《危险化学品建设项目安全许可实施办法》(安全监管总局令第8号)规定和要求,现予以备案。请严格按照《(建设项目名称)试生产(使用)方案》组织(建设项目名称)的试生产(使用)。若在试生产(使用)过程中,发现所采取的安全生产措施存在着难以保证安全生产的缺陷和问题时,请立即停止试生产(使用),及时修改和完善安全试生产(使用)方案,并按照《危险化学品建设项目安全许可实施办法》第二十条第二款规定,将修改后的安全试生产(使用...

1、当您付费下载文档后,您只拥有了使用权限,并不意味着购买了版权,文档只能用于自身使用,不得用于其他商业用途(如 [转卖]进行直接盈利或[编辑后售卖]进行间接盈利)。
2、本站所有内容均由合作方或网友上传,本站不对文档的完整性、权威性及其观点立场正确性做任何保证或承诺!文档内容仅供研究参考,付费前请自行鉴别。
3、如文档内容存在违规,或者侵犯商业秘密、侵犯著作权等,请点击“违规举报”。

碎片内容

建设项目试生产(使用)方案备案表

黄金书屋+ 关注
实名认证
内容提供者

爱好英语教学和互联网行业,热爱教育事业,兢兢业业

确认删除?
VIP
微信客服
  • 扫码咨询
会员Q群
  • 会员专属群点击这里加入QQ群
客服邮箱
回到顶部