电脑桌面
添加小米粒文库到电脑桌面
安装后可以在桌面快捷访问

煤化工工艺流程95775436VIP免费

煤化工工艺流程95775436_第1页
1/35
煤化工工艺流程95775436_第2页
2/35
煤化工工艺流程95775436_第3页
3/35
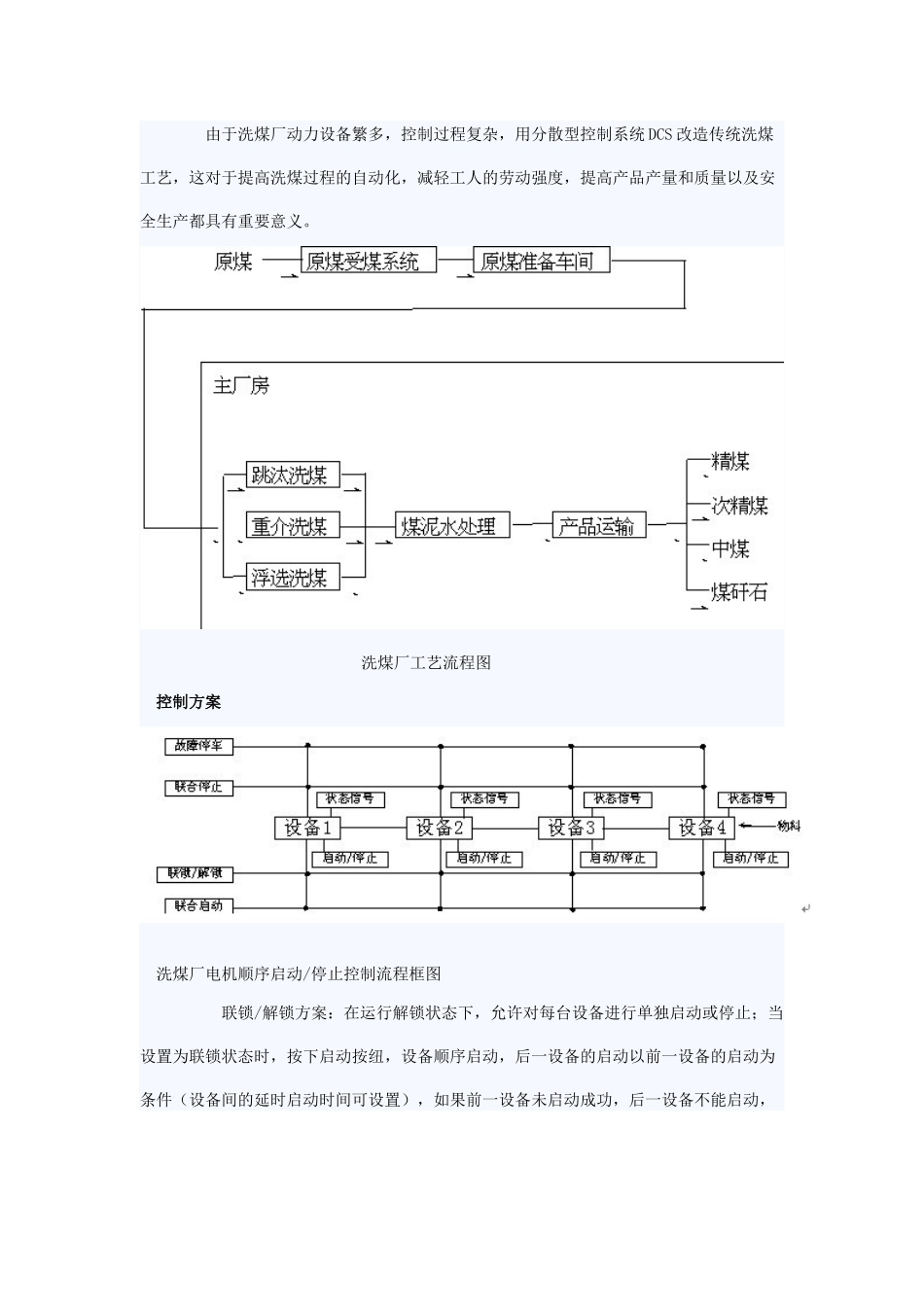
煤化工工艺流程典型的焦化厂一般有备煤车间、炼焦车间、回收车间、焦油加工车间、苯加工车间、脱硫车间和废水处理车间等。焦化厂生产工艺流程1.备煤与洗煤工艺描述原煤一般含有较高的灰分和硫分,洗选加工的目的是降低煤的灰分,使混杂在煤中的矸石、煤矸共生的夹矸煤与煤炭按照其相对密度、外形及物理性状方面的差异加以分离,同时,降低原煤中的无机硫含量,以满足不同用户对煤炭质量的指标要求。由于洗煤厂动力设备繁多,控制过程复杂,用分散型控制系统DCS改造传统洗煤工艺,这对于提高洗煤过程的自动化,减轻工人的劳动强度,提高产品产量和质量以及安全生产都具有重要意义。洗煤厂工艺流程图控制方案洗煤厂电机顺序启动/停止控制流程框图联锁/解锁方案:在运行解锁状态下,允许对每台设备进行单独启动或停止;当设置为联锁状态时,按下启动按纽,设备顺序启动,后一设备的启动以前一设备的启动为条件(设备间的延时启动时间可设置),如果前一设备未启动成功,后一设备不能启动,按停止键,则设备顺序停止,在运行过程中,如果其中一台设备故障停止,例如设备2停止,则系统会把设备3和设备4停止,但设备1保持运行。2.焦炉与冷鼓工艺描述以100万吨/年-144孔-双炉-4集气管-1个大回流炼焦装置为例,其工艺流程简介如下:100万吨/年焦炉_冷鼓工艺流程图控制方案典型的炼焦过程可分为焦炉和冷鼓两个工段。这两个工段既有分工又相互联系,两者在地理位置上也距离较远,为了避免仪表的长距离走线,设置一个冷鼓远程站及给水远程站,以使仪表线能现场就近进入DCS控制柜,更重要的是,在集气管压力调节中,两个站之间有着重要的联锁及其排队关系,这样的网络结构形式便于可以实现复杂的控制算法。控制系统网络结构集气管“4+1”优化控制方案图中P1至P4是集气压力值,是本系统控制之重点,P是集气管压力之平均值,它反映了集气管的一般工作状态,在“4+1”控制中(“4”代表四个集气管,“1”代表选择大回流调节阀RB还是液力偶合器EF控制,两者必选其一),时间分配器根据集气管压力的变化:偏差和偏差变化率,根据液偶调速慢的特点,适当地分配大回流与液偶的调节量。集气管压力变化的特点是:瞬态变化大,调节时互相产生耦合,本控制算法设计有一个解耦算法,可减少或消除耦合,以保证各个单回路系统能独立地工作,该控制算法采用经典控制理论与离散控制理论相结合的优化控制方法,取得了良好的控制效果。集气管压力调节优化控制示意图联锁方案报警、联锁和停车系统是为提高工艺生产装置的安全性而设置的特殊程序,本控制系统将联锁控制分为三个部分:冷鼓工段联锁控制、鼓风机联锁控制、鼓风机油泵联锁控制。冷鼓工段联锁结构图控制效果分析影响集气管压力的因素是多样的,诸如装煤、平煤、推焦和交换机换向等,当这些因素暂时不存在时,焦炉工艺系统较为稳定。当工艺系统处于装煤、平煤、推煤或换向机换向等情况中的一种或几种时,系统会出现波动期,控制曲线呈现脉冲状,这是因为控制系统在迅速响应,将其压力往给定值方向上调整,经过数次调节,系统再次进入稳定期,周而复始。从控制效果图中可以看到,带变频的控制效果要优于带大回流调节阀的情况,原因是显而易见的,在变频器控制下的电机调节动态性能要好于调节阀,然而,最新设计的百万吨级的冷鼓系统都采用了通过液力偶合器进行调速的鼓风机,其调速性能则慢得多,而且工艺上并不允许对此进行频繁调节,因此,采用大回流调节阀参与集气管压力调节则是目前的一种合理选择。在目前这两种控制结构下,其稳定期的控制偏差范围是±20Pa;波动期的偏差控制范围是±50Pa,但时间持续较短,完全可以满足工艺上的要求。带变频控制器的集气管压力调节效果图带大回流调节阀集气管压力调节效果图焦炉画面带低压鼓风机的冷鼓画面1带高压鼓风机的冷鼓画面冷鼓罐区画面鼓风机运行画面3.脱硫、硫回收、硫氨及洗苯脱苯工艺概述:回收主要包括硫铵、脱硫及硫回收、洗苯脱苯工段。硫铵的工艺流程是将剩余氨水通过预热、分离,反应生成液体硫铵,硫铵液经结晶、干燥后包装。脱硫及硫回收的工艺流程是脱硫液和溶液在脱硫塔中进行反应将硫分离出来...

1、当您付费下载文档后,您只拥有了使用权限,并不意味着购买了版权,文档只能用于自身使用,不得用于其他商业用途(如 [转卖]进行直接盈利或[编辑后售卖]进行间接盈利)。
2、本站所有内容均由合作方或网友上传,本站不对文档的完整性、权威性及其观点立场正确性做任何保证或承诺!文档内容仅供研究参考,付费前请自行鉴别。
3、如文档内容存在违规,或者侵犯商业秘密、侵犯著作权等,请点击“违规举报”。

碎片内容

煤化工工艺流程95775436

您可能关注的文档

确认删除?
VIP
微信客服
  • 扫码咨询
会员Q群
  • 会员专属群点击这里加入QQ群
客服邮箱
回到顶部