电脑桌面
添加小米粒文库到电脑桌面
安装后可以在桌面快捷访问

QRG17-06设备维护计划及实施情况记录表(已录设备)VIP免费

QRG17-06设备维护计划及实施情况记录表(已录设备)_第1页
1/35
QRG17-06设备维护计划及实施情况记录表(已录设备)_第2页
2/35
QRG17-06设备维护计划及实施情况记录表(已录设备)_第3页
3/35
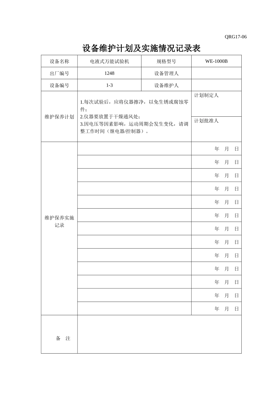
QRG17-06设备维护计划及实施情况记录表设备名称电液式万能试验机规格型号WE-1000B出厂编号1248设备管理人设备编号1-3设备维护人维护保养计划1.每次试验后,应将仪器擦净,以免生锈或腐蚀零件;2.仪器要放置于干燥通风处;3.因电压等因素影响,运动周期会发生变化,请调整工作时间(继电器/控制器)。计划制定人计划批准人维护保养实施记录年月日年月日年月日年月日年月日年月日年月日年月日年月日年月日年月日年月日年月日备注QRG17-06设备维护计划及实施情况记录表设备名称强制式单卧轴混凝土搅拌机规格型号SJD-60出厂编号111102设备管理人设备编号3-58-3设备维护人维护保养计划1.根据使用情况对轴承部件要定期进行润滑,采用钙基润滑脂,减速箱采用40#机油;2.经常检查机器的密封情况,发现有漏浆出应及时检查密封垫的质量;3.要经常检查机器紧固情况,如有松动应及时拧紧;4.经常检查电器控制系统是否接触良好和干燥;5.搅拌机经长期使用后,搅拌铲片与搅拌筒要被磨损,要注意检查及调整铲片与筒壁的间隙。计划制定人计划批准人维护保养实施记录年月日年月日年月日年月日年月日年月日年月日年月日年月日年月日年月日年月日备注QRG17-06设备维护计划及实施情况记录表设备名称真空干燥箱规格型号DZF-6050出厂编号0808089设备管理人设备编号4-28-2设备维护人维护保养计划1.真空箱应经常保持清洁,箱门玻璃应用松软棉布擦拭,切忌用有反应的化学溶剂擦拭,以免发生化学反应和擦伤玻璃。2.如真空箱长期不用,应在电镀件上涂中性油脂或凡士林,以防腐蚀,并套上塑料薄膜防尘罩,放在干燥的室内,以免电器件受潮而影响使用。计划制定人计划批准人维护保养实施记录年月日年月日年月日年月日年月日年月日年月日年月日年月日年月日年月日年月日备注QRG17-06设备维护计划及实施情况记录表设备名称数字温度计规格型号DM6801A出厂编号S655366设备管理人设备编号14-23-2设备维护人维护保养计划1.为保证测量的准确度,应开机预热1分钟后进行测量;2.如果长时间不使用该仪表,请将电池取出,以免电池漏液而损坏仪表;3.探头不要接触带电物体,以免烧坏仪表;4.注意防水、防尘、保持仪表的干爽、洁净。计划制定人计划批准人维护保养实施记录年月日年月日年月日年月日年月日年月日年月日年月日年月日年月日年月日年月日备注QRG17-06设备维护计划及实施情况记录表设备名称全自动沥青软化点试验器规格型号SYD-2806E出厂编号120158设备管理人设备编号4-24-2设备维护人维护保养计划1.试验仪严禁无水工作;2.在“试验”阶段不要按“复位”按钮,否则将导致试验失败,必须重新试验;3.仪器测试过程中,搅拌子的转速应调到合适的位置上。开始加热时,搅拌子的转速可快一些,当水温接近软化点温度时(这时被测沥青试样开始向下鼓出),搅拌子的转速要调到很慢,甚至停止转动,这样可保证测试结果的准确性。计划制定人计划批准人维护保养实施记录年月日年月日年月日年月日年月日年月日年月日年月日年月日年月日年月日年月日备注QRG17-06设备维护计划及实施情况记录表设备名称索力动测仪规格型号DH-5906出厂编号12079002设备管理人设备编号8-11-2设备维护人维护保养计划1.电缆线的连接、拆除必须在仪器关机的状态下进行;2.仪器必须放置在合适的位置上使用,并保证仪器能正常散热,USB连接线在采样时禁止插拔;3.仪器所使用的环境应符合GB6587.1-86Ⅱ组要求的环境,避免在酸、碱、盐、雾、雨淋及过强的辐射场、电场、磁场等场合使用。计划制定人计划批准人维护保养实施记录年月日年月日年月日年月日年月日年月日年月日年月日年月日年月日年月日年月日备注QRG17-06设备维护计划及实施情况记录表设备名称岩样切割机规格型号DJ-4出厂编号0120121设备管理人设备编号6-11-3设备维护人维护保养计划1.工作完毕后,应清洗工作台表面上的残渣,擦净刀片与工作台上的水渍,加注进刀拖板与导轨、丝杆的润滑油;2.整机使用后,应将刀片和夹具移动部位及机内一些易生锈的地方,涂一层锂基牛油,以防生锈;3.要经常检查行程开关(因为是易损件),不行要及时更换,否则容易引起设备事故;4.电器元件要经常检查,发现老化及...

1、当您付费下载文档后,您只拥有了使用权限,并不意味着购买了版权,文档只能用于自身使用,不得用于其他商业用途(如 [转卖]进行直接盈利或[编辑后售卖]进行间接盈利)。
2、本站所有内容均由合作方或网友上传,本站不对文档的完整性、权威性及其观点立场正确性做任何保证或承诺!文档内容仅供研究参考,付费前请自行鉴别。
3、如文档内容存在违规,或者侵犯商业秘密、侵犯著作权等,请点击“违规举报”。

碎片内容

QRG17-06设备维护计划及实施情况记录表(已录设备)

确认删除?
VIP
微信客服
  • 扫码咨询
会员Q群
  • 会员专属群点击这里加入QQ群
客服邮箱
回到顶部