电脑桌面
添加小米粒文库到电脑桌面
安装后可以在桌面快捷访问

设备部管理工具箱VIP免费

设备部管理工具箱_第1页
1/103
设备部管理工具箱_第2页
2/103
设备部管理工具箱_第3页
3/103
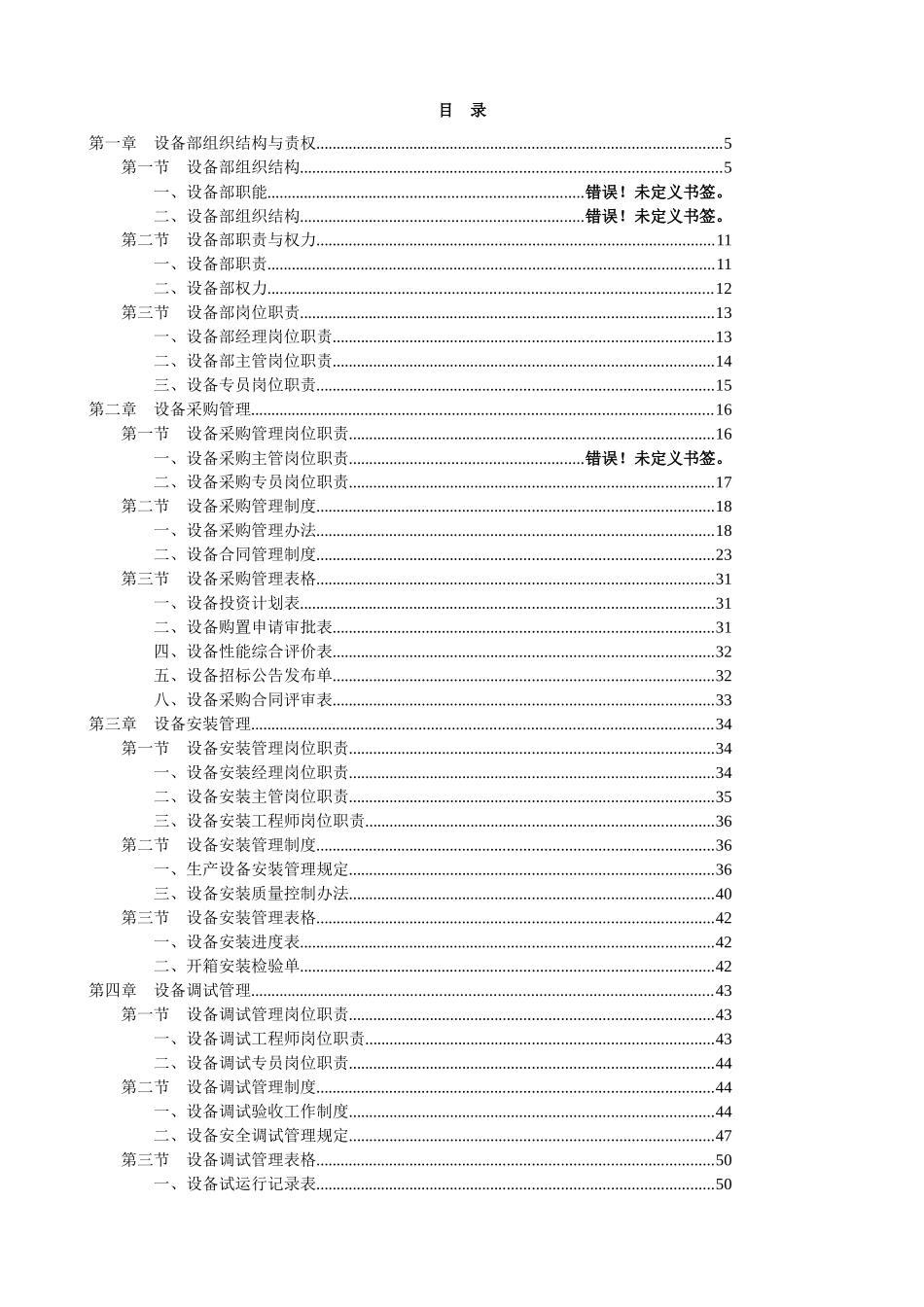
职业经理MBA必备实用管理工具书设备部管理《设备部管理工具箱》设备经理必备书目录第一章设备部组织结构与责权...................................................................................................5第一节设备部组织结构.......................................................................................................5一、设备部职能.............................................................................错误!未定义书签。二、设备部组织结构.....................................................................错误!未定义书签。第二节设备部职责与权力.................................................................................................11一、设备部职责.............................................................................................................11二、设备部权力............................................................................................................12第三节设备部岗位职责.....................................................................................................13一、设备部经理岗位职责.............................................................................................13二、设备部主管岗位职责.............................................................................................14三、设备专员岗位职责.................................................................................................15第二章设备采购管理................................................................................................................16第一节设备采购管理岗位职责.........................................................................................16一、设备采购主管岗位职责.........................................................错误!未定义书签。二、设备采购专员岗位职责.........................................................................................17第二节设备采购管理制度.................................................................................................18一、设备采购管理办法.................................................................................................18二、设备合同管理制度.................................................................................................23第三节设备采购管理表格.................................................................................................31一、设备投资计划表.....................................................................................................31二、设备购置申请审批表.............................................................................................31四、设备性能综合评价表.............................................................................................32五、设备招标公告发布单.............................................................................................32八、设备采购合同评审表.............................................................................................33第三章设备安装管理................................................................................................................34第一节设备安装管理岗位职责.........................................................................................34一、设备安装经理岗位职责.........................................................................................34二、设备安装主管岗位职责..........................

1、当您付费下载文档后,您只拥有了使用权限,并不意味着购买了版权,文档只能用于自身使用,不得用于其他商业用途(如 [转卖]进行直接盈利或[编辑后售卖]进行间接盈利)。
2、本站所有内容均由合作方或网友上传,本站不对文档的完整性、权威性及其观点立场正确性做任何保证或承诺!文档内容仅供研究参考,付费前请自行鉴别。
3、如文档内容存在违规,或者侵犯商业秘密、侵犯著作权等,请点击“违规举报”。

碎片内容

设备部管理工具箱

您可能关注的文档

确认删除?
VIP
微信客服
  • 扫码咨询
会员Q群
  • 会员专属群点击这里加入QQ群
客服邮箱
回到顶部