电脑桌面
添加小米粒文库到电脑桌面
安装后可以在桌面快捷访问

施工现场临时供电方案VIP免费

施工现场临时供电方案_第1页
1/5
施工现场临时供电方案_第2页
2/5
施工现场临时供电方案_第3页
3/5
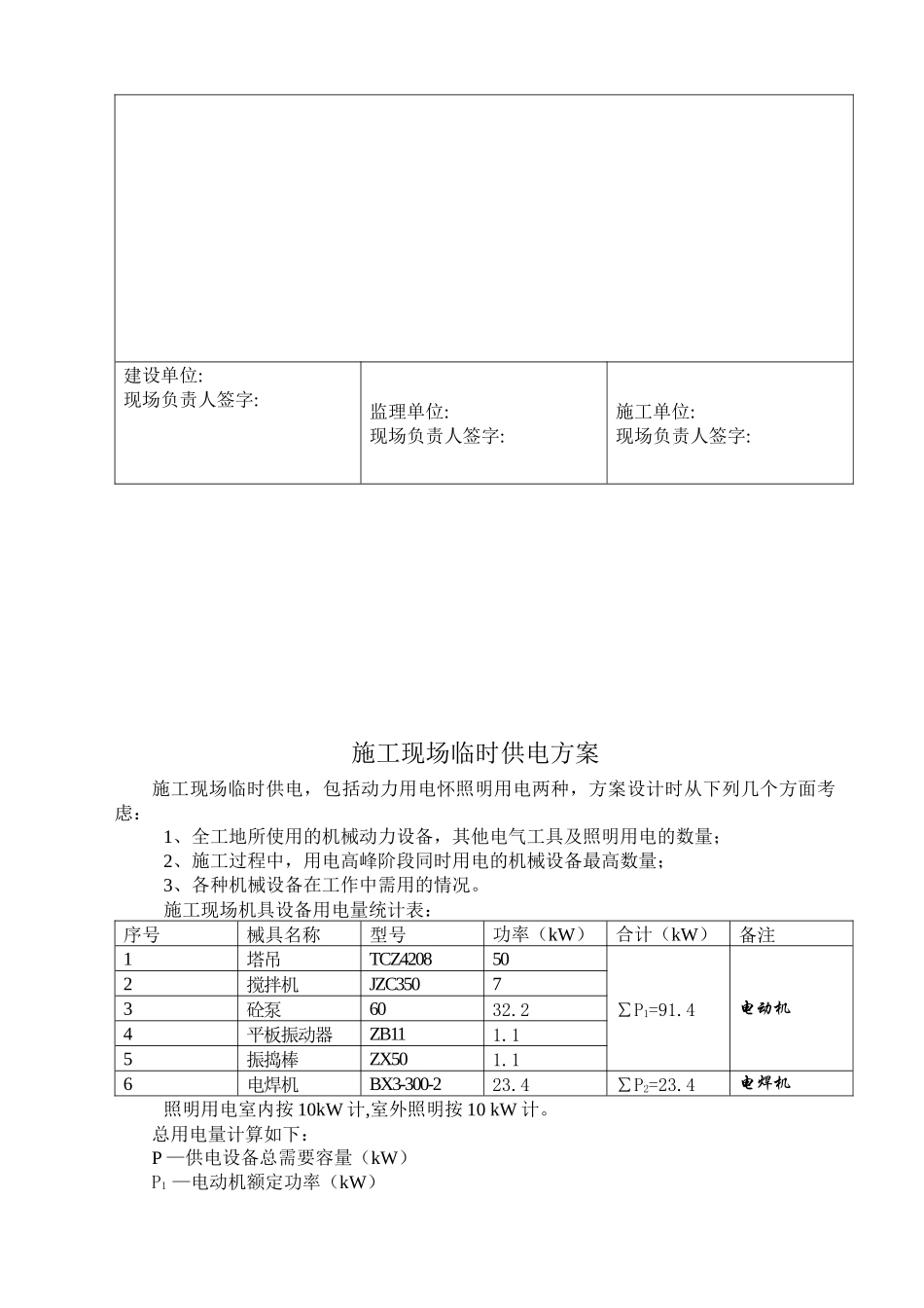
建筑施工现场周边环境安全评估表工程名称:西泊小区A#住宅楼工程地点:西泊小区荣成市建筑工程管理处印制基本情况甲方代表李峥嵘总监理工程师施工单位技术负责人曲永波项目经理吴向阳安全评估人员毕建国职称证书岗位证书鲁建安B20051001378面积造价4200m2250万元结构层高砖混结构3.5;3.2;2.8*4评估情况结论及相关措施1、施工现场无邻近高压线。2、施工离邻近建筑物较远,不会造成影响。3、施工现场远离山体建设单位:现场负责人签字:监理单位:现场负责人签字:施工单位:现场负责人签字:施工现场临时供电方案施工现场临时供电,包括动力用电怀照明用电两种,方案设计时从下列几个方面考虑:1、全工地所使用的机械动力设备,其他电气工具及照明用电的数量;2、施工过程中,用电高峰阶段同时用电的机械设备最高数量;3、各种机械设备在工作中需用的情况。施工现场机具设备用电量统计表:序号械具名称型号功率(kW)合计(kW)备注1塔吊TCZ420850∑P1=91.4电动机2搅拌机JZC35073砼泵6032.24平板振动器ZB111.15振捣棒ZX501.16电焊机BX3-300-223.4∑P2=23.4电焊机照明用电室内按10kW计,室外照明按10kW计。总用电量计算如下:P—供电设备总需要容量(kW)P1—电动机额定功率(kW)P2—电焊机额定容量(kW)K3—室内照明容量(kW)P4—室个照明容量(kW)P=1.1(K1∑P1/cosф+K2∑P2+K3∑P3+K4∑P4)=1.1(0.7*91.4/0.7+1*23.4+0.8*10+1.0*10)=146.08(kW)4、确定供电系统施工现场东北侧已由电业部门设置一台变压器,电压降到380V/220V。5、配电导线的选择导线必须保证不致因一般机械损伤折断,并且必须能承受负载电流工时间通过所引起的温升。三相四线制线路上的电流可按下式计算:I线=K*P/(1.732*U线*cosф)=0.9*146.08*1000/(1.732*380*0.7)=285.4(A)选择导线标称截面不小于95(mm2)R的铜导线作主电缆。6、施工现场电力供应详见平面布置图。塔式起重机的安装、拆除与转移方案1、塔吊安装前的基础准备混凝土基础强度等级不低于C35;基础表面平整度允许偏差1/1000;埋设件的集团、标高和垂直度以及施工工艺应符合出厂说明书要求;2、塔吊安装与拆除方法同一台塔吊的拆除方法与安装方法相反。本工程所使用的塔吊采用立装自升法。主要作法为使用汽车吊将所要安装的塔机除塔身中间节以外的全部部件,立装于安装位置,然后用本身的自升装置安装塔身中间节。立装自升法的安装步骤如下:L基础验收合格→安装底盘并固定整平→安装爬升架→吊装塔架→安装平衡臂→安装起重臂→吊装配重块→安装钢丝绳→安装电缆并调试。塔机安装调试好后,要经验收合格后方可投入使用。3、塔机装拆注意事项塔机的装拆必须由专业人员进行操作,并应有技术和专业安全人员在场监护。塔机的拆装作业应在白天进行。当遇大风、浓雾和雨雪等恶劣天气时,应停止作业。指挥人员应熟悉拆装方案,遵守拆装工艺和操作规程,正确指挥。高处作业时应系好安全带,发现异常情况应及时向现场指挥人员报告,妥善处理。4、塔机的顶升作业步骤回转起重臂使其朝向怀引进轨道一致并加以销定。吊运一个标准节到摆渡小车上,并将过渡节与塔身标准节相连的螺栓松开,准备顶升。开动液压千斤顶,将塔机上部结构包括顶升套架约上升到超过一个标准节的高度/然后用定位销将套架固定,于是塔机上部结构的重量就通过定位销传递到塔身。液压千斤顶回缩,形成引进空间,此时将装有标准节的摆渡小车开到引进空间内。利用液压千斤顶稍微提起待接高的标准节,退出摆渡小车;然后将待接高的标准节平稳地落在下面的搭身上,并用螺栓连接牢固。拔出定位销,下降过渡节,使之与已接高的塔身连成整体。塔身降落与顶升方法相似,仅程序相反。5、塔机的转移塔机转移前,要按照安装的相反顺序,采用相似的方法,将塔机降下或解体,然后进行整体解体运输。运输前,必须对拖运路线进行勘察,对路面宽度、弯道半径、架空电线、路面状况作充分了解,根据实际情况采取相应的安全措施。施工现场安全防护脚手架搭设方案本工程的脚手架搭设高度不超过24米。施工用脚手架应采用壁厚3.5mm,外径48mm的3号变通钢管,扣件的质量应符合有关标准的规定。本工程的脚手架主要是起安...

1、当您付费下载文档后,您只拥有了使用权限,并不意味着购买了版权,文档只能用于自身使用,不得用于其他商业用途(如 [转卖]进行直接盈利或[编辑后售卖]进行间接盈利)。
2、本站所有内容均由合作方或网友上传,本站不对文档的完整性、权威性及其观点立场正确性做任何保证或承诺!文档内容仅供研究参考,付费前请自行鉴别。
3、如文档内容存在违规,或者侵犯商业秘密、侵犯著作权等,请点击“违规举报”。

碎片内容

施工现场临时供电方案

确认删除?
VIP
微信客服
  • 扫码咨询
会员Q群
  • 会员专属群点击这里加入QQ群
客服邮箱
回到顶部