电脑桌面
添加小米粒文库到电脑桌面
安装后可以在桌面快捷访问

生产与存货培训知识VIP专享VIP免费

生产与存货培训知识_第1页
1/42
生产与存货培训知识_第2页
2/42
生产与存货培训知识_第3页
3/42
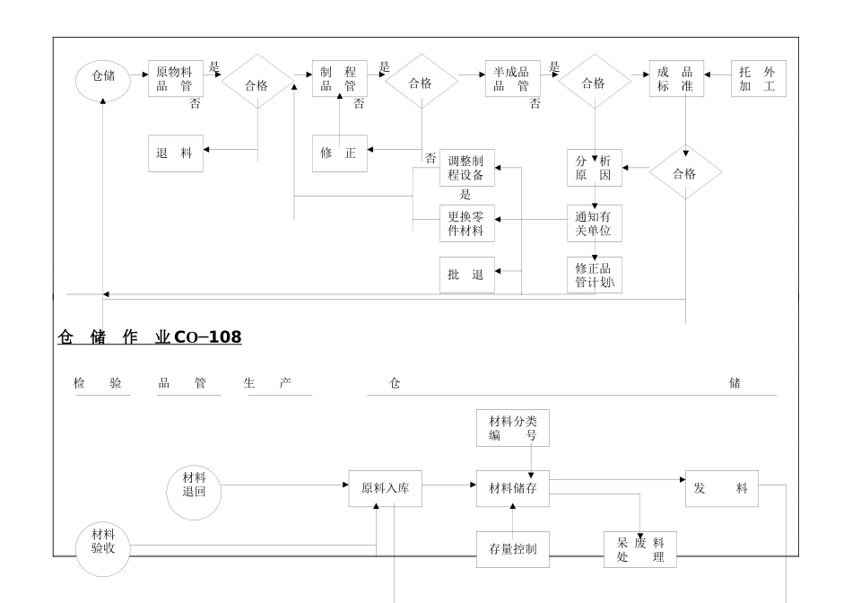
三、生产循环(CO)生产循环CO─100CO-109CO-110CO-111生产管制保养维修安全卫生CO-112CO-113CO-102CO-105CO-106CO-108是否CO-101CO-103CO-104CO-107托外加工CO─104仓储生产外包厂商制程计划销售计划产销协调产能足够加班延迟托外加工差异分析生产成本ˋ销售采购排程制造成品仓材料储质量管理原物料标准品管计划制程标准作业规范半成品标准成品标准是是是否否否否是仓储作业CO─108检验品管生产仓储仓储原物料品管退料合格托外加工制程品管合格半成品品管合格成品标准修正调整制程设备更换零件材料批退分析原因通知有关单位合格修正品管计划\材料验收材料退回原料入库材料储存存量控制材料分类编号呆废料处理发料编号作业项目作业程序及控制重点依据资料CO-101制程计划一.作业程序:1.分析产品,决定所需的原物料及其规格和数量。2.分析产品,藉以决定何种规格批号应自制,何种规格批号应托外加工。3.决定产品制程及操作标准工作法。4.决定每一制程所需要的人力资源。5.根据以往的记录与经验,适当选择分配原物料。6.决定每一制程所需要的机器设备及工具等。7.决定各制程的作业时间及准备时间,并做工时研究。8.根据成本分析,决定经济生产批量。9.订定制程计划表,决定所需材料与其供应方法,制造分类及缓急分类等。10.根据产品设计及施工说明,并就现有机器设备、及人力,来决定最经济的制造流程。1.请参考「内部稽核实施细则」:生产循环稽核第一、二项。2.依据资料:(1)公司决策会报(2)公司经营检讨会报(3)各事业部绩效成本会议记录托外加工制造记录瑕疵品处理成品入库成品储存出库编号作业项目作业程序及控制重点依据资料CO-102产销协调二.控制重点:1.加工方法及装配程序是否合理化。2.是否有效利用机器设备及工具以求生产之机械化及自动化。3.制程方式是否合理化。4.是否决定适当的经济批量,是否会造成生产瓶颈。5.直接材料是否充分有效的利用,使废料减至最低限制。6.工作排程路线是否最短,完工期限是否最迅速。7.是否可以减少原料或半成品的搬运工作。8.工作程序及工作法是否标准化。9.工作人员的工作方法,使用的机器、设备、工具、量具,是否均依制程设计进行,是否可提高工作效率。10.查核对于必须外发代加工者是否控制在整个制程计划之内。11.查核电力、燃料,用人等有关能源使用是否有妥善规划,达到经济有效目的。12.查核制程计划对现有设备及人力,是否曾予核计可获致合理成本。13.制程计划是否随时作适当的修正,并追索肇致原因。14.制程计划是否有专人专职负责推动、追踪、评核。一.作业程序:1.测定基本的生产能量:分析现有的人力与机器设备,测定究竟有多少生产能量。以操作员别、机器别或制程别为依据,调查其现有的工作负荷量与生产能量,并加以比较,以分析出何者有余力或者负荷太重。2.决定工作负荷量:(1)人工负荷量:就公司或工厂的工作负荷量,需要多少人工方能解决。1.依据资料:(1)制程计划(2)市场行情(3)客户订单量编号作业项目作业程序及控制重点依据资料CO-103加班、延迟(2)机器负荷量:就工厂的机器工作负荷量,需要各种机器的台数与配置。3.拟订综合工作负荷表:每一期间的生产量决定之后,根据前二步骤所分析的生产能量及工作负荷量,拟订综合工作负荷表。4.根据制程计划,确定工作负荷量,即决定所需之人力与机器设备5.依销售预算、成本预算、生产能量、营业计划及人员配置情形,拟定年度、季别、月别等生产计划表,依生产计划及工作负荷安排产销计划。二.控制重点:1.产销协调会议是否定期召开。2.产销协调计划是否签会有关单位主管。3.执行情形追踪检讨。4.是否有专人负责联系。一.作业程序:1.衡量生产计划及负荷后,若超过负荷量时,可考虑以加班方式,达成预定进度与提高产量。编号作业项目作业程序及控制重点依据资料CO-104托外加工2.若负荷不够或无其它更佳之解决方法,例如:托外加工筹时,可由业务单位人员告知客户,与之协议是否可延迟交货或更改交期。3.若需加班赶工时,由生产单位计划应加班工作量、人工、时数等,经核准后通知现场主管安排加班事宜。4.将计划加班之工时与进度列入生产排程考虑之项目。5.员工加班之管理依人事...

1、当您付费下载文档后,您只拥有了使用权限,并不意味着购买了版权,文档只能用于自身使用,不得用于其他商业用途(如 [转卖]进行直接盈利或[编辑后售卖]进行间接盈利)。
2、本站所有内容均由合作方或网友上传,本站不对文档的完整性、权威性及其观点立场正确性做任何保证或承诺!文档内容仅供研究参考,付费前请自行鉴别。
3、如文档内容存在违规,或者侵犯商业秘密、侵犯著作权等,请点击“违规举报”。

碎片内容

生产与存货培训知识

确认删除?
VIP
微信客服
  • 扫码咨询
会员Q群
  • 会员专属群点击这里加入QQ群
客服邮箱
回到顶部