电脑桌面
添加小米粒文库到电脑桌面
安装后可以在桌面快捷访问

一次性使用麻醉穿刺包生产实施细则VIP免费

一次性使用麻醉穿刺包生产实施细则_第1页
1/26
一次性使用麻醉穿刺包生产实施细则_第2页
2/26
一次性使用麻醉穿刺包生产实施细则_第3页
3/26
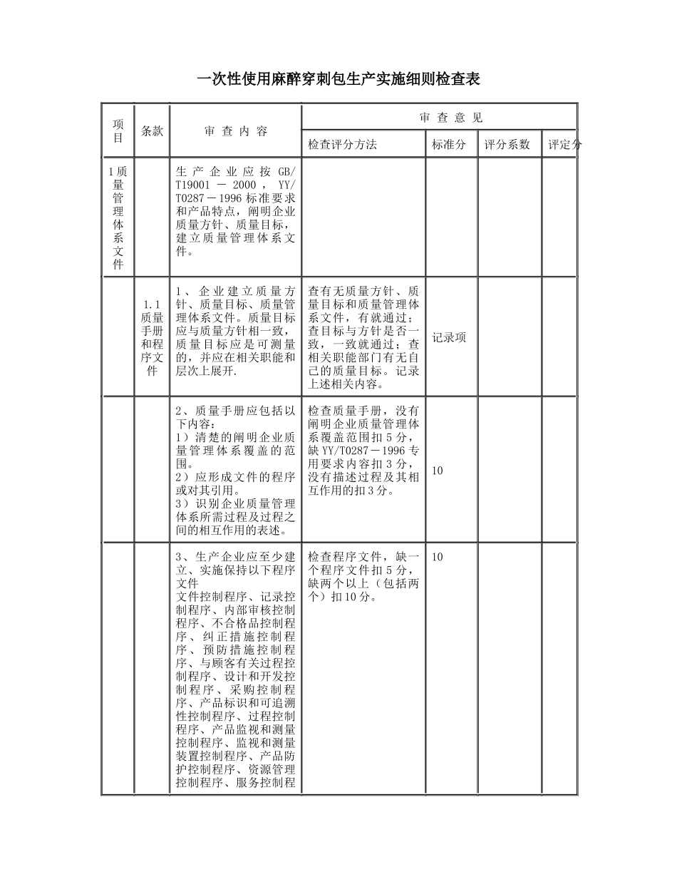
一次性使用麻醉穿刺包生产实施细则检查表项目条款审查内容审查意见检查评分方法标准分评分系数评定分1质量管理体系文件生产企业应按GB/T19001-2000,YY/T0287-1996标准要求和产品特点,阐明企业质量方针、质量目标,建立质量管理体系文件。1.1质量手册和程序文件1、企业建立质量方针、质量目标、质量管理体系文件。质量目标应与质量方针相一致,质量目标应是可测量的,并应在相关职能和层次上展开.查有无质量方针、质量目标和质量管理体系文件,有就通过;查目标与方针是否一致,一致就通过;查相关职能部门有无自己的质量目标。记录上述相关内容。记录项2、质量手册应包括以下内容:1)清楚的阐明企业质量管理体系覆盖的范围。2)应形成文件的程序或对其引用。3)识别企业质量管理体系所需过程及过程之间的相互作用的表述。检查质量手册,没有阐明企业质量管理体系覆盖范围扣5分,缺YY/T0287-1996专用要求内容扣3分,没有描述过程及其相互作用的扣3分。103、生产企业应至少建立、实施保持以下程序文件文件控制程序、记录控制程序、内部审核控制程序、不合格品控制程序、纠正措施控制程序、预防措施控制程序、与顾客有关过程控制程序、设计和开发控制程序、采购控制程序、产品标识和可追溯性控制程序、过程控制程序、产品监视和测量控制程序、监视和测量装置控制程序、产品防护控制程序、资源管理控制程序、服务控制程检查程序文件,缺一个程序文件扣5分,缺两个以上(包括两个)扣10分。10序、数据分析控制程序共17个程序文件。删减仅限于设计和开发控制程序中那些不影响组织提供满足顾客和适用法律法规要求的产品的能力和责任的要求。1.2文件控制和记录控制1、文件应按规定进行批准、发布、更改、废止和保存。必要时对文件进行评审和更新并再批准。检查3份质量管理体系文件,每发现一处不符合要求扣1分。52、企业受控文件的修订状态应能得到识别(可通过文件编号、控制清单修订一览表等方式)。检查受控文件(受控文件清单),没有受控文件识别状态标识的每发现一处扣1分,清单内容未包括受控文件或与受控文件名称不符的扣2分。53、控制文件的分发和回收,确保在现场使用有效版本文件。检查文件的发放和回收记录,每发现一项不符合扣1分,在工作现场发现1份无标识版本扣2分,发现2份扣5分。54、要确保有关医疗器械法规文件和其它外来文件的识别、控制和分发。检查医疗器械法规文件和外来文件清单,无清单的扣2分,无分发记录的扣2分。55、至少保存一份作废的受控文件并确定其保存期限,保留的作废文件要进行适当标识以防止非预期使用。检查是否保存作废文件,作废文件未保存的每发现一份扣3分,未规定作废文件保存期限的每发现一处扣2分。56、记录控制按记录控制程序,对记录进行控制,制订记录目录清单或样式,规定记录的标识、贮存、保管、检索、处置的职责和要求,确定记录的保存期限,并能识别医疗器械的生产数量和销售数量。检查质量记录的管理规定,记录未按规定保管、储存的扣2分,记录随意涂改的每发现一份扣3分,记录样式未经审批的扣1分,未确定记录保存期限的扣1分。10一次性使用麻醉穿刺包生产实施细则检查表项目条款审查内容审查意见检查评分方法标准分评分系数评定分2管理职责最高管理者应主持制定企业质量方针和质量目标,策划质量管理体系,建立、实施质量管理体系,保持质量管理体系的完整性。2.1最高管理者的职责1、最高管理者应向企业传达满足顾客和法律法规要求的重要性,确保顾客的要求得到确定并予以满足。与领导层交谈,了解顾客要求和有关法规传达情况以及顾客要求得到满足的情况,按评分系数评分。52、最高管理者应确保企业内的职责、权限得到规定。检查职能分配,无组织机构图扣1分,未规定职能部门职责、期限的扣2分,职能部门职责、权限不明确的扣2分。53、最高管理者应确保企业质量管理体系资源的获得。与领导层交谈了解资源情况。按评分系数评分。54、最高管理者应确保企业内建立适当的沟通过程,以确保质量管理体系的有效性。检查企业内部沟通方式和渠道的证实,按评分系数评分。105、最高管理者应按策划的时间间隔评审质量管理体系,实施管理...

1、当您付费下载文档后,您只拥有了使用权限,并不意味着购买了版权,文档只能用于自身使用,不得用于其他商业用途(如 [转卖]进行直接盈利或[编辑后售卖]进行间接盈利)。
2、本站所有内容均由合作方或网友上传,本站不对文档的完整性、权威性及其观点立场正确性做任何保证或承诺!文档内容仅供研究参考,付费前请自行鉴别。
3、如文档内容存在违规,或者侵犯商业秘密、侵犯著作权等,请点击“违规举报”。

碎片内容

一次性使用麻醉穿刺包生产实施细则

您可能关注的文档

确认删除?
VIP
微信客服
  • 扫码咨询
会员Q群
  • 会员专属群点击这里加入QQ群
客服邮箱
回到顶部