电脑桌面
添加小米粒文库到电脑桌面
安装后可以在桌面快捷访问

一厂工艺员岗VIP免费

一厂工艺员岗_第1页
1/3
一厂工艺员岗_第2页
2/3
一厂工艺员岗_第3页
3/3
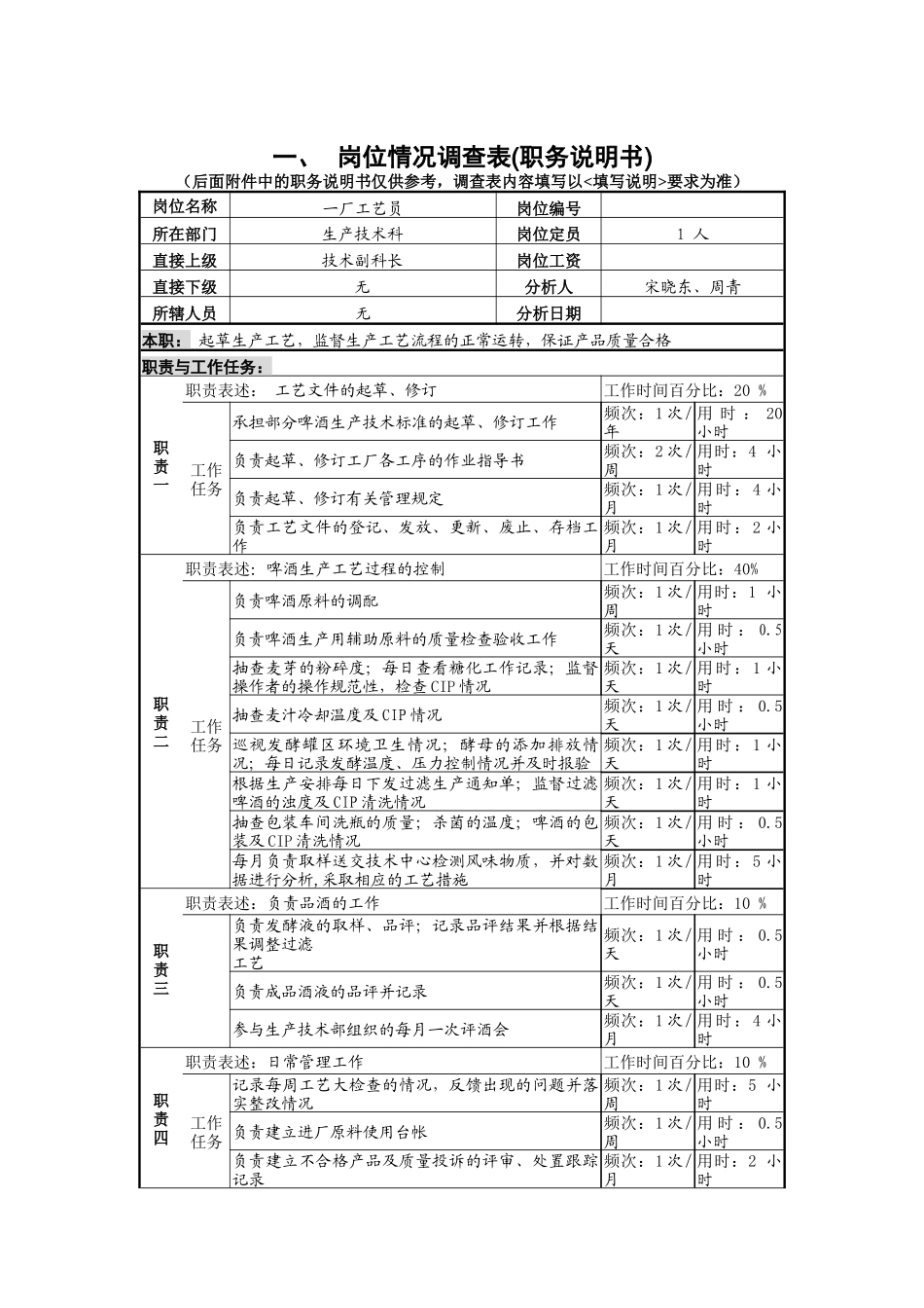
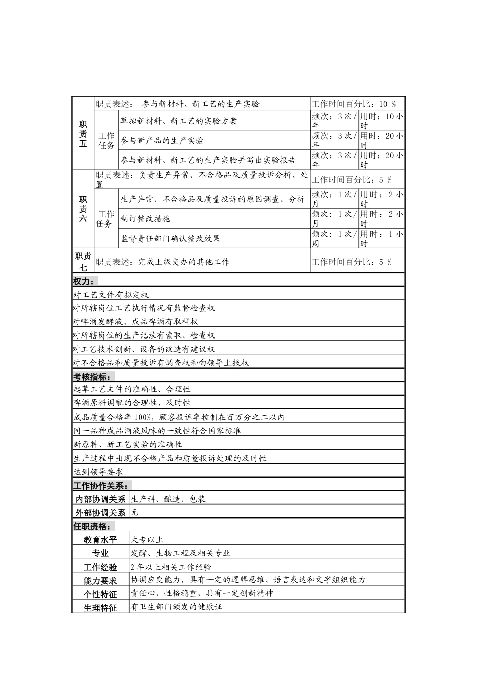
一、岗位情况调查表(职务说明书)(后面附件中的职务说明书仅供参考,调查表内容填写以<填写说明>要求为准)岗位名称一厂工艺员岗位编号所在部门生产技术科岗位定员1人直接上级技术副科长岗位工资直接下级无分析人宋晓东、周青所辖人员无分析日期本职:起草生产工艺,监督生产工艺流程的正常运转,保证产品质量合格职责与工作任务:职责一职责表述:工艺文件的起草、修订工作时间百分比:20%工作任务承担部分啤酒生产技术标准的起草、修订工作频次:1次/年用时:20小时负责起草、修订工厂各工序的作业指导书频次:2次/周用时:4小时负责起草、修订有关管理规定频次:1次/月用时:4小时负责工艺文件的登记、发放、更新、废止、存档工作频次:1次/月用时:2小时职责二职责表述:啤酒生产工艺过程的控制工作时间百分比:40%工作任务负责啤酒原料的调配频次:1次/周用时:1小时负责啤酒生产用辅助原料的质量检查验收工作频次:1次/天用时:0.5小时抽查麦芽的粉碎度;每日查看糖化工作记录;监督操作者的操作规范性,检查CIP情况频次:1次/天用时:1小时抽查麦汁冷却温度及CIP情况频次:1次/天用时:0.5小时巡视发酵罐区环境卫生情况;酵母的添加排放情况;每日记录发酵温度、压力控制情况并及时报验频次:1次/天用时:1小时根据生产安排每日下发过滤生产通知单;监督过滤啤酒的浊度及CIP清洗情况频次:1次/天用时:1小时抽查包装车间洗瓶的质量;杀菌的温度;啤酒的包装及CIP清洗情况频次:1次/天用时:0.5小时每月负责取样送交技术中心检测风味物质,并对数据进行分析,采取相应的工艺措施频次:1次/月用时:5小时职责三职责表述:负责品酒的工作工作时间百分比:10%负责发酵液的取样、品评;记录品评结果并根据结果调整过滤工艺频次:1次/天用时:0.5小时负责成品酒液的品评并记录频次:1次/天用时:0.5小时参与生产技术部组织的每月一次评酒会频次:1次/月用时:4小时职责四职责表述:日常管理工作工作时间百分比:10%工作任务记录每周工艺大检查的情况,反馈出现的问题并落实整改情况频次:1次/周用时:5小时负责建立进厂原料使用台帐频次:1次/周用时:0.5小时负责建立不合格产品及质量投诉的评审、处置跟踪记录频次:1次/月用时:2小时职责五职责表述:参与新材料、新工艺的生产实验工作时间百分比:10%工作任务草拟新材料、新工艺的实验方案频次:3次/年用时:10小时参与新产品的生产实验频次:3次/年用时:20小时参与新材料、新工艺的生产实验并写出实验报告频次:3次/年用时:20小时职责六职责表述:负责生产异常、不合格品及质量投诉分析、处置工作时间百分比:5%工作任务生产异常、不合格品及质量投诉的原因调查、分析频次:1次/月用时:2小时制订整改措施频次:1次/月用时:2小时监督责任部门确认整改效果频次:1次/周用时:1小时职责七职责表述:完成上级交办的其他工作工作时间百分比:5%权力:对工艺文件有拟定权对所辖岗位工艺执行情况有监督检查权对啤酒发酵液、成品啤酒有取样权对所辖岗位的生产记录有索取、检查权对工艺技术创新、设备的改造有建议权对不合格品和质量投诉有调查权和向领导上报权考核指标:起草工艺文件的准确性、合理性啤酒原料调配的合理性、及时性成品质量合格率100%,顾客投诉率控制在百万分之二以内同一品种成品酒液风味的一致性符合国家标准新原料、新工艺实验的准确性生产过程中出现不合格产品和质量投诉处理的及时性达到领导要求工作协作关系:内部协调关系生产科、酿造、包装外部协调关系无任职资格:教育水平大专以上专业发酵、生物工程及相关专业工作经验2年以上相关工作经验能力要求协调应变能力,具有一定的逻辑思维、语言表达和文字组织能力个性特征责任心,性格稳重,具有一定创新精神生理特征有卫生部门颁发的健康证所需培训啤酒专业知识培训(1个月)工作特点:工作场所办公室、生产现场工作方式坐、走,以走动巡视为主工作时间特征一般白天工作,经常加班,双休节假日值班工作环境接触冷、热、湿、异味、噪声等体力精力消耗工作压力大,体力消耗较大劳动保护无使用工具/设备电脑、计算器、电话、复印机、网络所需记录文档台帐、通知、日志、总结、讲议备注:

1、当您付费下载文档后,您只拥有了使用权限,并不意味着购买了版权,文档只能用于自身使用,不得用于其他商业用途(如 [转卖]进行直接盈利或[编辑后售卖]进行间接盈利)。
2、本站所有内容均由合作方或网友上传,本站不对文档的完整性、权威性及其观点立场正确性做任何保证或承诺!文档内容仅供研究参考,付费前请自行鉴别。
3、如文档内容存在违规,或者侵犯商业秘密、侵犯著作权等,请点击“违规举报”。

碎片内容

一厂工艺员岗

确认删除?
VIP
微信客服
  • 扫码咨询
会员Q群
  • 会员专属群点击这里加入QQ群
客服邮箱
回到顶部