电脑桌面
添加小米粒文库到电脑桌面
安装后可以在桌面快捷访问

安全生产新资料规程VIP免费

安全生产新资料规程_第1页
1/94
安全生产新资料规程_第2页
2/94
安全生产新资料规程_第3页
3/94
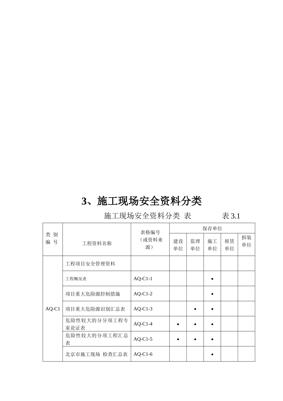
3、施工现场安全资料分类施工现场安全资料分类表表3.1类别编号工程资料名称表格编号(或资料来源)保存单位建设单位监理单位施工单位租赁单位拆装单位AQ-C1工程项目安全管理资料工程概况表AQ-C1-1·项目重大危险源控制措施AQ-C1-2·项目重大危险源识别汇总表AQ-C1-3··危险性较大的分分项工程专家论证表AQ-C1-4···危险性较大的分项工程汇总表AQ-C1-5···北京市施工现场检查汇总表AQ-C1-6·3、施工现场安全资料分类施工现场安全资料分类表表3.1类别编号工程资料名称表格编号(或资料来源)保存单位建设单位监理单位施工单位租赁单位拆装单位AQ-C1北京市施工现场检查评分纪录(安全管理)AQ-C1-7·北京市施工现场检查评分纪录(生活区管理)AQ-C1-8·北京市施工现场检查评分纪录(现场、料具管理)AQ-C1-9·北京市施工现场检查评分纪录(环境保护)AQ-C1-10·北京市施工现场检查评分纪录(脚手架)AQ-C1-11·北京市施工现场检查评分纪录(安全防护)AQ-C1-12·北京市施工现场检查评分纪录(施工用电)AQ-C1-13·北京市施工现场检查评分纪录(塔吊、起重吊装)AQ-C1-14·北京市施工现场检查评分纪录(机械安全)AQ-C1-15·北京市施工现场检查评分纪录(保卫消防)AQ-C1-16·项目经理部安全生产责任制施工单位··项目经理部安全管理机构设置施工单位···项目经理部安全管理制度施工单位·总分包安全管理协议书施工单位··施工组织设计及专项安全技术措施施工单位··冬雨季施工方案施工单位··安全技术交底汇总表AQ-C1-117·作业人员安全教育记录表AQ-C1-18·3、施工现场安全资料分类施工现场安全资料分类表表3.1类别编号工程资料名称表格编号(或资料来源)保存单位建设单位监理单位施工单位租赁单位拆装单位AQ-C1安全资金投入记录施工单位施工现场安全事故登记表AQ-C1-19···特种作业人员登记表AQ-C1-20··地上.地下管线及建(构)筑物资料移交单AQ-C1-21··地上、地下管线保护措施验收记录AQ-C1-22··安全防护用品合格证及检测资料施工单位··生产安全事故应急预案施工单位··安全标示施工单位违章处理记录施工单位·AQ-C2工程项目生活区资料现场、生活区卫生设施布置图施工单位·办公室、生活区食堂等各项卫生管理制度施工单位应急药品、器材的登记及使用记录施工单位·项目急性职业中毒应急预案施工单位·食堂及炊事人员的证件施工单位·AQ-C3工程项目现场、料具资料居民来访记录施工单位·各阶段现场存放材料堆放平面图及责任划分施工单位·材料保存、保管措施施工单位·成品保护措施施工单位现场各种垃圾存放、销纳管理资料施工单位·文明施工管理机构及职责划分施工单位··AQ-C4工程项目环境保护资料项目环境管理方案施工单位环境保护管理机构及职责划分施工单位·施工噪声监测记录AQ-C4-1·AQ-C5工程项目脚手架资料脚手架、卸料平台及支撑体系设计及施工方案施工单位··钢管扣件式支撑体系验收表AQ-C5-5··3、施工现场安全资料分类施工现场安全资料分类表表3.1类别编号工程资料名称表格编号(或资料来源)保存单位建设单位监理单位施工单位租赁单位拆装单位落地式、(或悬挑)脚手架搭设验收表AQ-C5-2··工具式脚手架安装验收表AQ-C5-3··AQ-C6工程项目安全防护资料基坑、土方及护坡方案、模板施工方案、电梯井承重平台方案施工单位··各项安全防护设施检查记录施工单位··基坑支护验收表AQ-C6-1··基坑支护沉降观测记录AQ-C6-2··基坑支护水平位移观测记录AQ-C6-3··人工挖孔桩防护检查表AQ-C6-4··特殊部位气体检测记录AQ-C6-5··AQ-C7工程项目施工用电资料临时用电施工组织设计及变更资料施工单位··施工现场临时用电验收表AQ-C7-1··总分包临电安全管理协议施工单位··电器设备测试、调试记录施工单位·电气线路绝缘强度测试记录AQ-C7-2·临时用电接地电阻测试记录AQ-C7-3·电工巡检维修记录AQ-C7-4·AQ-C8工程项目塔式起重机、起重吊装资料塔式起重机租赁、使用、拆装的管理资料施工单位····北京市塔式起重机拆装统一检查验收表格AQ-C8-1····塔式起重机拆装方案及群塔作业方案、起重吊装作业的专项施工方案施工单位····塔...

1、当您付费下载文档后,您只拥有了使用权限,并不意味着购买了版权,文档只能用于自身使用,不得用于其他商业用途(如 [转卖]进行直接盈利或[编辑后售卖]进行间接盈利)。
2、本站所有内容均由合作方或网友上传,本站不对文档的完整性、权威性及其观点立场正确性做任何保证或承诺!文档内容仅供研究参考,付费前请自行鉴别。
3、如文档内容存在违规,或者侵犯商业秘密、侵犯著作权等,请点击“违规举报”。

碎片内容

安全生产新资料规程

您可能关注的文档

确认删除?
VIP
微信客服
  • 扫码咨询
会员Q群
  • 会员专属群点击这里加入QQ群
客服邮箱
回到顶部