电脑桌面
添加小米粒文库到电脑桌面
安装后可以在桌面快捷访问

PC墙板线设备保养VIP免费

PC墙板线设备保养_第1页
1/67
PC墙板线设备保养_第2页
2/67
PC墙板线设备保养_第3页
3/67
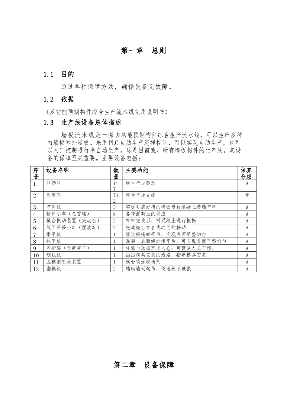
PC设备保养目录第一章总则1.1目的.................................................................11.2依据.................................................................11.3生产线设备总体概述......................................................11.4生产线设备的分级........................................................1第二章设备保障2.1布料机.................................................................22.2输料小车(鱼雷罐)......................................................102.3模台振动装置(振动台)...................................................162.4线间平移小车(摆渡车)...................................................212.5赶平、振捣装置(擀平机).................................................292.6抹平机...................................................................352.7养护窑及码垛车...........................................................402.8划线机...................................................................552.9脱模剂喷涂装置...........................................................602.10侧立机..................................................................65第一章总则1.1目的通过各种保障方法,确保设备无故障。1.2依据《多功能预制构件综合生产流水线使用说明书》1.3生产线设备总体描述墙板流水线是一条多功能预制构件综合生产流水线,可以生产多种内墙板和外墙板。采用PLC自动生产流程控制,可以实现自动生产,也可以人工控制进行半自动生产。这是目前我厂所有墙板构件的生产线,其设备的保障至关重要。主要设备包括:序号设备名称数量主要功能保养分级1驱动轮147模台行走驱动A2固定轮732模台行走支撑无3布料机3实现对装好模的墙板进行混凝土精确布料A4输料小车(鱼雷罐)8各跨混凝土的供应A5模台振动装置(振动台)2布料完成后,对混凝土进行振捣A6线间平移小车(摆渡车)2完成模台在各线之间的移动A7擀平机1经过振捣擀平后,实现表面平整均匀A8抹平机1混凝土表面经过模平后,可实现表面平整均匀A9养护窑(含装库车)1任意自动循环出入仓;可设定人工干预。A10划线机1画出模具安装的线路,指导模具安装A11脱模剂喷涂装置1模台喷涂脱模剂A12翻模机2辅助墙板起吊,使墙板不破损A第二章设备保障2.1布料机2.1.1点检、日常保养和巡检(1)点检和日常保养:通过点检和日常保养可以提前发现异常,及早处理,避免生产过程中故障停机。润滑油工作分工:①每日、每周需人工或手动加油设备由岗位操作工进行加油;②远离生产线的设备由岗位维修工进行加油;③自动加油或一次性加油的设备,由维修人员按计划定期补加或更换。日常点检记录表(布料机)月序号点检项目123456789101112131415161718192021222324252627282930311检查液压站油位正常、油管接口处无漏油2检查电机无发烫、无异响3检查送料车门动作无异常4检查送料车行走动作无异常5检查布料螺旋动作无异常6检查布料车行走动无否异常7检查光电定位感应器动作正常8检查布料车底门动作无异常9检查指示灯、急停按钮10检查气缸、气管及接头无漏气11布料机机身内外、电控柜外表清洁12下班前进行日常润滑保养操作员工签名维修人员或主管签名内部文件编号布料机日常保养作业指导书生效日期责任人:修订日期页次第1页共1页目的:让操作员更加的明确保养的方法,使设备能得到充分的维护。点检图保养和清洁1)班前点检,并将手动浓油泵(黄油)手柄按压5-7下,轴承缝隙有少许黄油冒出即可2)班后清理油缸缸体和活塞杆、导杆,保持整洁,无灰尘、无混凝土残留、无黑色油污,并在活塞杆、导杆上均匀涂抹一层废液压油3)班后及时清理清理旋转轴4)每隔2小时或停用10分钟清理清洁布料口挡块、布料机机身内外混凝土,保持机身内部混凝土残留厚度不超过2mm,机身外表无混凝土残留和脏污,一天以上不用对内壁涂抹脱模油;班后及时清理清洗池编制:审核:批准:3、检查拖链无断裂9、检查指示灯、急停按钮、开关动作正...

1、当您付费下载文档后,您只拥有了使用权限,并不意味着购买了版权,文档只能用于自身使用,不得用于其他商业用途(如 [转卖]进行直接盈利或[编辑后售卖]进行间接盈利)。
2、本站所有内容均由合作方或网友上传,本站不对文档的完整性、权威性及其观点立场正确性做任何保证或承诺!文档内容仅供研究参考,付费前请自行鉴别。
3、如文档内容存在违规,或者侵犯商业秘密、侵犯著作权等,请点击“违规举报”。

碎片内容

PC墙板线设备保养

确认删除?
VIP
微信客服
  • 扫码咨询
会员Q群
  • 会员专属群点击这里加入QQ群
客服邮箱
回到顶部