电脑桌面
添加小米粒文库到电脑桌面
安装后可以在桌面快捷访问

安全报监资料VIP免费

安全报监资料_第1页
1/34
安全报监资料_第2页
2/34
安全报监资料_第3页
3/34
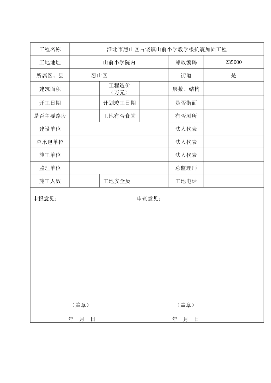
目录1、安全报监审查表2、安全文明生产目标管理责任书3、安全文明施工管理目标及安全文明施工责任状4、安全生产责任制5、安全生产文明施工管理办法6、各工种安全技术操作规程7、安全生产责任书8、安全机构管理人员及特殊工种名单、证件复印件9、施工组织设计安徽省建筑工程安全报监审查表工程名称淮北市烈山区古饶镇山前小学教学楼抗震加固工程工地地址山前小学院内邮政编码235000所属区、县烈山区街道是建筑面积工程造价(万元)层数、结构开工日期计划竣工日期是否街面是否主要路段工地有否食堂有否厕所建设单位法人代表总承包单位法人代表施工单位法人代表监理单位总监理师施工人数工地安全员工地电话申报意见:(盖章)年月日审查意见:(盖章)年月日建设单位履行职责情况按有关规定申请办理批准手续已按规定申请办理批准手续工程造价中安全生产文明施工费用已办理专款专用特殊安全防护费用支付已办理专款专用施工现场安全生产状况现场管理安全内业资料项目经理安全培训证号安全员安全培训证号特种作业人员持证电工(姓名/证号)焊工(姓名/证号)起重工(姓名/证号)架子工(姓名/证号)其他(姓名/证号)施工组织设计中安全技术措施是否有针对性是审批程序是否符合是安全生产基本管理制度是否建立健全是职工意外伤害保险参加人数齐全现场安全生产状况是否封闭施工是是否设有门卫是大门设置情况齐全围墙设置情况齐全“五牌一图“设置情况齐全毗邻建筑物、构筑物和特殊作业环境等特殊安全防护是否到位是办公室、食堂、宿舍和厕所等临时设施是否符合要求无进入现场的机具设备、安全防护用品是否经检查检测验收是一、山前小学抗震加固工程项目部安全生产责任制项目经理责任制项目部技术副经理责任制项目部安全副经理责任制专职安全员责任制队长责任制技术员责任制施工员责任制班组长责任制班组兼职安全员责任制设备管理员岗位责任制外援施工队负责人责任制岗位工人责任制项目部安全生产责任制为认真贯彻“安全第一,预防为主”的安全生产方针,明确项目部、工程技术负责人等有关管理人员及各职能部门安全生产的责任,保障生产者在施工中的安全和健康,特制定本责任制。一、项目经理责任制1、对承包项目工程生产经营过程中的安全生产负全面领导责任,是本项目部第一责任者。2、贯彻落实安全生产方针、政策、法规和各项规章制度,结合项目工程施工全过程的情况,制定本项目工程安全生产管理办法。并明确各业务承包人的安全责任和考核指标,支持、领导安全管理人员工作。3、严格用工制度与管理,适时组织上岗安全教育。4、组织落实施工组织设计中的安全技术措施,组织并监督项目工程施工中安全技术交底制度和设备、设施、验收制度的实施。5、领导组织施工现场的安全生产检查,发现施工生产中的不安全问题,组织制定措施,及时解决。对上级提出的安全生产和管理上的问题,要定时、定人、定措施予以解决。6、发生事故要做好现场保护与抢救工作,及时上报,组织配合事故调查,认真落实制定的防范措施,吸取事故教训。二、项目部技术副经理责任制1、对项目工程生产经营中的安全生产负技术责任。2、贯彻、落实安全生产、政策、严格执行安全技术规程、规范标准,结合项目工程特点,主持项目工程的安全技术交底。3、参加组织编制施工组织设计,编制施工方案要制定安全技术措施,保证其可行与针对性,并随时检查、监督、落实。4、主持制定技术措施计划和季节性施工方案的同时,制定相应的安全技术措施并监督执行。及时解决执行中出现的问题。5、项目工程应用新材料、新技术、新工艺要及时上报,经批准后方可实施,用时要组织上岗人员的安全技术培训、教育,认真执行相应的安全技术措施与安全操作工具、要求,预防施工中用化学物品引起的火灾、中毒或其新工艺实施中可能造成的事故。6、主持安全防护设施和设备验收,发现设备、设施的不正常情况应及时采取措施。严格控制不合标准、要求的防护设备、设施投入使用。7、参加安全生产检查,对施工中存在的不安全因素,从技术方面提出整改意见和办法予以清除。8、参加、配合因工伤亡及重大未遂事故和调查,从技术上分析事故原因,提出防范措施、意...

1、当您付费下载文档后,您只拥有了使用权限,并不意味着购买了版权,文档只能用于自身使用,不得用于其他商业用途(如 [转卖]进行直接盈利或[编辑后售卖]进行间接盈利)。
2、本站所有内容均由合作方或网友上传,本站不对文档的完整性、权威性及其观点立场正确性做任何保证或承诺!文档内容仅供研究参考,付费前请自行鉴别。
3、如文档内容存在违规,或者侵犯商业秘密、侵犯著作权等,请点击“违规举报”。

碎片内容

安全报监资料

您可能关注的文档

黄金书屋+ 关注
实名认证
内容提供者

爱好英语教学和互联网行业,热爱教育事业,兢兢业业

确认删除?
VIP
微信客服
  • 扫码咨询
会员Q群
  • 会员专属群点击这里加入QQ群
客服邮箱
回到顶部