电脑桌面
添加小米粒文库到电脑桌面
安装后可以在桌面快捷访问

公司经理安全生产责任制VIP免费

公司经理安全生产责任制_第1页
1/229
公司经理安全生产责任制_第2页
2/229
公司经理安全生产责任制_第3页
3/229
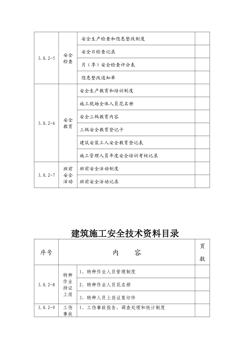
建筑施工安全技术资料目录序号内容页数3.0.2-1安全生产责任制1、安全责任制2、项目部安全生产责任制3、经济承包安全生产指标4、各工种安全技术操作规程5、项目组建审批表6、施工人员上岗证复印件7、安全员聘任书8、管理人员责任制考核14、建设工程安全监督登记书15、建设工程安全生产、文明施工分段验收表3.0.2-2目标管理安全生产目标安全责任目标分解安全责任目标考核规定安全责任目标考核记录3.0.2-3施工组织设计安全技术管理制度施工组织设计及施工组织设计审批表专业性较强项目安全施工方案3.0.2-4安全技术交底分部(分项)工程安全技术交底单汇总表分部(分项)工程安全技术交底单3.0.2-5安全检查安全生产检查和隐患整改制度安全日检查记录月(季)安全检查评分表隐患整改通知单3.0.2-6安全教育安全生产教育和培训制度施工现场全体人员花名册安全三级教育内容三级安全教育登记卡建筑安装工人安全教育登记表施工管理人员年度安全培训考核记录3.0.2-7班前安全活动班前安全活动制度班前安全活动记录建筑施工安全技术资料目录序号内容页数3.0.2-8特种作业持证上岗1、特种作业人员管理制度2、特种作业人员花名册3、特种人员上岗证复印件3.0.2-9工伤事故1、工伤事故报告、调查处理和统计制度处理2、施工现场职工伤亡事故月报表3、安全事故调查处理报告书3.0.2-10安全标志1、施工现场安全标志台帐2、施工现场安全标志布置总平面图3.0.7三宝、四口、防护1、安全防护管理制度2、安全防护用品生产许可证及出厂合格登记表3、防护用品生产许可证及出厂合格证3.0.4-1脚手架工程1、外脚手架搭设、拆除方案2、外脚手架设计计算书3、安全网搭设验收单4、外脚手架搭设验收单3.0.6基坑支护与模板工程1、基坑支护方案2、模板施工方案3、模板支撑设计计算书4、模板安装验收表5、模板拆除申请表及拆模试件强度报告3.0.8施工用电1、施工用电制度2、施工临时用电安全施工方案3、施工临时用电验收表4、接地电阻检测记录5、绝缘电阻检测记录6、电工巡视维修记录3.0.9物料提升机1、物料提升机装拆方案2、物料提升机出厂合格证、拆装许可证、准用批文3、物料提升机验收表3.0.11塔吊1、塔吊装拆方案2、塔吊出厂合格证、拆装许可证、准用批文3、塔吊验收表建筑施工安全技术资料目录序号内容页数3.0.13施工机具1、各类施工机具验收单3.0.3文明施工1、文明施工管理制度2、消防制度3、动火审批手续4、治安保卫制度及责任分解5、急救人员花名册6、急救人员上岗证复印件7、夜间施工手续8、施工不扰民措施9、防粉尘、防噪音措施建筑施工安全技术资料目录序号3.0.2-1安全生产责任制页数1安全责任制2项目部安全生产责任制3经济承包安全生产指标4各工种安全技术操作规程5项目组建审批表6施工人员上岗证复印件7安全员聘任书8管理人员责任制考核14建设工程安全监督登记书15建设工程安全生产、文明施工分段验收表工程名称:金湾花城四期施工单位:南宁市建筑安装工程有限责任公司公司经理(第一责任人)安全生产责任制一、贯彻执行国家有关安全生产的法规和方针政策,制定建立健全企业的安全生产责任制及规章制度,完善安全生产的组织、保证体系及网络。二、制定企业安全生产管理的中长期规划和近期目标,把安全生产工作摆到重要的议事日程。三、落实年度企业安全技术措施经费及劳动保护经费的提取和使用。四、制定企业劳动保护细则,改善职工劳动条件,落实女工劳动保护规定,保护职工的安全及健康。五、定期研究安全生产工作、劳动保护工作。在计划、布置、检查、总结生产时、同时计划、布置、检查总结考核安全生产工作及劳动保护。六、制定企业职工安全培训教育工作实施特殊工作人员持证上岗操作。七、负责组织拟定职工伤亡事故报告,执行对事故有关人员的纪律处分,组织、安全防范措施的实施,做好事故的善后处理。企业党委书记、副书记的安全责任制(1)认真贯彻执行党和国家的安全生产方针、政策法令、规定,把安全生产列入重要议事日程,研究职工安全生产思想动态,抓好安全生产思想宣传教育工作,培训安全生产宣传骨干,教育党员领导干部以身作则,树立安全第一的思想。(2)组织党委会议研究生产任务时,必须同...

1、当您付费下载文档后,您只拥有了使用权限,并不意味着购买了版权,文档只能用于自身使用,不得用于其他商业用途(如 [转卖]进行直接盈利或[编辑后售卖]进行间接盈利)。
2、本站所有内容均由合作方或网友上传,本站不对文档的完整性、权威性及其观点立场正确性做任何保证或承诺!文档内容仅供研究参考,付费前请自行鉴别。
3、如文档内容存在违规,或者侵犯商业秘密、侵犯著作权等,请点击“违规举报”。

碎片内容

公司经理安全生产责任制

您可能关注的文档

确认删除?
VIP
微信客服
  • 扫码咨询
会员Q群
  • 会员专属群点击这里加入QQ群
客服邮箱
回到顶部