电脑桌面
添加小米粒文库到电脑桌面
安装后可以在桌面快捷访问

关于钢结构主厂房施工的现场管理( 13)VIP免费

关于钢结构主厂房施工的现场管理( 13)_第1页
1/13
关于钢结构主厂房施工的现场管理( 13)_第2页
2/13
关于钢结构主厂房施工的现场管理( 13)_第3页
3/13
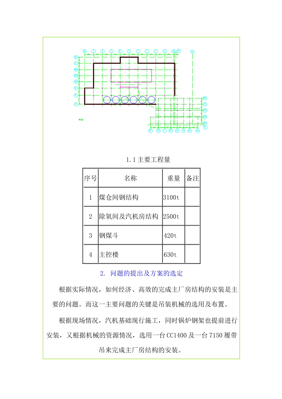
关于钢结构主厂房施工的现场管理摘要:随着科技的不断发展,钢结构越来越多的应用到电厂工程当中,钢结构安装技术在电厂施工当中应用的越来越频繁。本文以托电工程为例,简要阐述主厂房钢结构的安装。关键词:主厂房钢结构安装1.工程简介内蒙古托克托电厂一期工程中,汽机房、除氧煤仓间、主控楼上部结构均为多层框架钢结构,连接形式为全铰接带支撑结构体系,柱梁均为热扎及焊接"H"型截面型钢,用10.9级高强螺栓连接。煤仓间最高点为61.1M;轴线位置为1a-10,除氧间共分三段:主控楼共分二段,(8)-(12)轴之间设输煤皮带栈桥,标高层为44.27m。煤仓间33.3M层(2)-(8)轴之间设6个钢煤斗。煤斗总高度为18.15米,煤斗同钢梁采用高强螺栓连接。单个煤斗总重量为68.58吨。结构平面布置见附图1。1.1主要工程量序号名称重量备注1煤仓间钢结构3100t2除氧间及汽机房结构2500t3钢煤斗420t4主控楼630t2.问题的提出及方案的选定根据实际情况,如何经济、高效的完成主厂房结构的安装是主要的问题。而这一主要问题的关键是吊装机械的选用及布置。根据现场情况,汽机基础现行施工,同时锅炉钢架也提前进行安装,又根据机械的资源情况,选用一台CC1400及一台7150履带吊来完成主厂房结构的安装。2.1施工准备施工准备涵盖的内容较多,基础的正确交安是关键的一项,只有交安准确才能保证结构安装的正确性。另外要考虑结构制作与基础施工的偏差,并考虑结构制作的温度影响。在基础交安时一同消除。结构安装施工前还应重点考虑设备的供货、储存、码放等。只有合理安排组织构件的顺序,才能保证安装的顺利进行。托电工程由于施工场地较宽阔,设备单独储存在设备堆放场,采用二次倒运进行安装,保证了施工现场的整洁。高强螺栓的管理应重点对待,应有计划有制度的进行管理。现场储存场地应重点考虑,特别是在多雨潮湿多风沙的地区,应特别重视。施工安全设施的准备是安装顺利进行的保证,在充分了解图纸的前提下经济合理准备。在安装前还应进行下表的工作:序号作业前应作的准备工作责任单位/人备注1仔细进行吊装方案的研究,施工人员应明确施工的顺序2将构件按照吊装的反程序进行码放3仔细清点构件,核对其制作准确度4安装措施用设施制作完成5安装措施用设施实际检验无问题6合理进行电焊机布置并具备使用条件7完成现场的施工电源布置并具备使用条件8运输用机械准备齐全9安装范围基础顶面垫铁配制安装完成,并验收合格10钢柱划线完成,垫铁划线完成11现场工作区域清理整平完成12吊车行走道路具备条件13吊装用索具、吊点准备完成14水准仪、经纬仪及钢尺检测完成15安装用工机具准备齐全16专用库房(高强螺栓及连接板用)准备到位17施工记录表格、验收表格准备齐全18施工人员审查完成,体检无问题3.安装作业3.1安装程序结构吊装的总体方案是采用单件逐段吊装,每安装完一段钢架,相应的平台楼板的砼随即施工。本次施工厂房钢结构采用一台7150履带吊及一台CC1400履带吊共同施工。一台7150履带吊布置在汽机房(8)-(9)轴之间,负责集控搂、除氧煤仓间(6)-(10)轴结构的吊装;一台CC1400履带吊布置在汽机房(1)-(3)轴之间,负责除氧煤仓间(5)-(1a)轴、钢煤斗的吊装。输煤皮带天桥的吊装另行考虑。由于厂房结构到货较晚,汽机房内部基础结构先行施工,因此汽机房上部结构的吊装存在同汽机房内部施工交叉的问题。考虑2#锅炉提前钢架安装对集控楼的影响,主控楼结构的安装应在2#炉钢架安装前及时进行安装。以便主控楼构件的运输。主控楼安装由7150吊车吊装。煤仓间按合同我方施工至(10)轴,而C列的(9)(10)轴的两根柱子为机岛供货,因此,施工时CC1400吊车考虑先从(5)轴开始吊装,即(5)轴的D列柱做为第一根起吊钢柱,然后吊(5)轴C列柱,两根柱子吊装后随即安装两柱间的连梁及支撑。第二步吊(4)轴的两根柱子及连接件,并和(5)轴的两根柱连接成稳定结构,然后吊装除氧间B列(5)轴钢柱,并同C列连接成整体,顺序吊装4轴钢柱。依次类推至1a轴。第一段安装完,验收合格后可插入楼板的施工。并进行第二、三、四段的安装,方法同第一段。在吊装完第三段后插入钢煤斗的吊装。7150吊车安...

1、当您付费下载文档后,您只拥有了使用权限,并不意味着购买了版权,文档只能用于自身使用,不得用于其他商业用途(如 [转卖]进行直接盈利或[编辑后售卖]进行间接盈利)。
2、本站所有内容均由合作方或网友上传,本站不对文档的完整性、权威性及其观点立场正确性做任何保证或承诺!文档内容仅供研究参考,付费前请自行鉴别。
3、如文档内容存在违规,或者侵犯商业秘密、侵犯著作权等,请点击“违规举报”。

碎片内容

关于钢结构主厂房施工的现场管理( 13)

您可能关注的文档

确认删除?
VIP
微信客服
  • 扫码咨询
会员Q群
  • 会员专属群点击这里加入QQ群
客服邮箱
回到顶部