电脑桌面
添加小米粒文库到电脑桌面
安装后可以在桌面快捷访问

砌筑工程施工技术交底VIP免费

砌筑工程施工技术交底_第1页
1/6
砌筑工程施工技术交底_第2页
2/6
砌筑工程施工技术交底_第3页
3/6
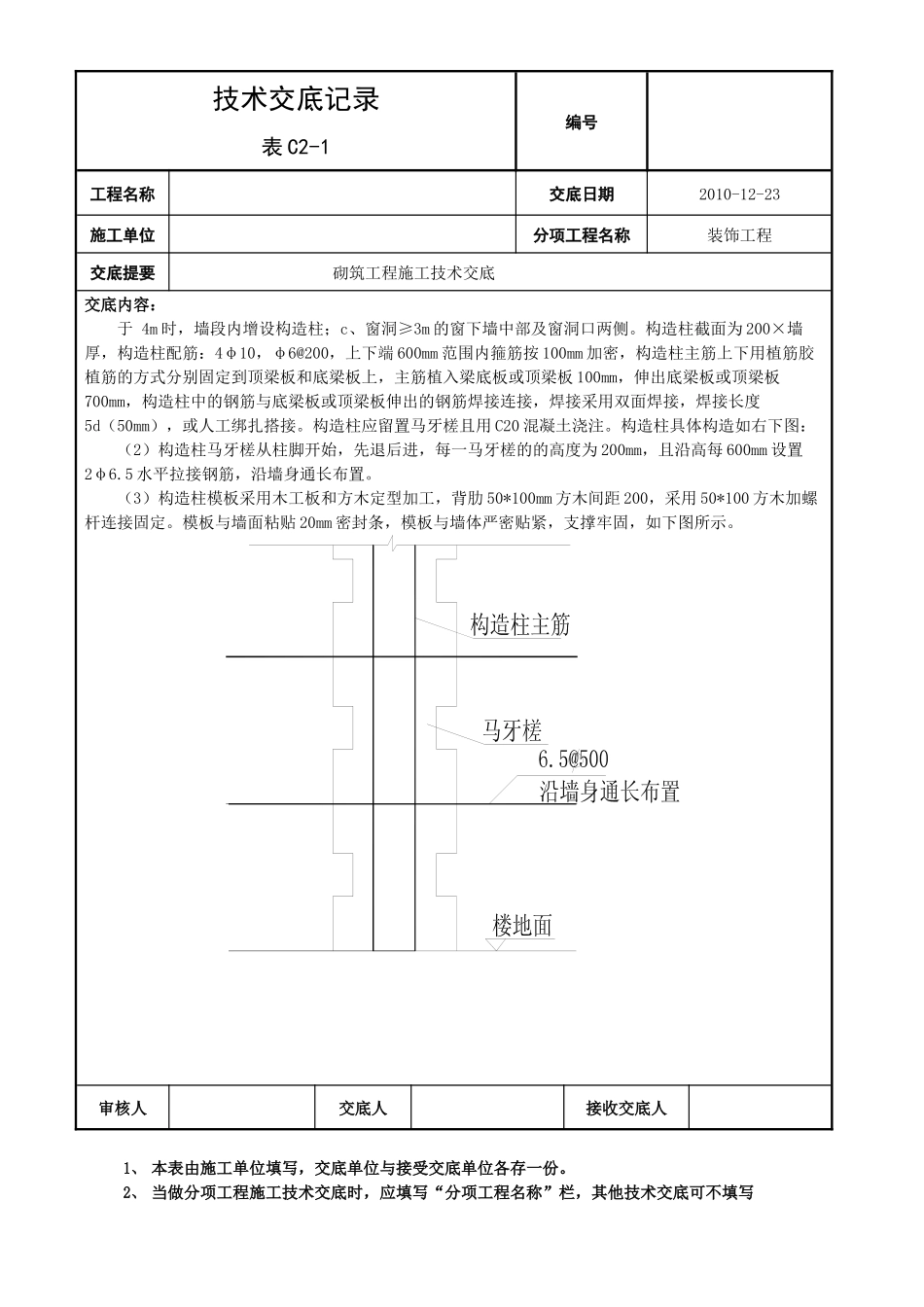
技术交底记录表C2-1编号工程名称交底日期2010-12-23施工单位分项工程名称装饰工程交底提要砌筑工程施工技术交底交底内容:一、材料准备砌块、水泥、砂、掺合料、拉结钢筋、预埋件、木砖等。二、作业条件1、完成室外及房心回填土,基础、主体工程结构验收完毕,并经有关部门验收合格。2、弹好墙身线、轴线、根据现场砌块的实际规格尺寸,再弹出门窗洞口位置线,经验线符合设计图纸的标高尺寸要求。3、立皮数杆:用30mm×40mm木料制作,皮数杆标上门窗洞口、木砖、拉结筋、圈梁、过梁的尺寸、标高。按标高立好皮数杆,转角处距墙皮或墙角50mm设置皮数杆。皮数杆应垂直、牢固、标高一致,经复核,满足要求。4、根据最下面第一皮砖的标高,拉通线检查,如水平缝厚度超过20mm,用砌石混凝土找平,不得用水泥砂浆找平或砍砖包合子砸平。5、M5水泥砂浆、混合砂浆由试验室做配合比试配,准备好试模。砖抽样复检抗压强度,水泥复检,c20砼做配合比试配。三、工艺流程测量放线→基座处理→砌块浇水→砂浆搅拌→隔墙砌筑四、施工工艺1测量放线:砌体施工前,应依据建筑图放出墙体中线、砌体边线和门洞口线。2基座处理:有水房间砌体施工前,根据已经放好的墙体位置线在墙体位置底部浇筑一个混凝土基座,高300mm,宽同墙厚,混凝土采用C20混凝土。其他墙体基底砌筑30cm高实心砖墙。3外墙、厕所、厨房等采用多孔砖;电梯机房、设备用房、女儿墙采用实心砖;其余房间为空心砖。空心砌块需提前浇水湿润,待表面干燥后方可使用。4砂浆搅拌:4.1±0.00m以下采用M5水泥砂浆,±0.00m以上采用M5混合砂浆,砂浆配合比应采用重量比,计量精度水泥为2%,砂控制在±5%以内。4.2水泥砂浆应采用现场机械搅拌,先倒砂子、水泥、掺合料,最后倒水,搅拌时间不少于2min。4.3砂浆应随拌随用,并必须在拌成后3h到4h内使用完毕。超过上述时间的砂浆,不得使用,并不应再次拌合后使用。5墙砌筑:5.1选砖:应选择棱角整齐,无弯曲、裂纹,规格基础一致的砖。应尽量选用主规格的砖。5.2所有墙均从结构面生根,楼板上砌筑时底部先砌300mm高页岩砖,然后再在页岩砖上砌空心砌块。5.3每层应从转角处开始砌筑,砌第一皮砖时应满铺砂浆,应砌一皮、校正一皮,拉线控制砌体标高和墙面平整度。5.4小砌块应底面朝上砌筑,以便座浆。审核人交底人接收交底人1、本表由施工单位填写,交底单位与接受交底单位各存一份。2、当做分项工程施工技术交底时,应填写“分项工程名称”栏,其他技术交底可不填写。技术交底记录表C2-1编号工程名称交底日期2010-12-23施工单位分项工程名称装饰工程交底提要砌筑工程施工技术交底交底内容:5.5应对孔错缝搭砌,搭接长度为半个主规格砖。5.6墙体转角处和纵横墙交接处应同时砌筑,临时间断处应砌成斜槎,斜槎水平投影长度不应小于高度的2/3。5.7墙顶部用页岩砖斜砌,砌块必须逐块敲紧挤实,填满沙浆,宜待下部墙体充分收水、稳定(5天)以后再砌顶部斜砌块。5.8水平灰缝厚度和竖向灰缝一般为10mm,但不应小于8mm,也不应大于12mm。砌体水平灰缝的砂浆饱满度不应低于90%,竖向灰缝饱满度不得低于80%。5.9拉接筋设置:墙体竖向每隔500mm设一道拉接筋,采用植筋的方式与框架柱或混凝土墙体连接。如图所示:5.10卧梁设置:高度≥4m的填充墙,半层高处或门、窗上口应设置长卧梁,梁截面为墙厚*120mm,纵筋4φ10,箍筋φ6@200,卧梁钢筋锚入两端柱内。5.11窗洞口砌筑:在砌筑窗洞口时,窗洞口两侧按下图所示设置实心砖块,将来用以固定窗框,窗底口除有梁外均设60mm厚压顶。5.12构造柱设置:(1)填充墙中构造柱设置:内隔墙下列情况设置构造柱,其构造详见西南05G701(四)第30页:a、内隔墙转角处;b、相邻隔墙或框架柱的间距大于5m时,墙段内增设构造柱。c、门洞≥3m的洞口两侧。围护墙的下列部位应设置构造柱:a、内外墙交接处,外墙转角处;b、相邻隔墙或框架柱的间距大审核人交底人接收交底人1、本表由施工单位填写,交底单位与接受交底单位各存一份。2、当做分项工程施工技术交底时,应填写“分项工程名称”栏,其他技术交底可不填写。技术交底记录表C2-1编号工程名称交底日期2010-12-23施工单...

1、当您付费下载文档后,您只拥有了使用权限,并不意味着购买了版权,文档只能用于自身使用,不得用于其他商业用途(如 [转卖]进行直接盈利或[编辑后售卖]进行间接盈利)。
2、本站所有内容均由合作方或网友上传,本站不对文档的完整性、权威性及其观点立场正确性做任何保证或承诺!文档内容仅供研究参考,付费前请自行鉴别。
3、如文档内容存在违规,或者侵犯商业秘密、侵犯著作权等,请点击“违规举报”。

碎片内容

砌筑工程施工技术交底

确认删除?
VIP
微信客服
  • 扫码咨询
会员Q群
  • 会员专属群点击这里加入QQ群
客服邮箱
回到顶部