电脑桌面
添加小米粒文库到电脑桌面
安装后可以在桌面快捷访问

施工技术交底02砌块砌筑工程VIP免费

施工技术交底02砌块砌筑工程_第1页
1/4
施工技术交底02砌块砌筑工程_第2页
2/4
施工技术交底02砌块砌筑工程_第3页
3/4
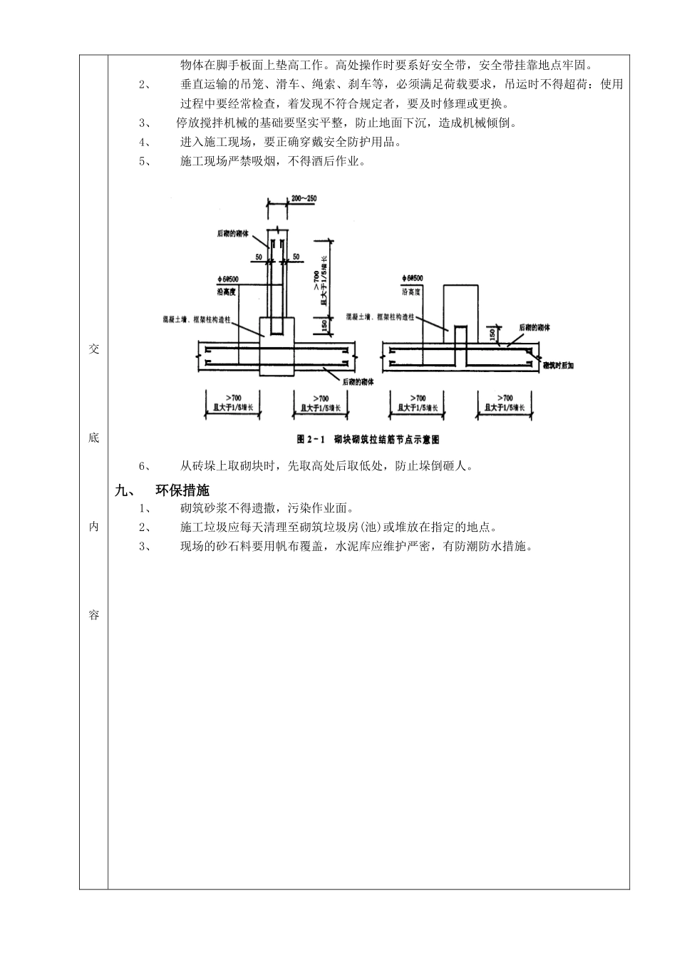
砌块砌筑工程分项工程质量技术交底卡GD2301003施工单位工程名称分部工程交底部位日期年月日交底内容一、材料准备砌块、水泥、砂、掺合料、拉结钢筋、顶埋件、木砖等。二、施工机具搅拌机、手推车、磅秤、外用电梯、砖笼、胶皮管、筛子、大铲、瓦刀、扁子、托线板、线坠、小白线、卷尺、铁水平尺、皮数杆、小水桶、砖夹子、扫帚等。三、作业条件1、完成室外及房心回填±,基础工程结构施工完毕,并经有关单位验收合格。2、弹好墙身线、轴线,根据现场砌块的实际规格尺寸,再弹出门窗洞口位置线,经验线符合设计图纸的尺寸要求,办完验收手续。3、立皮数杆:用30×40mm木料制作,皮数杆上门窗洞口、木砖、拉接筋、圈梁、过梁的尺寸标高。按标高立好皮数扦,皮数杆的间距15m,转角处距墙皮或墙角50mm设置皮数杆。皮数杆应垂直、牢固、标高一致,经复核,办理验收手续。4、砂浆由试验室做配合比试配,准备好试模。四、质量要求混凝土小型空心砌块施工质量要求应符合《砌体工程施工质量验收规范》(GB50203-2002)的规定。项序检查项目允许偏差或允许值主控项目1小砌块强度等级设计要求MU2砂浆强度等级设计要求M3砌筑留搓第6.2.3条4水平灰缝饱满度≥90%5竖向灰缝饱满度≥80%6轴线位移≤10mm7垂直度(每层)≤5mm一般项目1水平灰缝厚度竖向宽度8~12mm2基础顶面和楼面标高±15mm3表面平整度清水:5mm混水:8mm4门窗洞口±5mm5窗口位移20mm6水平灰缝平直度清水:7mm混水:10mm五、工艺流程墙体放线→制备砂浆→砌块排列→铺砂浆→砌块就位→校正→砌筑镶砖→勒缝交底内容六、操作工艺墙体放线:砌体施工前,应将基础面或楼层结构面按标高找平,依据砌筑图放出第一皮砌块的轴线、砌体边线和洞口线。1、拌制砌筑砂浆:现场采用砂浆搅拌机拌合砂浆,严格按照配合比配制。2、砂浆配合比用重量比,计量精度为:水泥±2%、砂及掺合料±5%。3、砂浆组批原则及取样规定:(1)以同一砂浆强度等级,同一配合比,同种原材料每一楼层或250m3砌体(基础砌体可按一个楼层计)为一个取样单位,每取样单位标准养护试块的留置不得少于一组(每组6块)。(2)干拌砂浆:同强度等级每400t为一验收批,不足400t也按一批计。每批从20个以上的不同部位取等量样品。总质量不少于15kg,分成两份,一份送试,一份备用。(3)建筑地面用水泥砂浆,以每一层或1000m2为一检验批,不足1000m2也按一批计。每批砂浆至少取样一组。当改变配合比时也应相应地留置试块。4、搅拌机投料顺序:砂→水泥→掺合料→水。5、砌块排列:按砌块排列图在砌体线范围内分块定尺、画线、排列砌块的方法和要求如下:6、砌块排列上、下皮应错缝搭砌,搭砌长度为砌块的l/2,不得小于砌块高度的1/3,也不应小于90mm,如果搭错缝长度满足不了规定的搭接要求,应根据砌体构造设计规定采取压砌钢筋网片的措施。7、外墙转角及纵横墙交接处,应将砌块分皮咬搓,交错搭砌。8、砌块就位与校正:普通混凝土小型砌块不宜浇水;当天气干燥炎热时,可在砌块上稍加喷水润湿。轻集料混凝土小砌块施工前可洒水,但不宜过多。龄期不足28d及潮湿的小砌块不得进行砌筑。应采用主规格小砌块,小砌块的强度等级应符合设计要求,并应清除砌块表面的杂物后方可吊运就位。砌筑就位应先远后近、先下后上、先外后内;每层开始时,应从转角处或定位砌块处开始;应吊砌一皮、校正一皮,墙皮拉线控制砌体标高和墙面平整度。9、砌筑墙体要同时砌起,不得留斜磋。每天砌筑高度不超过1.8m。10、转角及交接处同时砌筑,不得留直磋,斜搓水平投影不应小于高度的2/3。七、成品保护措施1、砌体材料运输、装卸过程中严禁抛掷和倾倒。进场后,要按品种、规格分别堆放整齐,作好标识,堆放高度不能超过2m。2、砌体墙上不得放脚手架排木,防止发生事故。3、砌体在墙上支撑圈梁模板时,防止撞动最上一皮砖。4、支完模板后,保持模内清洁,防止掉入砖头、石子、木屑等杂物。5、墙体的拉结钢筋、框架结构柱预留锚固筋及各种预埋件、各种预埋管线等,均要注意保护,严禁任意拆改或损坏。6、砂浆稠度要适宜,砌砖操作、浇筑过梁、构造柱混凝土时要防止砂浆流淌污染墙面。7、在吊放操作平台脚手架...

1、当您付费下载文档后,您只拥有了使用权限,并不意味着购买了版权,文档只能用于自身使用,不得用于其他商业用途(如 [转卖]进行直接盈利或[编辑后售卖]进行间接盈利)。
2、本站所有内容均由合作方或网友上传,本站不对文档的完整性、权威性及其观点立场正确性做任何保证或承诺!文档内容仅供研究参考,付费前请自行鉴别。
3、如文档内容存在违规,或者侵犯商业秘密、侵犯著作权等,请点击“违规举报”。

碎片内容

施工技术交底02砌块砌筑工程

您可能关注的文档

确认删除?
VIP
微信客服
  • 扫码咨询
会员Q群
  • 会员专属群点击这里加入QQ群
客服邮箱
回到顶部