电脑桌面
添加小米粒文库到电脑桌面
安装后可以在桌面快捷访问

某某物业公司保安管理手册VIP免费

某某物业公司保安管理手册_第1页
1/67
某某物业公司保安管理手册_第2页
2/67
某某物业公司保安管理手册_第3页
3/67
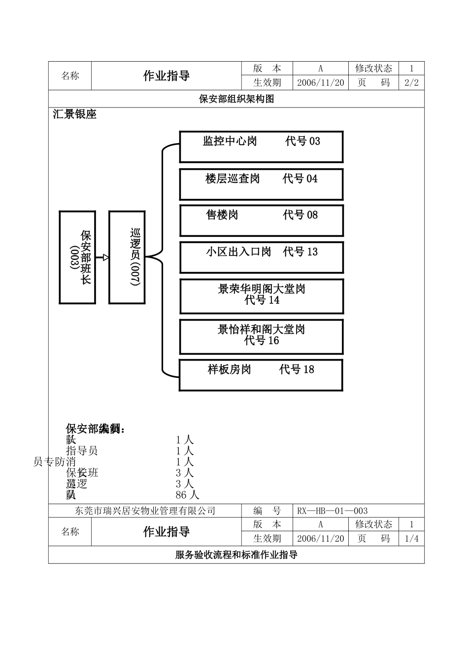
东莞市瑞兴居安物业管理有限公司编号RX—HB—05—001名称作业指导版本A修改状态1生效期2006/11/20页码1/1保安部质量/环境目标无重大责任事故发生保安服务满意率1.0小区内无一起重大责任事故(车场机动车辆被盗事件、业主/住户家中被盗事件、损失金额超叁仟圆的火灾事件)发生;2.0保安服务率=————————————×100%,不得低于85%。客户满意调查总业主人数数数数对保安服务满意的业主人数东莞市瑞兴居安物业管理有限公司编号RX—BA—05—002名称作业指导版本A修改状态1生效期2006/11/20页码1/2保安部组织架构图汇景豪庭东莞市瑞兴居安物业管理有限公司编号RX—HB—05—002保安部队长保安部班长(003)消防专员监控中心岗代号01小区出入口岗代号09车库巡查岗代号02车库收费岗代号05四楼办公室岗代号06楼层巡查岗代号07公寓楼岗代号10博览车库岗代号12瑞通车行岗代号23机动岗代号11名称作业指导版本A修改状态1生效期2006/11/20页码2/2保安部组织架构图汇景银座东莞市瑞兴居安物业管理有限公司编号RX—HB—01—003名称作业指导版本A修改状态1生效期2006/11/20页码1/4服务验收流程和标准作业指导保安部班长(003)监控中心岗代号03小区出入口岗代号13楼层巡查岗代号04售楼岗代号08景荣华明阁大堂岗代号14巡逻员(007)景怡祥和阁大堂岗代号16样板房岗代号18保安部人员编制:队长1人指导员1人消防专员1人保安班长3人巡逻员3人队员86人作业程序1.0目的:确保公司保安服务过程井然有序,文明服务、礼貌待人,防止违反保安规章的行为出现和各类治安事件的发生。2.0适用范围:公司全体保安工作。3.0职责:3.1.1保安队长负责对保安工作进行抽检。3.1.2各保安班长负责对本班工作进行日检。4.0基本内容4.1保安服务过程的分类与检验过程工作分配。4.1.1保安服务过程包括:1)巡逻保安作业2)路口岗保安作业4.1.2检验1)管理处负责依据检查标准对本小区的保安工作进行抽查;2)保安队长或班长、巡逻员依据标准对管辖区域内的保安工作进行日检,填写《巡查记录表》;3)对以上检查中发现的严重不合格项管理处应立即查找原因,及时采取纠正措施,立即纠正。发现隐患应及时采取预防措施,以防不合格服务发生。并在相应的质量记录中进行记录。4.1.3保安服务检验标准东莞市瑞兴居安物业管理有限公司编号RX—HB—01—003名称作业指导版本A修改状态1生效期2006/11/20页码2/4服务验收流程和标准作业指导东莞市瑞兴居安物业管理有限公司RX—HB—01—003名称作业指导版本A修改状态1生效期2006/11/20页码3/4序号违规项目扣分标准备注轻微严重1上岗未按规范穿着工装(包括衣服\领带\裤子\鞋等),未配戴标识牌1.02工作场合男性员工留长发长须,女性员工化浓妆1.03上班时间衣着不整洁,不注意个人卫生1.04工作时举止不文明,讲脏话1.05随地吐痰,乱扔杂物1.06不注意工作形象,在工作区域内勾肩搭背,追逐打闹,或高声谈笑等1.07上班迟到、早退1.08擅自离岗、上班缺勤3.09工作时间做与本职工作无关的事情1.010工作时间睡觉3.011未经允许在工作时间内接待与工作无关的访客1.012与上级或同事交往时有不礼貌行为1.013上班时间接听电话时未使用规范语言1.014接待住户时未使用礼貌语言3.015在狭窄通道行走或乘电梯、乘车时未礼让住户1.016因故不能接待住户或需中途离开所接待住户时,未向住户说明原因并致歉1.017未经住户允许,擅自进入住户室内3.018未应住户要求及时通报本人工号及姓名1.019未按规定及时处理住户投诉2.020未经请假参加培训、会议等集体活动迟到或早退1.021无故不举行或不参加培训或会议等例行活动2.022不清楚本岗位要求或不能回答“应知应会”知识1.023违反宿舍管理规定1.024违反饭堂管理规定1.025违反娱乐场所管理规定1.026未按规范填写各类工作记录1.027未填写各类工作记录2.028填写假记录3.029使用失效文件或记录表格1.030未经允可私自打印、复印及外传质量/环境管理体系文件6.0视情节给予行政处分31文件、资料、合同、档案、质量记录丢失2.032相关有效整改单据下发后责任人未按要求处理1.02.0服务验收流程和标准作业指导序号违规项目扣分标准备注轻微严重33不服从上级正常工作安排3.034无故拒绝签收...

1、当您付费下载文档后,您只拥有了使用权限,并不意味着购买了版权,文档只能用于自身使用,不得用于其他商业用途(如 [转卖]进行直接盈利或[编辑后售卖]进行间接盈利)。
2、本站所有内容均由合作方或网友上传,本站不对文档的完整性、权威性及其观点立场正确性做任何保证或承诺!文档内容仅供研究参考,付费前请自行鉴别。
3、如文档内容存在违规,或者侵犯商业秘密、侵犯著作权等,请点击“违规举报”。

碎片内容

某某物业公司保安管理手册

您可能关注的文档

教育精品店+ 关注
实名认证
内容提供者

优良的服务

确认删除?
VIP
微信客服
  • 扫码咨询
会员Q群
  • 会员专属群点击这里加入QQ群
客服邮箱
回到顶部