电脑桌面
添加小米粒文库到电脑桌面
安装后可以在桌面快捷访问

人力资源-K179“加”969顶进涵专项施工方案培训资料VIP免费

人力资源-K179“加”969顶进涵专项施工方案培训资料_第1页
1/45
人力资源-K179“加”969顶进涵专项施工方案培训资料_第2页
2/45
人力资源-K179“加”969顶进涵专项施工方案培训资料_第3页
3/45
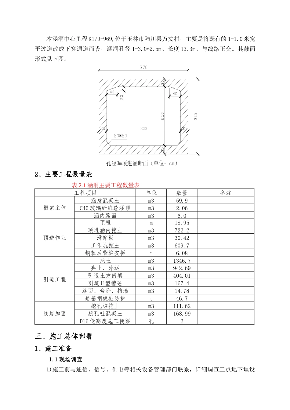
K179+969框架涵顶进施工方案一、编制依据、原则及目的1、编制依据1)《铁路安全管理条例》(中华人民共和国国务院令第639号)2)《铁路营业线施工安全管理办法》(铁运【2012】280号)3)《南宁铁路局普速铁路营业线施工安全管理实施细则》(宁铁运【2013】26号)4)《普速铁路工务安全规则》(铁总运【2014】272号)5)建工函[2009]260号《大型机械临近营业线施工管理规定》6)铁道部第32号《铁路交通事故应急救援规则》等有关文件及规定7)《营业线铁路安全事故应急救援条例》8)《建设工程安全生产管理条例》9)施工图、施工现场调查资料10)改建营业线和增建第二线铁路工程施工技术暂行规定(铁建设[2008]14号)11)《铁路工程施工安全技术规程》(TB10401-2003,J259-2003)等2、编制原则1)严格执行“安全生产,持证上岗”的原则,参建人员须经安全教育培训,考试合格后,持证上岗。2)当施工与铁路行车安全发生矛盾时,遵循“安全第一”的原则,服从铁路行车的需要;行车不施工,施工不行车。3)营业线施工严格执行一人一机专职防护、车过机停、营业线施工安全“三有、九不准”原则。4)施工前对所有人员进行技术交底,掌握技术要点及注意的安全事项,确保施工万无一失,严格按照批准的施工方案进行。5)遵循最大限度地减少对铁路运营干扰的原则。3、编制目的明确顶进框架涵作业的施工方法、工艺流程、操作要点、工艺标准和安全防护方案。二、工程简介1、项目概况本涵洞中心里程K179+969,位于玉林市陆川县万丈村,主要是将既有的1-1.0米宽平过道改成下穿通道而设,涵洞孔径1-3.0*2.5m、长度13.3m、与线路正交。其截面形式见下图。2、主要工程数量表表2.1涵洞主要工程数量表工程项目单位数量备注框架主体涵身混凝土m359.9C40玻璃纤维砼涵顶m32.06涵内路面m36.0顶进作业顶程m18.95顶进涵内挖土m3722.2滑穿板m330.42工作坑挖土m3609.7钢轨后背桩安拆t6.08引道工程挖土m31346.7弃土、外运m3942.69引道土方回填m3404.01引道U型槽砼m3167.4路面、台阶、挡墙m314.78路基钢板桩防护t46.7线路加固挖孔桩挖土m3111.62挖孔桩混凝土m3168.99D16低高度施工便梁孔2三、施工总体部署1、施工准备1.1现场调查1)施工前与通信、信号、供电等相关设备管理部门联系,详细调查工点地下埋设的电力,通信光缆等地下管线情况。2)地下管、线、电缆等隐蔽设施无法提供准确位置时采取人工开挖探槽,探沟深度不小于1.2m,探清管线数量及线路走向。3)现场用白灰标出既有地下管线位置,在管线两侧设警示标示杆、牌。积极与设备管理单位取得联系改移,在地下管线改移、保护完成后再进行基坑开挖施工。1.2技术准备1)组织人员核实现场地形地貌、水文条件等是否与设计相符合,编制施工方案、材料计划。2)框架涵顶进施工前,根据设计院交桩点、设计图纸准确放出中线位置,进行框架涵精确的定位及高程控制。3)组织架子队人员进场,开工前进行技术和安全交底。靠近既有线施工时,按批准的施工防护方案先防护后施工。4)检查施工用机械、机具、材料全部到位,能否满足施工进度要求。1.3施工用水用电施工用水采用地方的自来水及河道用水,并对施工用水进行水质检验,确保符合施工用水,施工用电采用地方用电和自发电结合的方式进行,确保施工需要。2、施工工期安排本涵洞为营业线施工,为最大限度的减少对铁路运营的影响,尽量共用天窗,相邻地段多开工点,根据铁路局批复的计划准时施工。计划开工工期2015年8月1日,完工日期2015年9月21日。工期安排详见下表3.1要点计划详见表3.2表3.1顶进涵工序及时间安排序号工作地点工作内容起讫日期工期(天)备注1K179+969开挖工作坑2015年8月1日~2015年8月5日52滑板施工2015年8月6日~2015年8月8日33框架涵预制2015年8月9日~2015年8月18日104后背墙施工2015年8月9日~2015年8月18日105挖孔桩施工2015年8月1日~2015年8月21日216线路架空2015年8月22日~2015年8月26日57框架涵顶进2015年8月27日~2015年9月5日108回填台背及道砟2015年9月6日~2015年9月10日59拆除线路架空设备2015年9月11日~2015年9月17日710线路恢复2015年9月18日~2013年9月21日4表3.2要点计划表序号施...

1、当您付费下载文档后,您只拥有了使用权限,并不意味着购买了版权,文档只能用于自身使用,不得用于其他商业用途(如 [转卖]进行直接盈利或[编辑后售卖]进行间接盈利)。
2、本站所有内容均由合作方或网友上传,本站不对文档的完整性、权威性及其观点立场正确性做任何保证或承诺!文档内容仅供研究参考,付费前请自行鉴别。
3、如文档内容存在违规,或者侵犯商业秘密、侵犯著作权等,请点击“违规举报”。

碎片内容

人力资源-K179“加”969顶进涵专项施工方案培训资料

您可能关注的文档

确认删除?
VIP
微信客服
  • 扫码咨询
会员Q群
  • 会员专属群点击这里加入QQ群
客服邮箱
回到顶部