电脑桌面
添加小米粒文库到电脑桌面
安装后可以在桌面快捷访问

某生态城建设工程档案管理服务手册VIP免费

某生态城建设工程档案管理服务手册_第1页
1/38
某生态城建设工程档案管理服务手册_第2页
2/38
某生态城建设工程档案管理服务手册_第3页
3/38
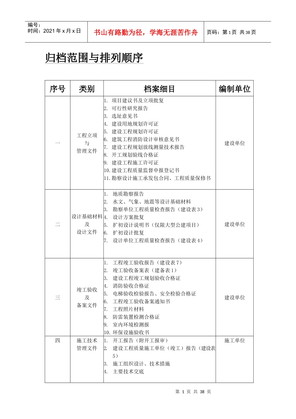
第1页共38页编号:时间:2021年x月x日书山有路勤为径,学海无涯苦作舟页码:第1页共38页归档范围与排列顺序序号类别档案细目编制单位一工程立项与管理文件1.项目建议书及立项批复2.可行性研究报告3.选址意见书4.建设用地规划许可证5.建设工程规划许可证6.建筑工程消防设计审核意见书7.建设工程规划放线测量技术报告8.开工规划验线合格证9.建设工程施工许可证10.建设工程质量监督申报登记书11.勘察设计施工承发包合同、工程质量保修书建设单位二设计基础材料及设计文件1.地质勘察报告2.水文、气象、地震等设计基础材料3.勘察单位工程质量检查报告(建设表3)4.设计方案批复5.扩初设计说明书(仅限大型公建项目)6.扩初设计批复7.设计单位工程质量检查报告(建设表4)建设单位三竣工验收及备案文件1.工程竣工验收报告(建设表7)2.竣工验收备案表(建备表1)3.建设工程竣工规划验收合格证4.消防验收合格证5.电梯验收检验报告、安全检验合格证6.工程竣工验收备案通知书7.工程照片材料8.防雷装置检测合格证9.室内环境检测报10.环保设施验收书建设单位四施工技术管理文件1.开工报告(附开工报审)2.建设工程质量施工单位(竣工)报告(建设表5)3.施工组织设计、技术措施4.主要技术交底施工单位第2页共38页第1页共38页编号:时间:2021年x月x日书山有路勤为径,学海无涯苦作舟页码:第2页共38页5.重大质量事故的处理报告6.图纸会审、设计变更、洽商记录(津资K-1通用)序号类别档案细目编制单位五质量控制文件见附件A施工单位六竣工图纸见附件B施工单位七监理文件1.监理合同协议2.监理规划及实施细则3.工程竣工总结4.监理交底(会议)纪要5.分包单位资格报审表6.监理通知(附整改回复单)7.质量事故报告及处理意见8.竣工验收监理评估报告(建设表6)监理单位八设备文件1.设备购置文件2.设备开箱随机文件3.安装调试文件建设单位(甲供)施工单位(施工单位购买或甲方指定)九工程经营文件1.招标、投标、定标文件2.经济、技术签证3.索赔、赔偿文件4.工程概算、预算与决算建设单位注:1、有特殊要求的工程,可据实增加内容在相应的类别中。2、建设单位在办理建设工程档案正式验收时,除向生态城档案室移交纸质档案外,要求移交与纸质目录相同的城建档案电子目录和工程定标文件、经济、技术签证、工程决算文件及声像档案的刻录光盘。3、施工单位提供施工过程的所有变更文件和工程预决算。4、增加新技术、新工艺及新材料的检验报告、验收合格证及安全检验报告及相应质量控制资料。第3页共38页第2页共38页编号:时间:2021年x月x日书山有路勤为径,学海无涯苦作舟页码:第3页共38页附件A:质量控制与安全功能文件第一部分建筑安装工程归档文件一、桩基质量控制文件及竣工图一、桩基质量控制文件及竣工图1、分包合同、企业资质、管理人员名单、施工方案、开工报告2、图纸会审、设计变更、工程洽商记录3、原材料的出厂质量证明书、检验报告、成品半成品合格证4、原材料的复试报告(水泥、砂、石、钢材等)5、预拌混凝土出厂质量证明书、砼配合比、碱含量、28天补报混凝土强度)6、成品桩出厂质量证明书7、混凝土试块试验报告汇总表8、混凝土抗压强度试验报告9、混凝土强度检验评定表10、混凝土抗渗试验报告11、隐蔽工程检查验收记录12、桩基施工记录一三、复合地基工程施工验收记录14、桩基工程施工验收记录一五、地基承载力检测报告16、桩基检测报告第4页共38页第3页共38页编号:时间:2021年x月x日书山有路勤为径,学海无涯苦作舟页码:第4页共38页17、------分项质量工程验收记录一八、------分部(子分部)工程验收记录19、定位测量放线、水准点引测(经过)记录、技术复核记录A-J4-120、桩位偏移图及表22、桩基工程竣工图二、钢结构质量控制文件二、钢结构质量控制文件1、钢结构子分部工程开工报告2、分部(子分部)工程施工方案3、首次采用的钢材和焊接材料出厂前的焊接工艺评定报告4、新技术、新材料、新工艺试验研究资料和施工方法5、设计图纸会审、变更及洽商记录6、钢结构构件出厂合格证7、钢材质量证明书或检验报告8、安装所采用焊接材料的质量证明书9、高强度螺栓连接副的质量证明书...

1、当您付费下载文档后,您只拥有了使用权限,并不意味着购买了版权,文档只能用于自身使用,不得用于其他商业用途(如 [转卖]进行直接盈利或[编辑后售卖]进行间接盈利)。
2、本站所有内容均由合作方或网友上传,本站不对文档的完整性、权威性及其观点立场正确性做任何保证或承诺!文档内容仅供研究参考,付费前请自行鉴别。
3、如文档内容存在违规,或者侵犯商业秘密、侵犯著作权等,请点击“违规举报”。

碎片内容

某生态城建设工程档案管理服务手册

您可能关注的文档

确认删除?
VIP
微信客服
  • 扫码咨询
会员Q群
  • 会员专属群点击这里加入QQ群
客服邮箱
回到顶部